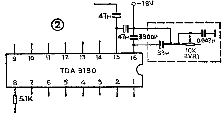
台湾生产皇冠(CORONAR)14英寸黑白电视机,伴音部分采用的是TDA3190集成块,该集成块具有限幅中频放大、峰值鉴频、直流电子音量控制及功放等功能,其外围电路如图1所示。该机经常出现伴音失控故障,由于其中的功放级与前级是在集成块内部耦合的,因此,维修时,不得不更换整个集成块。下面介绍一种用调整集成块外围元件来修复音量失控的方法。集成块外围元件的具体变动如图2所示,将第⑧脚上的电位器3VR1取下,换上一个1/8W5.1K的电阻,再将一个33μF/16V的电解电容,0.047μF的电容及从⑧脚上取下的电位器3VR1按图2虚线中所示的路线接在脚上,为了防止交流声,电位器与33μF的电容连线,改用屏蔽线,屏蔽线接-18V电源。这样改动后,调节音量自如,效果良好。(屠宗芳)

