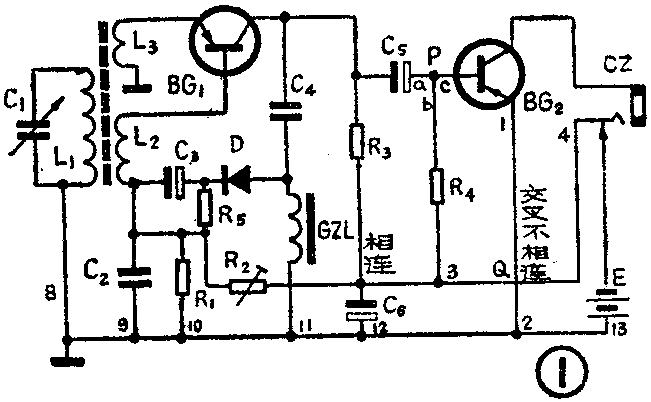
初学者自学电子技术时,首先会遇到如何看懂电路图的问题。图1就是两管收音机的电路图。在这图上,用了一些简单的符号表示电阻、电容、晶体管等元器件,再用直线条或横线条把这些符号相互连成一个完整的电路。这台两管收音机共用了多少个元器件?图中哪些是晶体管?哪些是电阻?等等。它们是如何连接的,看了图1就一目了然。图2是上述两管收音机的实物连线图,与图1对比,可以看出用电路图表示收音机比用实物图简便得多。图1也叫电原理图,因为它表明两管收音机的工作原理。


在电子技术中,就是用各种不同的电路图来表示不同的电子装置或电子设备。借助这样的电路图,我们不仅能了解一个电子设备的电路构造,而且还能分析它的工作原理,这给制作与维修电子设备带来很大方便。
要学会看电路图,先要搞清各种符号所表示的意义。下面介绍常用的元器件的符号,希望初学者动手画一画,并默记住。
(一)固定电阻器符号:电阻的种类很多,常见的有碳膜电阻、金属膜电阻、绕线电阻等,尽管它们所用材料不同,体积有大有小,外形也不同,但在电路图中均用附表所示符号表示,并在符号旁标上字母R。如果在同一张电路图上有好几个电阻出现,为了区别起见,就要给它们编上号,在符号旁边分别标上R\(_{1}\)、R2……。同样,其它元器件在一张图上如出现不止一个,也要编号加以区别。

(二)固定电容器符号:一般电容器是没有极性的,所以在符号中两条短线的形状是一样的。但是电解电容器是有正、负极性的,因此在符号中两条短线形状不一样,其中空心短线表示正极,实心粗线表示负极。
(三)二极管的符号:其中黑箭头的那端表示正极,另一端为负极。
(四)三极管的符号:三极管的种类很多,如附表所示,尽管这些管子体积大小不等,外形有别,但PNP型的三极管均用箭头朝里的那个符号表示;而NPN型的三极管均用箭头朝外的那个符号表示。
(五)磁性天线的符号:此符号中一个个半圆弧的线代表线圈中的导线,符号中间部分的一串短粗线表示磁棒是用铁氧体材料制成的。
(六)可变电容器符号:单连可变电容器符号中的尖头箭头,表示这类可变电容器的容量可在一定范围内变动。箭头一端的引线为定片引线,箭尾一端的引线为动片引线。用虚线把两个单连可变电容器的符号连在一起,就构成了双连可变电容器的符号,其中虚线表示两连的动片是连在同一个轴上同步旋转的。
(七)微调电阻符号:其中平箭头表示此种电阻的阻值可在较小的范围内变化。
(八)直流电源符号:常用的干电池是直流电源的一种。不论是几号干电池,都用附表所示符号表示。如果用一节干电池作电源,就画一个符号。如果有几节电池串联使用,在电路图中可多画几个相同符号,但不必有几节电池就要画几个符号。
(九)交叉符号:电路图中两线相交处,无圆点的,表示两条线是不相连接的。如图1中连线1、2与连线3、 4交叉在Q点处,但相互并不连接。
(十)相连符号: 在电路图中,画有相连符号处即两线交叉且在交叉点,画有圆点来表示两点连线(或几条连线)的金属部分要相互连接在一起。如图1中的P处有相连符号,表示a、b、c这三根引线必须焊在一起。实物装置中也正是这样,见图2。
(十一)“接地”符号,在电原理图中,经常看到一个或多个这种“接地”符号。尽管我们称它“接地”符号,但不是接真正的大地,而是指接电路中的公共参考点又称零电位点。一般习惯称为“接地”。在焊接时,要把标有这种“接地”符号的各点用导线连接起来。如图1中,2、8、9、10、11、12、13引线都与“接地”符号相连,在实物装置中这几根引线的金属部分是连通在一起的,如图2所示。(贺雪)