在电子设备中。正确的接地是抑制噪声和防止干扰的主要方法,如果不注意这个问题,不仅会降低电路的精度,甚至可能使电路无法正常工作。大家知道:一台电子设备需要由多种电路组成。例如在一个由传感器、运算放大器、功率放大器、伺服电机及直流稳压电源等组成的控制系统中,对每一级来说都有接地的问题。这里说的“地”,并非大地,可以理解为等电位点,即电路或系统的基准电位点。假若该接“地”点经一低阻通路接至大地,这个点就是真正的大地电位了。
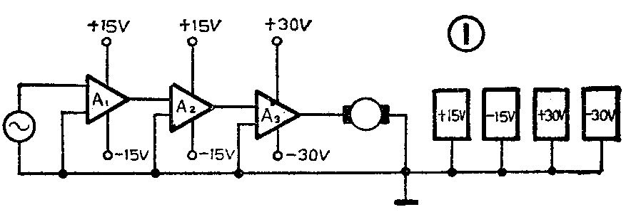
在由若干级运放串接组成的低频或直流放大器中,每一级都有自己的基准地电位。其输入、输出信号的大小和极性也都是相对这个基准电位而言的。因此,当放大器前后级之间以及放大器与传感器相连时,它们的基准地都应该连在一起,即应是等电位的。而这些放大器与传感器又都由各种直流或交流电源供电,故这些电源的地也应与放大器的地连接在一起。在大多数自动控制系统中,来自传感器的信号经电压放大、功率放大后去控制执行机构(例如直流伺服电机),有些情况下伺服电机控制绕组的一端也需要接地,这样,当另一端来的是正信号时,控制电流经电枢流入地使电机正转;当另一端来的是负信号时,则电机反转。所以电机控制绕组的一端也应和放大器有一个共用的等电位基准地。再有,为了减小来自外界的电磁干扰,控制箱或设备的机壳通常也要予以接地。如此等等。但如果随意地把这些部分的接地点简单地用一根根导线连起来,如图1所示,有时就会影响电路工作的稳定,给我们带来麻烦。因此对一个实际电路究竟如何接地,必须作具体的分析。

一般的接地方式有两种,即一点接地和多点接地。多点接地适用于高频电路。在我们所讨论的直流或低频电路中应采用一点接地方式。在一点接地中又有串联接地和并联接地之分,见图2、图3。由于所有的导线都具有一定的阻抗(包括电阻和电抗),当直流或交变电流流过接地线时将产生一定的电压降,这就使地线上的两点间电位不相等。如图4所示的串联接地电路中,R\(_{1}\)、R2、R\(_{3}\)分别为相应各段地线的等效电阻,I1、I\(_{2}\)、I3则为放大器A\(_{1}\)2\(_{3}\)流入接地点的电流,因三级放大器各接地端A、B、C的电位均不为零,则有:VA=(I\(_{1}\)+I2+I\(_{3}\))R1;V\(_{B}\)=VA+(I\(_{2}\)+I3)R\(_{2}\);VC=V\(_{A}\)+VB+I\(_{3}\)R3。在图5所示的电路中,显而易见A、B、C三点的电位应分别为V\(_{A}\)=I1R\(_{1}\);VB=I\(_{2}\)R2;V\(_{C}\)=I3R\(_{3}\)。比较以上两种接地方式可以看出;对同样的放大器和同等的地线阻抗来说,并联接地时各放大器接地点的电位更接近于地电位,且各级电路之间的信号地电流不致形成相互的耦合干扰。而对串联接地例如图4电路中的A点电位,除受本级工作电流I1的影响外,变化的I\(_{2}\)、I3通过R\(_{1}\)也将形成干扰信号(ΔI2+ΔI\(_{3}\))R1,并通过A点送入放大器A\(_{1}\)形成不应有的极间耦合。当这种极间耦合构成正反馈时,有可能使电路的稳定性降低,甚至形成自激振荡。所以,在低频或直流放大电路中采用一点并联接地方式较为理想。




一点串联接地方式虽不如并联接地合理,但由于比较简单,便于印制板电路的布线,因而在前、后级电路的信号电平差别不大(如都是小信号前置级放大)时,也可使用。不过应当注意把接地点设置在信号电平最低的最前级(如图4中的A点),因为该点最接近于地电位。而不应置于图6所示的最后级,因为这时A点电位偏离地电位最多,各级电流对输入级的影响也比前一种接法大。

若各电路间的信号强度相差很多(如前置放大级与功率放大级在一起),就不宜采用串联接地了,因为这时功放级很大的地线电流将对前置级形成较大的干扰,故功放级地线应和前置级分开并单独引出接地线接到公共接地点,见图7中的A\(_{4}\)。

在高频放大电路中不宜采用并联接地方式。这是因为地线也具有一定的电感,为实现一点接地而形成较长的地线引线增加了地线的阻抗,地线间的分布电容和地线电感的影响会造成放大器前后级相互间的电容和电感耦合,这对于干扰的抑制是很不利的。
在控制系统中,经常采用各种传感器作为信号源,传感器给出的微弱电信号可通过同轴电缆接至放大器,以抑制噪声干扰,并采用图8所示的一点接地方式。即传感器接地端不直接接地,而通过低频电缆的屏蔽层接到放大器输入级的公共端,再共用一条接地线接至接地端。图8电路中的小信号电路经一组地线串联接地,大信号电路经另外一组地线与小信号电路并联接地。这就是所谓的串、并联综合一点接地。设计接地线时,应该注意不要把功率相差很多、噪声电平相差很大的电路接入同一组地线中去。

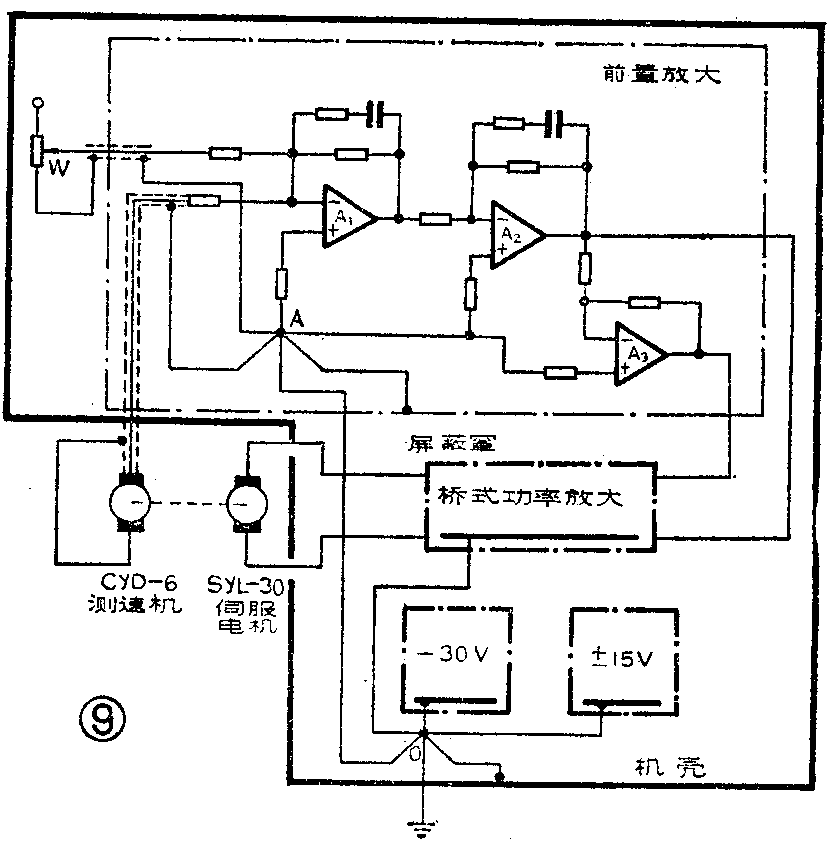
除依信号电平大小接入分开的地线外,对各组电源以及继电器、电动机等噪声电平较高的设备和控制电路的机壳,均应分别引出分开的地线(习惯称为“电源地线”、“噪声地线”和金属件地线)。为清楚起见,我们以图9所示的TZS-74型低速转台的控制电路接地示意图为例加以说明。转台调速信号U\(_{1N}\)通过电位器W给出,并在运算放大器A1的反向输入端与来自测速电机CYD—6速度反馈信号U\(_{F}\)相减。这里的给定信号和反馈信号源都通过同轴电缆引入放大器,电缆屏蔽层与放大器前置级公共端A连接后再接地。控制电路的前置放大由运算放大器A1\(_{2}\)3组成并共用一块电路板,因为前置级均属小信号放大,为减化印制板电路布线的设计,A\(_{1}\)2\(_{3}\)采用串联一点接地方式也接至A点,最后共用一条地线接至电路的总接地点O。转台的功率放大级由分立元件组成差动输入,差动输出功放电路并单独使用一块印制电路板,功放电路板采用一点串联接地方式,其地线则单独引出再并接至电路总接地点O。电路所需±15V和-30V稳压电源分别采用两块电路板,其地线也都分别引出并与控制箱机壳引出的接地线一起都接到总接地点O,故这里采用的是并联的一点接地方式。

为进一步抑制外界干扰,对高增益的前置放大器可以采用金属屏蔽罩,见图9中虚线所示,屏蔽罩应接至前置放大器的公共地端A。(张国华)