开展青少年智力竞赛抢答游戏活动时,要将答题的学生分为若干组,通常要做一个优先抢答的记忆显示和互相闭锁电路,即某组(某个人)首先答题时抢先按一下自己面前的按钮开关,电路除了显示优先答题的组别外,同时将其他组别电路闭锁了,别组再按开关时便失去了作用。这样,如果优先答题者将题答错了,因此时其他组已被封锁失去了答题权利,此考题便作废了。本文向读者另介绍一个电路,能克服上述缺点。该电路就是1983年中央电视台“希望杯”智力竞赛采用的抢答计时电路。
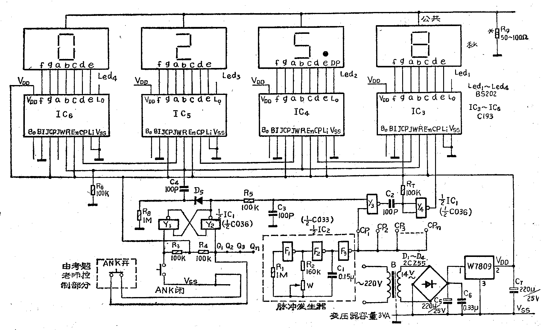
图1是一个供四组学生抢答的计时电路。其器件采用国产CMOS逻辑集成电路。它的工作原理是:由反相门F\(_{1}\)、F2、F\(_{3}\)和R2、W及C\(_{1}\)组成RC脉冲发生器,将其振荡频率调到10赫,即脉冲周期为0.1秒;由四块十进制CMOS计数器加七段显示字型,组成秒计时电路。秒计时采用十进位制, 增加了0.1秒级。图中右第一位数字为十分之一秒,右第二位为秒,带有小数点。前面第三、四位分别为十秒和百秒级。

开展抢答活动时,通常是将考生(即参加考试的学生,下面同)分成几组,每组都要设置一块秒计时显示电路板。但无论有几组,却都公用一个脉冲发生器电路,安装时将它设置在任一块显示板上均可,并从脉冲发生器输出端如图所示引出若干根引线CP\(_{1}\)、CP2……CP\(_{n}\),分别接到其它各计时板上去,这样可使计时时间的快慢对每一组都是一致的。除了脉冲发生器部分外,其它电路部分每个考生(或是每组考生)均各有一套(包括显示电路及由Y1、Y\(_{2}\)组成的触发器)由Y1、Y\(_{2}\)组成的R-S触发器电路有两个开关:即图中的ANK开和ANK闭。ANK闭分别设置在每组考生处,由考生自己控制;每组考生的触发器上的ANK开均如图所示合并为一个开关,统一设置在考题老师的控制箱上,由考题老师一个人来控制。这样,每组考生处只设一个按钮ANK闭,当某考生按动自己的ANK闭时,只能关闭本组的显示电路,并不影响别组;考题老师处也仅设一个操按钮ANK开,当考题老师按动这一个按钮时,能同时将所有考生处的显示板清零,之后同时开始计时。
关于显示字,如果是中小学校及少年宫,活动规模较小,按此原理图中的元器件组装即可;如果是在电视台或观众场面较大情况下应用时,其显示板可用自然灯组合成字型,或用等离子体显示字型,但在这两种显示时需另加功率驱动电路。
操作方法:当考师宣读完考题后,说一声“开始”,同时按一下ANK开,触发器右端输出高电平,通过D\(_{5}\)及C4首先将每组考生处的计数器统一清零。另一方面,输出的高电平经R\(_{5}\)、C3稍延迟一下后将与非门Y\(_{3}\)打开,于是0.1秒计时信号便连续送入十进位制计时显示电路,考生开始思考答题。当某一组考生有了答案时,迅速按动自己面前的按钮ANK闭,本组计时则停止,所显示的数字即本组思考答题的时间。虽然已有考生按过关闭按钮,但其它组仍可进行自己的思考答题,当有答案时按动自己的关闭按钮。最后考师根据每组思考时间来裁决答题顺序。即思考时间少者有优先答题权利。优先答对者加分,答错者扣分,仍可将答题权依次授给别组,考题有效。(刘家棣)