本文介绍一种“家庭音乐中心”实用电路。该机由于采用了国内外流行的新颖功能电路,使得整机性能较为优良,各项电声指标也较高。通过笔者精心设计,各部分电路自成系统,既可将本文介绍的各部分电路连接成一部完整的“音乐中心”,也可以取其中某一部分功能电路与其它音响电路配接。该电路元器件力求通用化,既适合业余爱好者自制,也适合中小企业批量生产。
电路原理简介
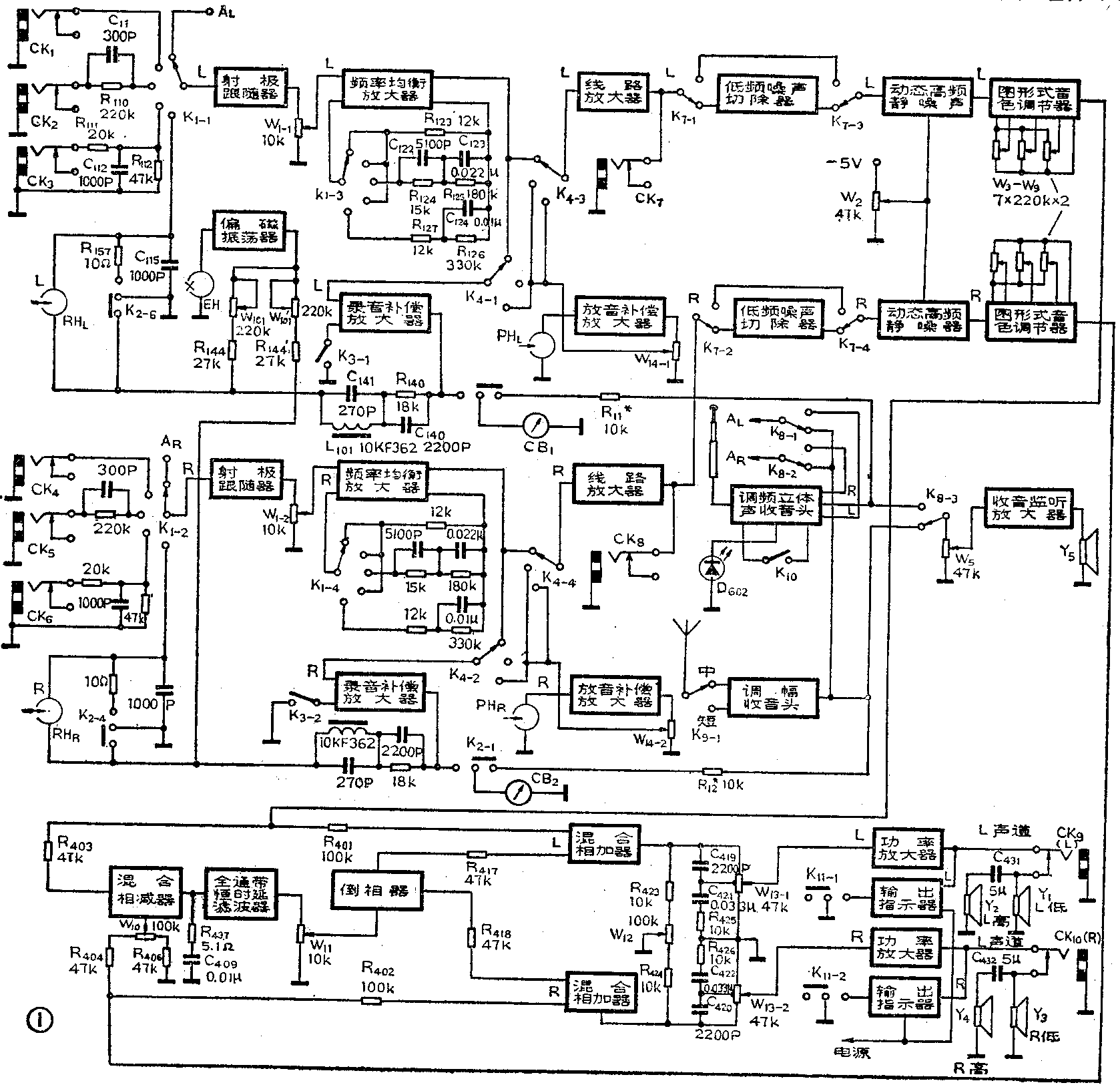
该机由立体声双卡录音座、线路放大器、低频噪声切除器、动态降噪器、多频段图形式音调调节器、界外立体声展宽电路、功率放大器、输出功率指示器、调频立体声收音头、中短波调幅收音头及电源等部分组成(方框图见图1)。为便于配合使用立体声电唱机,该机设置了专用接口电路。该机低频部分由双声道组成,左、右声道完全对称,文中只以左声道为例,简要介绍各部分工作原理。

1.立体声双卡录音座:由立体声放音机和立体声录放机组成。放音机不含录音部分,翻录磁带时由它输出信号至录放机录制节目;欣赏音乐时也可用它输出信号供给扩音部分。录放机可录可放,它除了播放磁带节目或配合放音机录制磁带外,还可以放大或录制来自收音头,拾音插口,话筒插口及线路输入插口的信号。图2给出左声道电路,录放音均采用典型的直耦串接放大电路。特点是工作稳定、增益高、频响宽。BG\(_{1}\)01~BG103组成放音机左声道放大器,增益大于35dB。频率补偿网络的低端转折频率为48Hz,时间常数τ\(_{1}\)=R108·C\(_{1}\)06=3.3ms;高端转折频率为1.33KHz, 时间常数τ2=R\(_{1}\)07·C106=120μs。C\(_{1}\)01与磁头线圈并联谐振于14kHz,以改善放音频响。W14-1为放音机输出电平控制电位器。

BG\(_{1}\)04~BG107组成立体声录放机左声道放大器。BG\(_{1}\)04为射随输出级。W1-1是手动录音电平控制电位器,其作用与W\(_{14}\)-1相同,它与录音电平表CB1配合,可获得最佳录音效果。放音时调整W\(_{1}\)-1或W14-1可避免因输出信号过强造成后级过载。BG\(_{1}\)05~BG107为放音均衡前置放大器。K\(_{1-3}\)与K1-1联动,对不同种类的输入信号提供相应的频率补偿网络。BG\(_{11}\)0~BG112组成录音放大器,均衡网络的时间常数为τ\(_{1}\)=C134·R\(_{135}\)=1ms;τ2=C\(_{134}\)·R134≈56μs,使录音电平分别在160Hz和2.85kHz处有所提升,以改善录音时的低音和高音频响。录音信号由射随器BG\(_{112}\)输出,经高频补偿元件R140、C\(_{14}\)0(τ=39.6μs、f=4KHz)及偏磁振荡阻波元件L101、C\(_{141}\)送至录音头RHL。BG\(_{1}\)08、BG109为ALC控制管。BG\(_{1}\)08的内阻与R129串联后并联在录音放大管BG\(_{11}\)0的输入端构成分压器。BG112输出的信号经过C\(_{136}\)、R142再由D\(_{1}\)03、D104倍压整流,然后由BG\(_{1}\)09放大,控制BG108的导通深度,使BG\(_{1}\)08的内阻变化,从而改变分流作用,达到自动控制录音电平的目的。调整R142阻值可改变ALC控制强度。K\(_{3}\)-1为“手动”、“自动”录音电平选择开关。“手动”时BG109基极接地,ALC不再起作用。由于ALC电路容易引起信号动态范围变小,所以接入ALC时仍要注意将W\(_{1}\)-1和W14-1调到适当位置,以求获得最佳录音效果。录音电平指示器由CB\(_{1}\)及D101等组成。对于不同内阻和灵敏度的表头,R\(_{143}\)、W102应选用不同数值,以控制指针的摆度。在非录音状态时CB\(_{1}\)(右声道的CB2)可作为调频收音头及调幅收音头的调谐指示器。
BG\(_{113}\)、BGll4组成超音频振荡器,振荡频率为50KHz,可选用江苏省江阴广播器材厂生产的10KF360、10KF362作振荡线圈和阻流圈。调节W\(_{1}\)01可使录放磁头获得最佳偏磁电流。K2为录放转换开关,图2中K\(_{2}\)为放音位。BG5、BG\(_{6}\)分别组成电子滤波器,为偏磁振荡器和前置各级提供稳定的直流电压。图3是立体声双卡录音座的印板图,供制做时参考。

2.线路放大器:由图4中的BG\(_{2}\)01、BG202组成,它的作用是把录音座输出的信号放大到0.3~0.8伏,以便供给降噪器。BG\(_{2}\)02的发射极经过R234、C\(_{229}\)把信号送到线路输出插口(CK7)以便供外部录、放音之用。

3.唱盘噪声切除器和频率扩展式高频动态静嗓器:电唱机马达唱盘容易产生低频噪声,唱片及磁带均存在高频噪声,这些噪声使得录放音信噪比下降,特别是两个节目之间的空当处,噪声十分刺耳。为了消除低频噪声,本机设置了由BG\(_{2}\)03组成的有源高通滤波器,以切除60Hz以下的低频噪声,拨动K7可选择该滤波器是否接入。
对于高频噪声则采用由IC\(_{2}\)01~IC203组成的动态降噪电路予以抑制。它是一个受输入信号控制的有源低通滤波器。没有信号时(即静态)滤波器的通带为0~1.5KHz,1.5KHz以上的噪声以每倍频9dB的斜率被衰减。输入信号到来时(即动态),滤波器的通带迅速向高端展宽,信号中的高频成分得以顺利通过,如图5所示。它的工作原理是这样的:图6是图4中IC\(_{2}\)01、IC202两级的等效电路。IC\(_{2}\)01组成的电路,其特点是当a点等效接地时,它的放大量为1(即0dB),当a点等效为悬浮(也即a点对地阻抗很高)时,它的放大量为-20.8dB。而a点的状态又决定于IC202。IC\(_{2}\)02与C214、C\(_{215}\)、R217、R\(_{0}\)组成一个截止频率为f0=1/(2π \(\sqrt{C}\)\(_{214}\)·C215·R\(_{217}\)·R0)的高通滤波器。它对于f\(_{0}\) 以上的信号呈通态,相当一个共射极放大器,其输出端(即a点)对地阻抗很高,a点悬浮,IC201对信号衰减20.8dB;对于f\(_{0}\)以下的信号IC202呈阻态,其输出阻抗很低,等效为a点接地。此时IC\(_{2}\)01对信号不衰减。可见IC201实质上成为一个以f\(_{0}\)为截止频率的有源低通滤波器。图6中的R0是R\(_{22}\)0、R221、R\(_{DS}\)并联等效电阻。大家知道,场效应管源漏电阻RDS受栅极电压控制,栅极电压越高,R\(_{DS}\)越小。改变BG204栅极电压,R\(_{DS}\)会随之变化,就可以控制f0大小。


图4中IC\(_{2}\)03为高通放大器,其同相输入端接于W2中心臂,W\(_{2}\)的一端接-5伏直流电压,静态时(即无音乐信号时)调整W2,使IC\(_{2}\)03的输出端具有一定的直流电位,此电位经过R232、D\(_{2}\)01、R225加到场效应管BG\(_{2}\)04的栅极,使场效管处于临界截止状态(高频噪声幅度小不能使BG204导通),R\(_{DS}\)为无限大,R0由R\(_{22}\)0、R221并联决定,这时f\(_{0}\)刚好为1.5kHz。当有音乐信号到来时,IC203的输出端电位升高,导致场效应管的栅极电位升高,R\(_{DS}\)急剧变小,f0迅速向高端移动。信号中的高频频率越高,f\(_{0}\)向高端移动的越多。因此IC201组成的低通滤波器通带也就越宽,如图5所示,IC\(_{2}\)01实质上是一个可变通带的低通有源滤波器。
C\(_{222}\)是延时电容,它的作用是:当信号到来时,由于 D201正向电阻很小, C\(_{222}\)迅速充电。信号过后, C222通过 R\(_{225}\)缓慢放电,延时时间约20~40ms,使f0不致迅速向低端缩回,以避免音乐结束时的突然截止感。 R\(_{223}\)、 C219支路可以使瞬时大信号直接迅速地传递到BG\(_{2}\)04栅极,以改善对钢琴等乐器声谱的动态响应。这部分电路的印板图见图7。它可以方便地移用到其他音响设备中去。

4.七频段图形式音调均衡调节器:近些年不少中高档收录机、扩音机中采用了一种新型音调调节器,这种音调调节器叫做多点频率均衡器。图8所示的就是七频段图形式音色调节器电路,它是由7只运放电路组成的有源带通滤波器。根据节目特点、聆听环境及听者的爱好,可以方便地对64Hz、160Hz、400Hz、1KHz、2.5KHz、6.8KHz及15KHz中任一频段的信号进行提升或衰减。每一频段的可调范围不窄于±10dB。制作时可按频率高低将W\(_{3}\)~W9顺序水平排列于面板上,标注分贝值、构成频响曲线造型。图8电路简单工作原理如下:IC\(_{3}\)01组成一个放大器,它的增益决定于R305、R\(_{3}\)06及W3-1~W\(_{9}\)-1。W3-1~W\(_{9}\)-1分别与IC302~IC\(_{3}\)08组成7个带通滤波器。每个带通滤波器等效于一个串联谐振在上述各频率上的电感电容支路。以64Hz一组为例:当W3-1中心滑臂向上移动时,IC\(_{3}\)02对输入信号中以64Hz为中心频率的一个窄带衰减最大。反之,W3中心臂向下移动时,IC\(_{3}\)01对以64Hz为中心频率的一个窄带增益最大。其余各频段工作原理雷同。电路中C305是用来限制IC\(_{3}\)01工作频带的,当C305=270pF时,IC\(_{3}\)01高端截止频率为f=1/(2π·C305·R\(_{3}\)05)≈20KHz。64Hz带通滤波器的中心频率f64=1/(2π\(\sqrt{R}\)\(_{3}\)09·R308·C\(_{31}\)0·C311),其余各滤波器中心频率的计算公式可以类推。

该均衡器的印板图见图9。由于这部分电路独立成板,可方便地移用到其他音响设备中去。

5.界外立体声展宽电路:立体声声像展宽的通常作法是:从左声道取出一部分信号倒相之后送入右声道,从右声道取出一部分信号倒相之后送入左声道,这种方法有一定展宽效果,但由于左、右声道中有相当一部分内容属两声道所共有,这部分内容的信号其幅度和相位在上述倒相馈送之后产生了畸变,造成若干尖峰或深谷,这就是所谓的梳状效应。其直接感觉是听者正前方有一种分裂感,或叫做“静场”、“中空”现象。为避免或减轻这种效应,反馈量一般限20~30%以内。由于2KHz以上的信号产生上述现象机会尤多,所以还要在反相串音电路中加入低通滤波器,将2KHz附近的信号滤掉,这就使声像扩展效果受到限制。
本文介绍的声像展宽电路有其独到之处,见图10和图11。左、右声道的信号先进入混合相减器,两声道共有的相同成分被剔除,差信号(界外信号)经延时再倒相,与原来的左、右声道信号一起在混合相加器相加,最后送入功率放大器进行功率放大。

图10中IC\(_{4}\)01为混合相减器,左声道信号由反相输入端②脚注入,右声道信号由同相输入端③脚注入,⑥脚输出两声道的差信号,该级增益约为2。调节W10可改变右声道信号注入量,从而改变输出差信号的结构,以便调整中心声像(如站在舞台中央的歌唱演员)的位置。IC\(_{4}\)02组成全通带恒延时贝塞尔滤波器,该级增益为0.25,根据两耳之间距离约21cm,延时时间设计为138μs。W11为差信号(即界外信号)输出幅度调节电位器,调整W\(_{11}\)可以改变原声道信号与界外信号的组成比例,从而调整了展宽效果。当W11的中心臂调到接地端时,界外信号输出为零,不再起展宽作用。BG\(_{4}\)01为倒相器。它的作用是将差信号反相180°后由集电极输出至左声道混合相加器BG403。其发射极输出的信号与输入的差信号同相,经C\(_{416}\)。R418送到右声道混合相加器BG\(_{4}\)02。原来的左、右声道信号也分别送至左、右混合相加器与倒相器送来的差信号相加。
信号经过上述处理,左、右两声道信号相互馈送量可达50%~120%,展宽效果极为明显。当左、右音箱(如图11所示)与听者中心线成2×20°角时,声像可扩展到2×60°角。使聆听者感觉到有一种声像包围感。

6.功率放大器(图10):由两只高保真功放集成电路TDA2030A担任。这种集成电路的优点是体积小,噪声低,内部设有过电流保护和过热保护电路,外型见图12,内电路见图13。它的最大工作电压为±22伏(或+44伏),最大不失真功率(4Ω负载)为22瓦。本电路工作电压设计为±18伏,输出功率为18瓦(4Ω),失真度小于0.5%,频响为100KHz,输入阻抗 为5MΩ,开环增益大于85dB, 闭环增益30dB, 无信号电流50~80mA,最大承受电流3.5A。装置时先将TDA2030A固定在图14所示的散热片上,将集成电路焊好之后再按图15固定在145×40mm\(^{2}\)的散热板(厚4mm)上。R\(_{433}\)、R434、C\(_{427}\)、C428为消振网络,如无自激可以不用。从④脚输出的音频信号经过2A保险丝加到扬声器上。




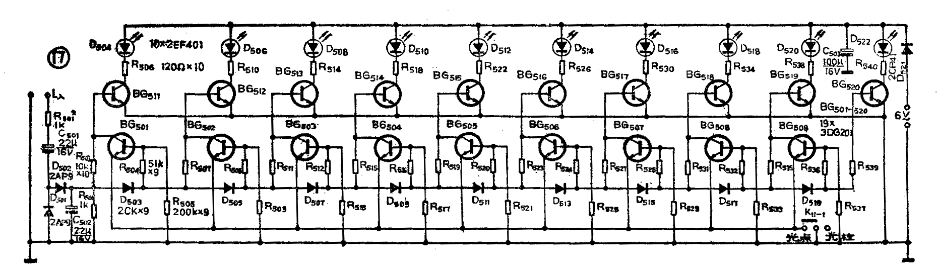
7.输出功率指示器采用新颖的光点/光柱式发光二极管指示器,原理图见图17,印板图见图18。该指示器用“光点”/“光柱”选择开关K\(_{11}\)控制,当K11置于“光点”位置时BG\(_{5}\)01~BG509发射极接地。当输入信号逐渐增强时。BG\(_{5}\)01~BG509依次导通饱和,发光管的驱动三极管BG\(_{511}\)~BG519基极依次等效接地而截止。但由于D\(_{5}\)03、D505、D\(_{5}\)07……D519的存在,只有下一只发光二极管点亮时,前一个发光二极管才熄灭。效果上形成发光点随着信号的大小在跳动。当K\(_{11}\)置于“光柱”位置时BG501~BG\(_{5}\)09发射极悬浮,不起作用。此时指示器与一般的发光二极管指示器相同,随着输入信号的大小呈长短不等的光柱。 (待续)(刘永华)


