业余无线电爱好者在检修收、录音机及扩音机等电子产品时,由于受条件限制,一般只备有万用表和一些简单工具,当遇到某台机器直流电流、直流电压基本正常,但故障表现为无声、音轻、声音失真、噪声大等一些复杂情况时,往往单凭万用表还不能判断故障所在,需采用拆换元件的办法来试着修理,既费工又费时。本文介绍一个精巧的故障寻迹器,可以给你的修理工作提供不少方便。
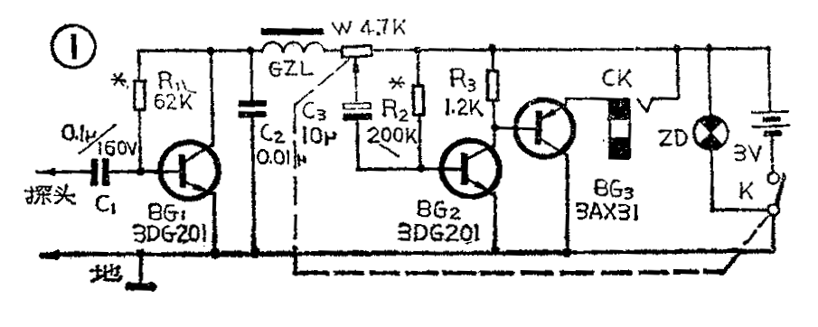
寻迹器电路原理:电路原理见图1。从探头拾取的高频或低频信号,经C\(_{1}\)耦合到BG1基极,BG\(_{1}\)本身不仅对信号具有放大作用,还具有对高频信号的检波作用,检波后的残余高频信号经C2旁路到地。由于高频扼流险GZL对低频信号所呈现的阻抗很小,因此无论是检波后的信号还是从探头直接输入的低频信号都能顺利地加入到下一级。

为了防止输入信号过大时产生过荷失真,电路中设有音量电位器W,以控制输入信号的大小。C\(_{3}\)为隔直电容,BG2、BG\(_{3}\)作复合放大,放大后的音频信号由耳机输出。
元器件选择与制作经验:晶体管BG\(_{1}\)、BG2为3DG201,也可用3DG202、3DG6等代用。要求放大倍数在80~120之间;BG\(_{3}\)为3AX31,也可用3AX22等代替,要求放大倍数在100~120之间。C1应选耐压较高的电容,以保证在检测高压部位时不至被击穿。
高频扼流圈可用TTF2型中频变压器底座改制。在工字型磁芯上用φ0.08mm漆包线绕250圈,然后将磁芯装入底座用蜡封固。将线头上好锡后焊于底座脚上即可。电位器W和耳机插座CK应选用小型的。探头需要自制,爱好者如受条件限制也可用φ2mm左右铜丝制作。外壳用ABS塑料注塑成形,自制时可用有机玻璃等材料粘接而成。对其它元件无特殊要求。电源采用二节5号电池。印刷线路板和元件排列见图2。

调试:当组装焊接完毕并检查无误后,可调整电阻R\(_{1}\),使BG1的集电极电流为0.5mA左右,然后调整R\(_{2}\),使BG3的集电极电流为10mA左右,此时将音量电位器开至最大位置,用手捏探针,从耳机中应能听到比较响亮的交流声,调试即告完成了。最后将线路板、电池夹板、耳机插座等分别装入机壳,就可供使用。
使用方法:将寻迹器接地端鳄鱼夹与待测机地线相连,然后开启电源,将探针分别触及被测机各级的输入与输出端,此时从耳机中应能监听到信号。
一般的检查办法是由前级逐点向后检查,从故障机的某些点上去拾取信号试听,根据耳机中发出的声音大小及音质来判断该点以前电路是否工作正常。连续试听前后不同的几个点,便能迅速地缩小故障所在范围。需要指出的是当故障机电流过大或过小时,应先用万用表进行检查较为方便。(陈颖初)