本验电器的特点是,测试端不用去直接接触被测体,在距被测体一定距离内,就可以知道被测体是否带电。利用这一特点,还可以很方便地查找出电线内部的断线点。
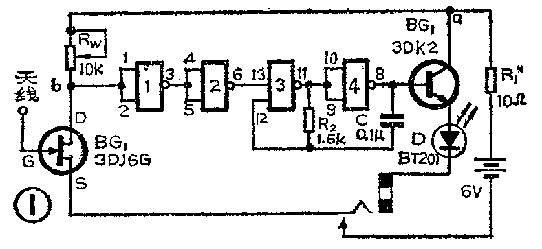
工作原理:图1和图2分别是验电器的原理图和印刷线路板图。如果附近的被测体带电,当将本仪器靠近被测体产生的电场时,场效应管BG\(_{1}\)的漏源极电阻增大,图1中b点电位上升,达到开门电平时,与非门1输出低电平,与非门2输出高电平,于是触发由门3、门4和R2C组成的音频振荡器,音频信号经BG\(_{2}\)放大后就可以去驱动发光二极管D发光并使耳机发出声音。相反,如果被测体不带电,图1中的发光二极管则不发光,耳机中也不会发出声音。


元件选择:集成电路采用两输入四与非门双列直播式的T065,外型见图3。BG\(_{1}\)选用3DJ6G、BG2 选3DK2,电阻全部选用1/8W,耳机选普通8Ω耳机,电源选6V积层电池,如果用扣式电池,体积还会大大减小。

调试:经检查焊接无误后,调R\(_{W}\)使b点电位固定在0.5V,这时用尼龙布轻轻触一下天线,就能发出声和光。但必须指出,这是由静电感应而产生的声和光,声音是“嘟嘟”声,如果感应的是交流信号,则耳机中听到的是啸叫声。根据这一特点,可以辩别出被测体所带的是静电荷还是交流电。
如果用尼龙布碰触天线时仪器发出的声响一直不停,则可将图1的b点电位再降低一些,直至发出“嘟嘟”声为止;如果没有声响,则应抬高b点电位。如果b点电位达到1.4V时还不响,则应检查电路元件的好坏。调整R\(_{1}\)和改变a点电位,使其保持在5.5V即可。调整C和R2的大小,可改变声响的频率。(高树平)