本文向读者介绍一个使用白炽灯泡的调光书写台灯,它具有光线柔和、调光方便等特点。在调光台灯的底座里还装有一只压力按钮开关,台灯一旦不慎倒翻,压力开关会立即切断电源,从而可保证用电安全。
电路原理
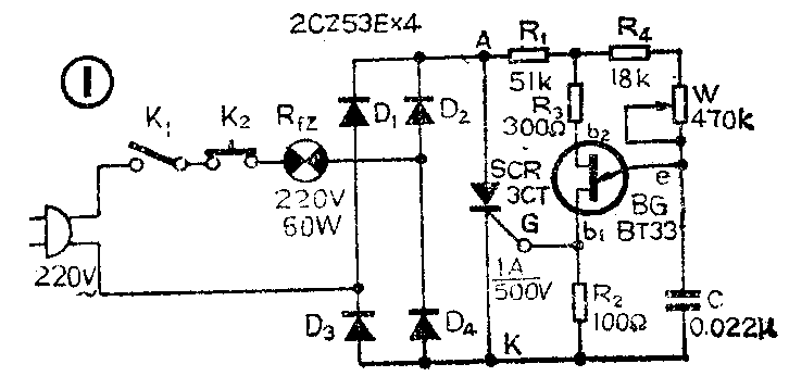
调光台灯的电路图见图1,它是一个由可控整流电路和触发电路组成的可控硅调压装置。图中,二极管D\(_{1}\)~D4组成桥式整流电路,双基极二极管(即单结晶体管)BG构成的张驰振荡器作为可控硅的同步触发电路。当台灯合上开关接通市电后,220伏交流电(波形如图2a)通过负载R\(_{fZ}\)(即图1中的白炽灯泡)经二极管D1~D\(_{4}\)整流,在可控硅SCR的A、K两端形成一个脉动直流电压(见图2b),该电压由电阻R1降压后作为触发电路的直流电源。在交流电的正半周时,整流电压通过R\(_{4}\)、W对电容C充电,当充电电压UC达到BG管的峰点电压U\(_{P}\)时,BG管由截止变为导通,于是电容C两端的电压通过BG管的e、b1结和R\(_{2}\)迅速放电,结果在R2上获得一个尖脉冲(见图2c)。这个脉冲作为控制信号送到可控硅SCR的控制极G,使可控硅导通。可控硅导通后的管压降很低,一般小于1伏,所以张驰振荡器停止工作。当交流电通过零点时,可控硅自动关断;当交流电处于负半周时,电容C又重新充电……,如此周而复始,便在白炽灯泡两端形成如图2d所示的电压波形。


调节电位器W,可以改变电容C的充电速度,即可改变可控硅导通时间的长短,从而控制了可控整流器的输出电压。当W调到阻值较大时,电容C充至V\(_{P}\)电压的时间较长,因此可控硅的导通角θ比较小,可控整流器输出的电压较低,灯泡较暗;反之,当W调到阻值较小时,可控硅的导通角θ比较大,输出电压较高,灯泡就较亮。正常情况下,调节W能使灯泡两端的电压在0~200伏范围内变化,从而有效地控制了台灯的亮暗。
元器件选择
电位器W选用阻值为470千欧的WH114—1型合成碳膜电位器,这种电位器可以直接焊在印刷电路板上。除了R1要用功率为1瓦的金属膜电阻外,其余的都用1/8W的碳膜电阻。
D\(_{1}\)~D4选用反向击穿电压大于300伏、额定平均电流大于1安的整流器件。可控硅选用3CT(1A/500V)型的,在业余条件下可用下述方法判断可控硅的好坏:首先将万用表置于R×1K档,测量其阳极A与阴极K之间的正、反向电阻,正常情况均应不通(即电阻很大),如果测得的电阻很小或短路,说明可控硅已损坏。然后将万用表置于R×10档,测量控制极G与阴极K之间的正反向电阻,一般都在数十欧到数千欧的范围内,如果发现正反向两个方向都不通,说明可控硅控制极已开路损坏了。可控硅的正、反向特性和控制特性可按图3所示的方法进行测试。测试前,要准备一个6.3伏的小电珠ZD、一个10欧左右的电阻R和两组6伏电池E\(_{a}\)及Eg。当可控硅阳极接反向电压或接正向电压,但其控制极不加电压时,小电珠不应发亮(见图3a)。若阳极接反向电压或接正向电压时小电珠亮了,说明可控硅器件已反向击穿或正向击穿了。当可控硅阳极和控制极都接正向电压,小电珠便发亮(如图3b),而且在可控硅导通后,不接控制电压或将控制电压反接,小电珠能继续发亮(图3c),说明可控硅是好的,否则说明可控硅控制极已损坏了。

BG管选用BT31、BT32、BT33等型号的双基极二极管。挑选时,可用万用表测量双基极二极管B\(_{1}\)2极之间的直流电阻R\(_{BB}\),一般应为3~10千欧,否则说明管子有问题。
电容C应选用耐压大于160伏、漏电流较小的涤纶或金属膜电容器。K\(_{2}\)可用KAX1型小型按钮开关。印刷电路板可参照图4用长65毫米、宽50毫米、厚1~1.5毫米的单面敷铜板制成。台灯的反射灯罩以及底座可根据各人的爱好自行设计制作。照明灯选用功率为60瓦、工作电压为220伏的白炽灯泡。

组装与调试经验
焊接时,电位器W应从敷有印刷电路的这一面插入印制板,然后用锡焊牢。可控硅的阳极是一个螺栓,装入印刷电路板后要用螺母拧紧,以保证与印刷电路板良好地接触。剩下的阴极和控制极则用两根导线与印制电路板的相应的接点焊接起来。组装好的印刷电路板装在台灯的底座里,开关K2装在底座下面,平时利用台灯自重的压力将按钮开关接通,假如台灯翻倒,K\(_{2}\)则立即切断电源,从而可防止触电事故发生。
如果省去K\(_{2}\),在灯泡的位置上接一只电源插座,就可以制成一只输出功率为100瓦的可控硅调压器,可用来作为家用电器的调压装置,比如可用来进行照明灯调光、电风扇调速、电熨斗调温等。当然,调压器要装在绝缘性能良好的机壳里,以防止漏电伤人。
调试时要注意以下几点:①由于可控硅调压装置直接与交流电网相连,因此整个调压装置的电路部分都带有较高的电压,调试时必须注意安全,防止触电;②调压装置是通过灯泡等负载与交流电网构成电路的,所以如果不接负载(比如不插上灯泡)调压装置就没有工作电压,就无法进行电路的调试工作;③调压装置接上灯泡以后就能进行调试了。正常情况下,由大到小逐渐调整W的阻值,灯泡应由暗渐亮。如果出现调小W阻值,灯泡反而突然熄灭的反常现象,则说明R\(_{4}\)的阻值选得太小了。此时应适当增大R4的阻值,直至W调到阻值最小位置灯泡不发生突然熄灭现象为止。
调压器输出功率的大小与整流二极管最大整流电流以及可控硅额定平均电流的大小有关。如果将D\(_{1}\)~D4改成最大整流电流为1安的2CZ20B或2CZ85E硅整流二极管、SCR改用额定平均电流为3安的3CT3可控硅整流器件,则调压器的输出功率可增大到300瓦。(郁景祉)