最近许多读者来信询问如何给盒式录音机(或收录机)加装外接扬声器,以改善听音效果。本文简要谈谈这个问题。
盒式录音机或收录机,无论是台式或便携式,由于尺寸的限制,扬声器口径不可能选得很大,机箱内的助音空间也比较小,因而限制了音响效果的发挥。不少用户买来现成的扬声器箱,或用两只、三只扬声器自制扬声器箱,直接与盒式录音机连接,在一定程度上改善了音质。特别是立体声收录机,外接两只扬声器箱,将距离拉得开些,不但音质得到改善,还增强了立体感。
盒式录音机外接扬声器主要应考虑两个问题。一个是机器的输出功率及扬声器的额定功率,另一个是机器的输出阻抗(即负载阻抗)及扬声器的标称阻抗。目前,常见的国产或进口收录机,标称输出功率多在280mW~7.5W之间,一般都有些功率余量。经验证明,在阻抗匹配的情况下,输出功率为0.5W的机器可外接1W左右(4~6.5英寸)的扬声器;2~3.5W的机器可外接5W左右(8~10英寸)的扬声器,输出为5~7.5W的机器可外接10~15W左右(12~15英寸)的扬声器。注意不要选用功率过大的扬声器,否则扬声器纸盆会振动无力就不能显示出外接扬声器的优越性。
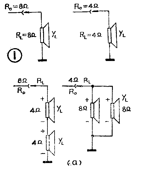
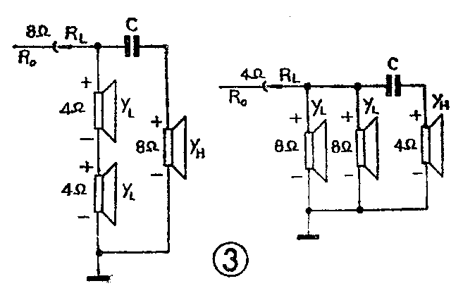
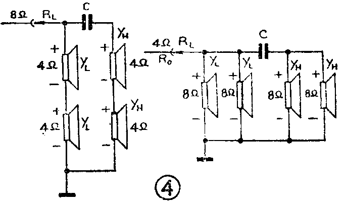
一些初学者担心,盒式录音机的输出功率小于外接扬声器的功率,会不会损坏录音机?答案是不会的。因为录音机音频功率放大器(OTL电路)的输出功率是由下式决定的P=V\(^{2}\)/2RL,可见输出功率与机内电源电压平方成正比,与负载阻抗(即扬声器标称阻抗)成反比。而扬声器上标称的额定功率是指扬声器本身放音不失真和不被烧毁的负载能力,无论盒式录音机的输出功率有多么小,外接扬声器的额定功率有多么大,只要外接扬声器与录音机要求的负载阻抗相匹配,录音机的最大输出功率就不会改变,机内音频功率放大器的工作状态就不会改变,因而机器就不会被损坏。反之,如果两者的阻抗不匹配,例如:将阻抗为4Ω的扬声器接到负载阻抗为8Ω的机器上,机器的输出功率就会增加一倍,造成机内功放电路过载而损坏。可见阻抗匹配是十分重要的。外接扬声器时,必需选择扬声器的阻抗与录音机负载阻抗相同(图1)。如果外接两只口径相同的扬声器可按图2a接法。如果外接一只主扬声器和一只辅助高音扬声器,可按图2b接法。如外接两只主扬声器和一只辅助高音扬声器,可参考图3接法。外接四只喇叭的情况可参考图4。从图中可见两只扬声器串联时,它们阻抗相加;两只扬声器并联时阻抗减半。图中的C是分频电容器。容量可按公式C=\(\frac{1}{2πf}\)\(_{C}\)RH求得。式中R\(_{H}\)为辅助扬声器(高音扬声器)的标称阻抗,单位为欧。fC是分频频率、单位为赫兹、求出的容量单位为法拉。分频电容最好选用金属膜、钽、纸介等无极性的电容器。也可按图5的方法用两只容量相同的电解电容串联代用。对接后的容量为单只电容容量的一半。如果使用一只电解电容器作分频用,必须接法正确。首先从电原理图中查出,如果电路的地线是直流电源的“+”,就按图6a接入C;如果电路的地线接电源负极,则按图6b所示接入电容C。图2~图4中的分频电容一般选取2.2μF~10μF。例如图3中R\(_{H}\)=8Ω,分频电容选5μF,则分频频率为4000Hz。






外接扬声器时还有一个值得注意的问题,就是要将多只扬声器的纸盆振动相位接成一致,以避免声干涉。正确的连接可参考图2~图4中的“+”、“-”标记。判断扬声器的相位方法是:用一节1.5V电池碰触一下扬声器的引线焊片,如果纸盆向外运动,则接电池正极的焊片为“+”,另一端为负。也可如图7所示将万用表置于直流微安档,两支表笔接到扬声器的两个端子上,用手迅速按下纸盆,如万用表指针顺时针摆动,则黑色表笔接触的是“+”端。如表针逆时针摆动,黑色表笔接的是“-”端。

关于音箱的制作资料,许多书刊中均有介绍,这里不再赘述。音箱作好后,与录音机的连接也有讲究。首先应将音箱中各扬声器的引线接到扬声器箱后背的接线柱上。为便于区别最好将信号线接到红色接线柱上,将地线接黑色接线柱。按需要长度截取一根屏蔽线(或软导线),参考图8,将芯线接红色柱、皮线接黑色柱。屏蔽线的另一端芯线接到插头的芯片,皮线接插头的地线焊片。这样,插头就可直接插入录音机侧面的外接扬声器(EXT SP)插孔了。有些录音机没有外接扬声器插孔,只有耳机插孔(EAR),由于耳机插孔中如图9所示常接有一只电阻,不能直接使用。这种情况可按图10,把耳机插孔的固定螺帽拧松,再将附近的话筒(MIC)或线路输入(LINE IN)插孔的固定螺帽拧松,如图用裸导线连接好,再拧紧螺帽。这样就等于将图9中的R短路了。此时再将喇叭引线插头直接插入耳机插孔,即可正常放音了。应该注意,外接扬声器切不可短路,也不可开路,否则会损坏机内功放电路。使用时最好先将外接扬声器接妥,然后再开机;去掉外接扬声器时应先关机,以保安全。(朱笛)


