中频滤波器是决定中频放大器性能的关键元件,它在电路中的作用主要有两个:一个是选频作用,保证中频选择性和带宽;另一个是起级间耦合作用,影响增益和稳定性。
在调频中放中,常用的中频滤波器有中频变压器和陶瓷滤波器,少数高档机中也采用声表面波滤波器或晶体滤波器。本讲重点介绍如何合理地使用或制作这些元件。
中频变压器
中频变压器(以下简称中周)是调频中放必用的元件,即使在以陶瓷滤波器为主要选择性元件的集成电路中放中,混频负载仍需采用中周做为选频回路。虽然专业生产厂有调频中周的系列产品可供挑选,但不一定合用。尤其在制作放大级数较少的调频中放时,多宜自行计算中周的匝数比,以获得足够的增益和一定的带宽。那么,如何合理地选用或自行计算绕制调频中周呢?
在上一讲图①、②中,我们已谈到过中周与放大器的匹配问题。就单级放大器而言,配用中周的关键是阻抗匹配问题,当前后级电路形式及晶体管型号一定,则关键是中周的匝数比问题。至于整个中放电路如何将带宽和选择性分配到各级的问题已在前一讲讲过了。

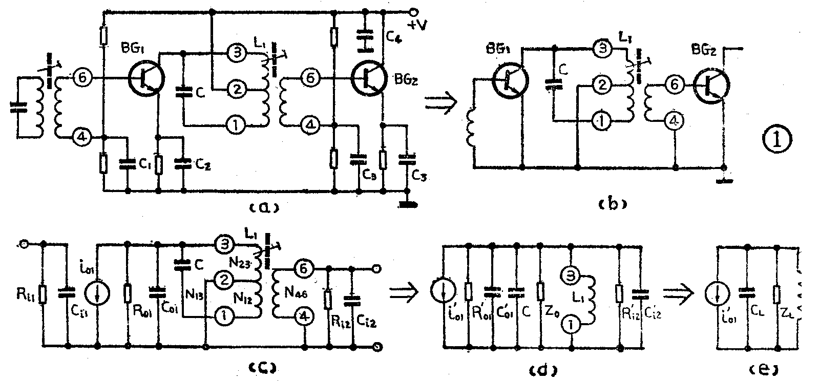
本讲图①(a)所示为中周与共射中频放大器的典型连接电路,构成谐振放大器,这是分立元件中放的基本单元电路。为了分析配接关系,我们首先除去与高频无关的直流偏置元件,绘出它的交流等效电路。这里,由于在高频时C\(_{1}\)~C5的容抗很小,可近似看作短路:电源端又是高频接地,于是有(b)、(c)图所示的交流等效电路;由图可见,中周的初级谐振回路通过抽头(②~③)与前级晶体管的输出电阻、输出电容和信号电流源相并联,常用晶体管共射放大器工作在10.7MHz时,输出电阻R\(_{o1}\)里约为4KΩ~20KΩ,输出电容Co1约为2~8pF,若将它们直接接入①~③端,势必使谐振回路的有载品质因数QL下降过多,影响选择性和增益。故多数情况下用抽头连接,接入系统n\(_{1}\)=N23/N\(_{13}\)(N表示匝数),则相当于并联在整个回路上的前级输出电阻被增大为R'o1=R\(_{o1}\)/n1\(^{2}\),输出电容被缩小为C'\(_{o1}\)=n21C\(_{o1}\),信号电流被缩小为i'o1=n\(_{1}\)io1;中周次级和下一级晶体管的输入电阻和输入电容并联,常用晶体管共射放大器工作在10.7MHz时,输入电阻R\(_{i2}\)约为200~500Ω,输入电容Ci2约为10~50pF,接入系数n\(_{2}\)=N46/N\(_{13}\),折合到初级谐振回路上的并联电阻R'i2=R\(_{i2}\)/n2\(^{2}\),并联电容C'\(_{i2}\)=n22·C\(_{i2}\)。通过接入系数的变换作用,图(c)可等效为图(d),最后将谐振回路的空载谐振电阻Zo也计算在内,将各电阻、电容并联归一可得图(e)所示等效电路。在该图中
=n\(^{2}\)\(_{1}\)·\(\frac{1}{R}\)o1+n2\(_{2}\)·1;Ri2+\(\frac{1}{Z}\)\(_{o}\)……(1)
C\(_{L}\)=n\(^{2}\)1C\(_{o1}\)+n22C\(_{i2}\)+C ……(2)
C\(_{L}\)作为回路的等效电容,比谐振回路原电容C有所增大,通过接入系数n1、n\(_{2}\)的作用,减轻了Co1、C\(_{i2}\)对回路谐振频率的影响。
Z\(_{L}\)作为回路的等效电阻,也称回路有载谐振电阻,它可决定QL的大小。
Q\(_{L}\)=ZL2πf\(_{o}\)L1……(3)
式中,L\(_{1}\)为谐振回路电感,单位μH;fo为中周谐振频率,调频中放f\(_{o}\)=10.7MHz;ZL单位为Ω。得出上述关系后,我们便可以分析中周的两种作用对前后级匹配关系的要求。
首先,做为选频元件,中周要达到一定的带宽和选择性,关键是控制Q\(_{L}\)的高低。QL高,选择性好,但通带变窄;Q\(_{L}\)低,通带宽,但选择性变差,插入损耗也有所增大。它们是
B\(_{1}\)=foQ\(_{L}\)……(4)
A\(_{1}\)=\(\sqrt{1}\)+(2ΔfQLf\(_{o}\))\(^{2}\)……(5)
式中,B\(_{1}\)为带宽;A1为选择性倍数值,Δf为测量选择性时的偏调频率,我国取值为400KHz。计算时,按预想的B\(_{1}\)可求出要求QL最大值不能超过多少,按预想的A\(_{1}\)可求出要求QL最小不能小于多少。然后兼顾两者取中间值即可。而根据公式(3),Q\(_{L}\)由ZL和L\(_{1}\)决定。L1是谐振回路电感,选定回路电容C后,可按谐振电路公式计算得到;Z\(_{L}\)由公式(1)决定,当选定晶体管,已知管子的输入,输出电阻后,则ZL取决于n\(_{1}\)、n2和Z\(_{o}\)。Zo的计算公式如下
Z\(_{o}\)=2πfoL\(_{1}\)Qo ……(6)
Q\(_{o}\)是回路的空载品质因数,主要取决中周的磁性材料和绕制工艺,并正比于L1/C,一般调频中周Q\(_{o}\)=50~100。
第二,做为耦合元件,中周又影响放大器增益和稳定性。当n\(_{1}\)\(^{2}\)/Ro1=n\(_{2}\)2/Ri2时,增益最大。
根据以上分析,计算的基础是必须先知道晶体管输入、输出电阻。查一般晶体管参数表只是给出β、f\(_{T}\)、rbb'、C\(_{C}\)的数值。用这些数值也可以直接计算Ri、R\(_{o}\)等,但公式相当繁琐。因为rbb'、C\(_{C}\)等参数是根据晶体管的物理意义,将晶体管等效为混合π型电路后得到的参数,它们与晶体管工作频率和偏置电流等无关。而我们要采用的晶体管输入电阻Ri和输出电阻Ro等则和工作频率、偏置电流等有关。为此,在中高频调谐放大器中,广泛采用Y参数,它是将晶体管看做一个四端网络,这个网络的输入、输出电阻用导纳形式表示(可理解为电阻的倒数,单位为mS),共射放大器的输人导纳为Y\(_{i}\)、输出导纳为Yo。它们又各包括两部分
Y\(_{i}\)=Gi+jωC\(_{i}\)
Y\(_{o}\)=Go+jωC\(_{o}\) ……(7)
式中G\(_{i}\)、Ci分别是晶体管的输入电导和电容、G\(_{o}\)、Co分别是输出电导和电容。
利用Y参数测试仪可以直接测得在不同工作条件下的C\(_{i}\)、GIo、C\(_{i}\)、Co等数值。有了这四个参数,我们可以直接代入公式(1)和(2),G\(_{i2}\)=1/Ri2;G\(_{o1}\)=1/Ro1;C\(_{i}\)=Ci2;C\(_{o}\)=Co1。部分常用晶体管的Y参数列于附表(有一定测量误差,仅供使用参考)。

此外,附表中还有一个Y\(_{f}\)参数,称为晶体管正向传输导纳,利用它和G参量可以计算从本级晶体管基极到下级晶体管基极的电压增益。
增益K\(_{u}\)=n1n\(_{2}\)YfZ\(_{L}\)……(8)
归纳以上所述,举例说明计算单调谐中周和中频放大器的步骤。
要求:单调谐共射放大器带宽B\(_{1}\)≥300KHz,选择性A1≥2(6dB),增益K\(_{u}\)≥10(20dB)。
已知条件:中周的前后级共射放大器均采用3DG6B管,G\(_{i}\)=2.5mS、Go=0.2mS、Y\(_{f}\)=36mS。
1.根据B\(_{1}\)1确定Q\(_{L}\)
Q\(_{Lmax}\)≤foB\(_{1}\)=10.7;0.3=35.67
Q\(_{Lmin}\)≥\(\sqrt{A}\)1\(^{2}\)-1·\(\frac{f}{_{o}}\)2f
=\(\sqrt{2}\)\(^{2}\)-1×\(\frac{10.7}{2×0.4}\)=23.17
取Q\(_{Lmin}\)≤QL≤Q\(_{Lmax}\),可取QL=30
2.选取回路电容C,计算L\(_{1}\)。C一般在15~150pF之间选取,最常用为51pF、100pF两种。C过大时,L1将过小,于是有可能使回路的Q\(_{o}\)做不高;C也不能过小,否则回路的频率稳定性下降。本例取C=51pF。
L\(_{1}\)=\(\frac{25330}{f}\)o\(^{2}\)·C=25330;10.72×51≈4.3(μH)
3.计算回路有载谐振电阻
Z\(_{L}\)=2πfoL\(_{1}\)QL=6.28×10.7×4.3×30=8668(Ω)
4.实验确定达到L\(_{1}\)=4.3μH时的总匝数,当铁芯在适当位置时,得N13=16圈
5.将N\(_{13}\)=16圈的实验中周接于Q表,将Q表频率调到10.7MHz,测得回路Qo,假设得值为Q\(_{o}\)=90。
6.计算回路空载谐振电阻
Z\(_{o}\)=2πfoL\(_{1}\)QL=6.28×10.7×4.3×90≈26005(Ω)
7.按获得最大增益的匹配条件n\(_{1}\)\(^{2}\)·Go1=n\(_{2}\)2Gi2,利用公式(1)得
n\(_{1}\)=\(\sqrt{Z}\)o-Z\(_{L}\)2·Go1·Z\(_{L}\)·Zo
=\(\frac{\sqrt{26}005-8668}{2×0.2×10}\)\(^{-}\)3×26005×8668≈0.44
N\(_{23}\)=0.44×16≈7圈
n\(_{2}\)=n1\(\sqrt{G}\)\(_{o1}\);Gi2=0.44×0.22.5≈0.124
N\(_{46}\)=n2·N\(_{13}\)=0.124×16=1.98 取N46=2圈
8.验算电压增益。按公式(8)可算得电压增益为
K\(_{u}\)=n1n\(_{2}\)YfZ\(_{L}\)
=0.44×0.124×36×10\(^{-3}\)×8668
≈17(24.5dB)满足要求。
由上例可见,针对所选晶体管实际参数自行设计中周可获得较高增益和所要求的特性,比配用成品中周更合理。做为整机厂还要考虑放大器增益和选择性在大批量生产中的稳定性,故多将放大器增益降低和将选择性提高,这样一旦回路略有失谐不致使中放性能变为不合格。
调频中周结构简单、匝数少,自己很容易绕制。它的结构有调杆形和王帽形两种,都采用NX-40镍性铁氧体,一般采用0.15~0.2mm直径漆包线绕制。用调杆形结构时,先在骨架下方槽内绕进次级N\(_{46}\),再在中间槽绕进初级N23的大部分或全部(以中、上两槽内最后绕进的匝数均匀为限),当有多余时绕进上槽,做完抽头将N\(_{12}\)绕进上方槽内。用王帽形结构时,也是先在铁芯的下方槽内绕次级N46,然后在下方槽内绕进N\(_{23}\)的大部分或全部,有多余时绕进上方槽,抽头后N12全部绕进上方槽。绕制完成后,有条件时,可在绕好的线圈上涂一层薄清漆,可使线圈紧固和防潮,有益于Q\(_{o}\)的稳定性。
陶瓷滤波器
陶瓷滤波器是近年在调频机中使用日渐广泛的一种器件,它有选择性好,不用调整等优点,尤其适合与集成中放电路配用。它是采用压电陶瓷材料制成的。利用压电效应,把输入的电信号转变为机械振动,由始端传到终端,再把机械振动转变为电振荡输出。压电材料的固有谐振频率由它的几何尺寸等决定,当输入电信号的频率与它的固有谐振频率一致时,输出最大。这便是它能成为带通滤波器的原理。
调频中放一般采用三端式陶瓷滤波器,其外型、特性曲线和等效电路如图②所示。国产陶瓷滤波器有LTB—10.7等型号产品,其带宽约为230~330KHz,选择性大于20dB,插入损耗≤8dB,最佳匹配阻抗约300Ω,按中心频率准确度分档,用色点标注。

使用中应特别注意按陶瓷滤波器给定的匹配阻抗和前后级电路配接。过大、过小都会影响选择性曲线的形状和增益。图③为常用配接电路的几种形式,其中,(a)图为与分立元件共射放大器的典型配接电路;(b)图为与集成中放D7640AP(TA7640AP)或其它类似集成中放的配接电路,图中R\(_{1}\)、C1也可不用,但不便于调整选择性曲线的形状;(c)图为(a)图电路的另一种接法,当BG\(_{1}\)集电极负载电阻R1较大时,可在陶瓷滤波器输入端串联电阻R\(_{2}\)用以提高滤波器相对BG1输出端的阻抗,以达到匹配。图中有*号的电阻可用来调整曲线的形状,用BT—3类扫频仪或调频中频图示仪接入陶瓷滤波器前后级放大器两端,能观察到如图②所示选择性曲线,调整*号电阻,曲线顶部通带内波动会变化,增益也会随之变化,以曲线顶部接近馒头形为最佳。此外,陶瓷滤波器的1、3端可以互换使用,不过有些型号的陶瓷滤波器,1、3端互换使用后曲线形状略有不同,宜择优决定。

在调频机用的其它中频滤波器中,声表面波滤波器有群延迟特性好的优点,一般优于±0.2μS(国产陶瓷滤波器实测群延迟时间约为±0.5μS),但缺点是插入损耗很大,近20dB,需多用一级共射放大器补充增益,另外体积也较大;晶体滤波器则是一种插入损耗小、群延迟特性好的中频滤波器,但价格昂贵。这两种滤波器,目前国内还采用不多。(高迺康)