北京广播电视配件七厂原名北京海淀电器厂,该厂生产的部分中频变压器特性参数已列于封三,它们的接线图见45页。另外该厂生产的部分调频段用中频变压器数据见附表。



中频变压器的主要电参数有初、次级阻抗比、通频带(也称通带)、选择性(也称阻带)、电压传输系数等,现简单说明如下:
(一)初、次级阻抗比:
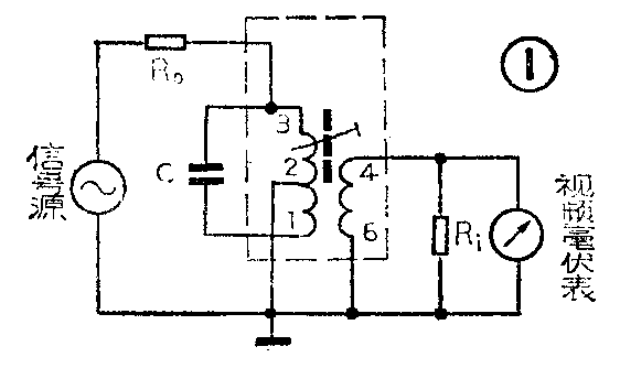
在中频变压器的初次级接入适当的负载阻抗R\(_{o}\)和Ri(如图1),使初次级的阻抗达到完全匹配的情况下,负载阻抗R\(_{o}\)与Ri之比称为初、次级阻抗比,可用下式表示:
初级阻抗R\(_{o}\)=2Z(n1;N)\(^{2}\)·Q\(_{L}\);Qo-Q\(_{L}\)(Ω),
次级阻抗R\(_{i}\)=2Z(n1;N)\(^{2}\)·Q\(_{L}\);Qo-QL(Ω),
式中: N为初级总数, n\(_{1}\)为初级抽头圈数,n2为次级圈数,Q\(_{0}\)为空载Q值,QL为有载Q值;Z为谐振阻抗,(Z=2πf\(_{L}\)· Q0=Q\(_{0}\)/2πfC)。在实际电路中,R\(_{0}\)及Ri就是本级管子的输出阻抗及下级管子的输入阻抗。在阻抗匹配的情况下,中频变压器将工作在最佳状态,此时传输效率最高。

(二)电压传输系数:这是反映中频变压器传输中频信号效率的参数。按图1电路接线,图中R\(_{0}\)为初级输出阻抗;Ri次级输入阻抗。当在初级线圈N\(_{2}\)-3输入频率为465KHz的电压V1时,在次级N\(_{4}\)-6可测得电压V2,则V\(_{1}\)/V2的比值称作电压传输系数。改变初级抽头圈数或次级圈数,可以得到不同的电压传输系数。
(三)通频带:它定义为:当回路的电压降至谐振电压的0.707时的频率范围(参看图2)。中频信号并不是单一的频率信号,而是一个频谱,这就要求中频变压器对一定频率范围内的各种频率都有良好的放大作用。在按图1接线后,初级输入465KHz的信号电压,调节中频变压器的磁帽,使次级输出电压指示最大,即达到谐振。然后向左再向右偏调信号源的频率,使输出电压降至谐振电压的0.707,可测得左右偏调频率值f\(_{1}\)及f2,则通频带△f=f\(_{2}\)-f1,如图2所示。

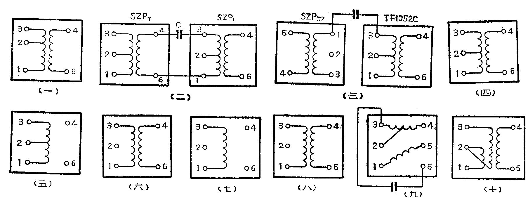
封三表格备注一栏内,写上电容内附,这是指谐振电容C直接装在中频变压器的底座中。
下面对封三表格中几种型号作简要说明:
(1)SZP\(_{1}\),其中S表示外形尺寸为10×10×13(毫米);Z表示中波段用,P表示中频变压器,1表示产品设计序号为第1号。
(2)TF101001,其中T表示中频变压器,F表示调幅广播用,1010表示外形尺寸为10×10×13。
(3)TF10243,其中10表示外形尺寸是10×10×13,2表示谐振电容是200P,4表示初级阻抗值第四种,3表示次级阻抗值第3种。
(4)TF1010-03,其中1010-表示外形尺寸为10×10×10,03表示设计序号是第3号。
(5)TF7-12,表示外形尺寸是7×7×12的调幅广播用的中频变压器,其厂内设计序号是第12。
(6)TP1008,表示外形尺寸是10×10×13的调频用的中频变压器,其设计序号是8号。
(7)TPJ1007,表示外形尺寸是10×10×13的调频段用于鉴频的中频变压器,设计序号是7号。(徐有为)