砷化镓红外发光二极管是用砷化镓材料经半导体工艺加工而成的,外形见图1、图2、图3。它和磷化镓、磷砷化镓、镓铝砷发光二极管的发光原理一样,即给发光二极管注入一定的工作电流它就会发光。所不同的是磷化镓、磷砷化镓、镓铝砷发光二极管发出的光呈红色、绿色、黄色等,它们的光谱范围在0.55~0.7微米范围内是可以看得见的光,而用砷化镓制成的发光二极管发光波长在0.93微米,是近红外光,人的眼睛是看不见的。

种类与特点
砷化镓发光二极管属半导体器件,它的体积可以做得很小,所以重量轻。发光管的功耗低,使用寿命长、发出的光均匀稳定。目前砷化镓发光二极管按功率大小可分为小功率管(HG400、410系列)、中功率管(HG50系列)和大功率管(HG52系列)三种。小功率管发光功率一般在l~2,5毫瓦,中功率管发光功率在10~100毫瓦;大功率管发光功率在100~500毫瓦以上。随着发光管发光功率的提高,相应的体积增大,工作电流需加大。
用途
砷化镓红外发光二极管的主要用途是做光源。许多光敏器件如硅光电二极管、锗光敏二极管、硅光电三极管、砷光电池等它们离不开光源。目前光源的种类很多,如各种白炽灯、激光器、太阳光等,但它们存在一些缺点。例如白炽灯它的亮灭响应速度慢,不能用来做脉冲光源。砷化镓发光二极管的响应速度一般在10\(^{-}\)6~10-7秒,因此应用范围就广泛了。如用激光器做光源,具有独到之处,但它的电源复杂,目前来说激光器的使用寿命还不长,更经不起震动,这些都比不上砷化镓发光二极管。另外砷化镓发光二极管发出的光,人的眼睛看不见,这就具有很强的保密性,因此在防盗报警以及其它安全装置中被广泛应用。砷化镓发光二极管发光均匀、稳定,又被广泛用做精密仪器、设备光电转换的光源。
使用方法
砷化镓红外发光二极管主要电参数有工作电流、最大工作电流、正向压降、反向耐压、发光波长、发光功率等。这几个指标一般生产厂家的产品目录上均有注明。砷化镓红外发光管的正向压降一般在1.3~2.5V范围内。这种管子是电流驱动器件。直流电流下使用小功率红外发光二极管的工作电流在10毫安左右,最大不超过50毫安。中功率红外发光二极管的工作电流为20O毫安,大功率红外发光二极管的工作电流为3安培。砷化镓发光二极管的反向耐压值不小于5伏。在使用交流电源情况下,如负半周的电压较多地超过反向耐压值会损坏管子。这种情况下必须在发光管旁并联上一个反接的二极管,只允许正向电流通过发光管即可。在管子工作电流手册中给出的是直流工作状态下的参数,如改变电源为脉冲信号源,可根据占空比(亮、灭的比例)来计算加大管子的工作电流,从而提高发光管的发光强度,这样不会影响管子的使用寿命。

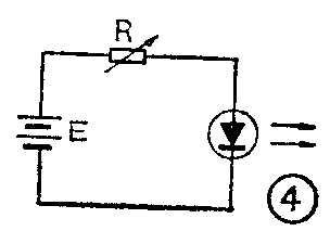
发光二极管的基本使用电路如图4所示。图中R的阻值可由下式决定:
R=\(\frac{E-U}{_{F}}\)I
式中E表示电源电压,U\(_{F}\)表示管压降,它们的单位为伏。I表示发光管工作电流,单位为安培。
砷化镓发光二极管发出的光眼睛看不见,是否发光、发光是弱还是强,发光的范围(角度)大小等问题可用图5所示方法来鉴别。

按照工作条件接通电源后,用光敏器件如硅光电池(2CR或2DR)做光的接收器件。万用表可放在电压1伏档,因为硅光电池开路电压最大在0.6伏。万用表也可放在适当的毫安档,因硅光电池的短路电流每平方厘米可产生16~30毫安电流。发光管的发光面直接对准硅光电池,让硅光电池不受其它光或少受其它光的影响。如这时电表指示有变化,说明红外发光管已经发光。根据电表指示的大小,可以检测发光的强弱。把发光管的发光面与硅光电池按一定角度变化,可检测出发光的范围。改变硅光电池与发光管的间距可检测出发光的最远控制距离。
使用注意事项
①散热问题:HG400、410系列小功率发光管因工作电流只在10毫安左右,电流较小,可以不考虑散热问题,但用在最大工作电流(50毫安)时,或用于脉冲线路中电流更大时,对器件的寿命有影响。中功率发光二极管、大功率发光二极管的工作电流比较大,使用时应根据实际使用电流的大小考虑是否加散热片以及根据电流大小设计散热片的尺寸。
②加聚光透镜问题:砷化镓红外发光二极管HG400、410系列的发光面都加有玻璃透镜。透镜本身有一定的放大倍数。HG50、HG52系列中、大功率管,管芯装在管座上,没有另加管帽进行封装。一般用做光源近距离可不加透镜,但应防止管芯受潮、机械损伤和弄脏。对中、大功率发光管加聚光透镜后不仅可增加光控距离,同时又是一种封装保护。(程春生)