图象中频电路上承高频头下接视频检波电路,是电视广播信号的必经之路。由于它与视频检波、预视放、AGC等电路相互联系比较紧密,并且在集成电路电视机中,这几部分电路都是做在一块或两块集成片内,因此在检修时,常常把这几部分电路放在一起检查和分析。这部分电路的方框图如图1所示。图象中频电路的故障在整个电视机中,所占的比例并不大,但是由于它的技术要求较高,工作频率也高,因此在检修时,应注意以下几点:

1.图象中频电路的频率特性是靠各电感线圈的调整来保证的,这些电感线圈在电视机出厂前已用仪器校准,并且在使用中是不会发生较大变化的,因此在检修时,特别是业余无仪器的情况下,不要随便调整中频电路的各调谐线圈,以免把电路的频率特性调乱。
2.图象中频电路信号弱,容易受外界干扰,一般电视机中都采用屏蔽措施。在检修时如果打开和拆下屏蔽罩,要小心操作,以免滴入焊锡,造成短路。检修完毕,要及时装好屏蔽罩。
3.国产电视机各调谐电感的磁芯,在出厂前已调准,并用蜡封固,以防松动而改变中频特性。因此在检修中调整时,要先用烙铁加热,使磁芯松动后再调整,不要强行用力拧。另外,各种线圈可调磁芯的中心孔的形式很多,有三角孔、四方孔、小六方孔、大六方孔及一字形槽等,调整时要用特制的,适合调整孔形状的非金属棒进行调整,不要随便用不适当的工具去调,以免损坏磁芯。调整完毕,要用蜡加热封固。
一、检查方法
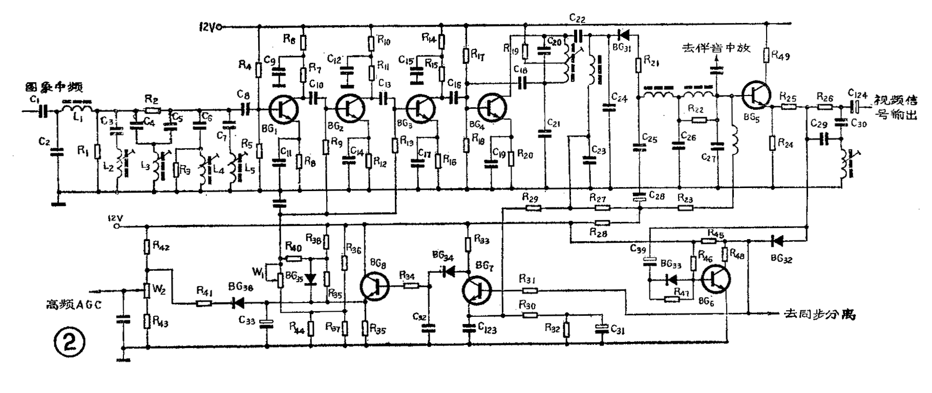
图象中放电路的检修,可分为静态检查和动态检查两种,所谓静态是指电路未加入图象中频信号时的工作状态,而动态是指加入图象中频信号后的工作状态,下面我们以北京牌842型电视机(电路如图2所示)和北京牌860型电视机(电路如图3所示)为例,介绍这部分电路的检查方法。


(一)静态检查:
静态检查主要是检查电路的电源供电是否正常;晶体管或集成电路本身是否正常;晶体管的静态工作点是否正确等。对于图2分立元件电路,各级晶体管各脚对地直流电压和对地电阻的正常值已列在表1,一般要求晶体管BE之间的正向偏压约为0.2~0.7V左右,CE之间的电压在0.4V以上。对图3集成电路,两块集成电路各脚对地直流电压和电阻的正常值已列于表2,通过测量集成电路各脚对地直流电压和电阻,可以判断集成电路工作是否正常。
(二)动态检查:
1. 用万用表检查电路的关键部位:图象中放电路由静态工作状态进入动态工作状态时,有些部位的直流电压就会跟着发生相应的变化,在检修时,根据这些变化,可帮助分析和判断故障部位。在图2电路中,应注意检查预视放管BG\(_{5}\)的基极和发射极电压、第二中放管BG2、第三中放管BG\(_{3}\)基极电压(中放AGC电压)和高放AGC电压。如果电路正常,加入信号后,BG5的基极和发射极直流电压将下降0.6~1V,BG\(_{2}\)和BG3的基极直流电压将上升1V以上,否则,则说明电路异常。在图3电路中,要重点检查HA1167电压(视频检波输出)、⑧脚电压(中放AGC)、和HA1144⑧脚电压(中放AGC)、脚电压(高放AGC)。这几个关键点电压变化情况,请看表2。
由于AGC电路和中放电路相互影响很大,所以在检修时,如果上述这几点的直流电压都不正常,可改用人工AGC的方法,切断高放电路、中放电路与AGC电路之间的联系,给高放和中放电路分别加人工AGC电压,这样就排除了AGC电路的影响,因而能比较准确的确定故障是否在中放电路中。人工AGC的具体方法,在本讲座前文中已介绍过,这里就不再重复。
2.用信号注入法划分故障范围:将图象中频信号,逐级加入图象中放电路,并观察荧光屏上的图象显示是否正常,可以检查出中放电路哪一级工作不正常。信号注入的方法如图4所示。正规的方法是用图象中频信号发生器输出一个已调制的图象中频信号,经隔直流电容后,自中放第一级向后逐级给基极加入信号,当前一点加入时,荧光屏上无信号反应,而加在后一级时,荧光屏上有明显的反应,则说明故障在两个加入点之间的电路里。信号加入的顺序,也可以自末级中放基极,逐极向前移动加入点,检查方法同上。

如果没有相应的仪器,可按图4虚线所示的方法,用电源整流器产生的脉冲信号来代替已调的中频信号,由于脉冲信号包含了各种频率成份,因此,根据荧光屏上有无杂波反应,即可判断故障部位。
3.用扫频仪测试中频电路的频率特性:用示波检查中频放大电路的动态工作情况,只能处理图象的有无等明显的故障,而对于图象质量不好、伴音干扰图象、电路频带宽度不够、中频增益不够等原因造成的故障,就难于辨别,在这种情况下,最好用扫频仪测试和调整图象中频电路的频率特性和增益,测试的方法如图5所示,具体操作步骤请参看本刊1983年6期21页。对于图3所示的集成电路组成的中放电路,可用扫频仪测试HA1144的脚、④脚、HA1167的①脚、③脚和的频率特性,来判断图象中放电路的工作是否正常,其中HA1167的,应用开路线测试,正常的中频特性大致如图6所示。


在业余条件下,如果不具备扫频仪,但又要调整图象中频,可以找一台与被检修电视机电路和元件完全相同的正常电视机,细心观察和记录它的中频电路上各调谐线圈的磁芯位置,即磁芯外露多少或调进去多少等,然后按照上述记录,把被调电视机的各相应线圈的磁芯位置调好,打开电视机接收电视信号,同时观察荧光屏上的图象,收听伴音,然后再把各线圈的磁芯,在预先放好的位置上左右小范围的调整,直到图象和伴音都正常为止。
二、故障检修举例
例1:北京牌842型黑白电视机,故障现象是:不接天线时,有光栅、无图象、无杂波;接上天线后,有很微弱的图象,但不同步。
首先送入不同频道的电视信号试看,故障现象都一样;代换同类型高频头,仍不好,说明故障不在高频头内。再从预视放基极进入视频信号,荧光屏上图象正常,说明视频放大电路工作正常,这样故障范围就缩小到图象中放和AGC电路。
第二步,测量各晶体管的直流工作电压,发现第四级中放晶体管各脚直流电压与表1中的数值相差较大,实测数据:E脚为0V(正常为1.9V);B脚为2.7V(正常为2.6V);C脚为12V(正常应为11.3V)取下晶体管检查,发现基极与发射极断极,更换新管后,故障排除。
例2:菊花牌311型黑白电视机,故障现象是:无图象;无伴音;无杂波。
首先自天线送入各频道的高频电视信号,结果荧光屏上无反应,再用图4所示的方法,用脉冲信号去触碰中放电路各晶体管的基极,同时观察荧光屏上的反应,触碰预视放管基极时,荧光屏上有黑色横带条纹闪动,触碰检波二极管的正极和负极,反应也正常,触碰第三级中放管基极时,荧光屏上无反应,因此确定第三级中放有故障。
第二步检查第三级中放管的静态工作状态,先测量各脚直流电压,E脚为0.8V,B脚为1.6V,C脚为1.3V,从电压看,集电极电压很低,然后按照直流馈电电路的元件连接顺序检查其电压情况,中周2L\(_{5}\)的输出脚电压为1.3V,直流电压输入脚为12V,说明2L5有12V输入,没有12V输出,关机后用万用表(R×10档)测量上述两脚之间的阻值为无穷大,正常阻值应是接近零,由此判断出中周2L\(_{5}\)内部断线。换用北京牌842型电视机的中周L6后,故障排除。
例3:北京牌860型黑白电视机,故障现象是:水平和垂直都不同步,调整行、场同步旋钮,可以得到同步点,但同步后的图象扭曲严重,如图7所示。

从故障现象来分析,由于水平、垂直都不同步,并且调整同步后图象扭曲,说明故障在公共电路内,即图象中放、AGC电路、同步分离电路内。为了区分故障范围,自HA1167的加入全电视信号,故障现象仍然不变,说明故障不在图象中放、视频检波等电路内,而在HA1167以后的电路内,即视频放大、消噪电路、同步分离等部分,而这些部分都在集成电路内部,所以,第二部测量HA1167各脚对地直流电压,与表2对照,发现第⑩脚的电压变化较大,正常消况下,有信号时为2.1V,无信号时为0.8V,而实测结果,有信号时为5.1V,无信号时为0V,故怀疑集成电路内部有问题,更换HA1167后,故障仍未排除,说明故障不在HA1167内部,而在其外围电路。再测HA1167各脚对地电阻。发现第⑦脚阻值不对,正常时,R\(_{+}\)=8.5K,R-=30K,而实测阻值R\(_{+}\)=10K,R-=∞,进一步检查第⑦脚外电路元件,发现L\(_{1}\)0内部断线,更换L10后,故障排除。


此故障在处理过程中,走了一点弯路,即在发现HA1167第⑩脚对地电压不正常后,不应匆忙更换集成电路,而应再测量一下集成电路各脚的对地阻值,如果对地电阻不正常,应检查外围电路元件,外围元件都正常,再更换集成电路,这样处理比较合理。

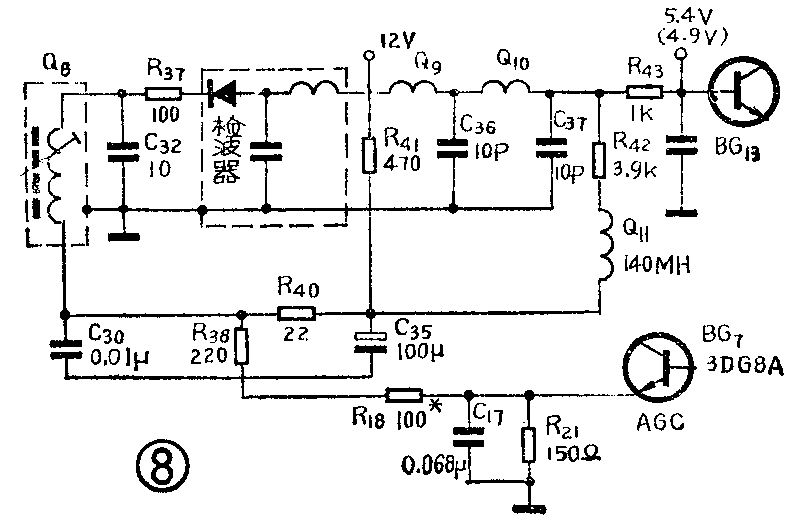
例4:凯歌牌4D8型黑白电视机,故障现象是:有时无伴音、无图象。检查时触碰和敲击底板,电视机即能正常工作一段时间、很快又出现无伴音、无图象的故障,这时若不接天线,荧光屏上无杂波,接上天线,有一点杂波,调整高频微调旋钮,杂波逐渐增大,最好时,荧光屏上有微弱的图象。将万用表放电压档,用表笔触碰视放输出管的基极,荧光屏上有刺激杂波反应,再触碰预视放管基极,荧光屏上无反应,说明故障在预视放电路中。测量预视放管各脚直流电压,E脚为0V,B脚为负7V,C脚为11.8V,说明预视放处于全截止工作状态。为了便于分析故障原因,我们在图8给出该电视机视频检波和预视放电路。可以看出,预视放管基极电压是由两个因素决定,一是视频检波二极管产生的负压,二是由R\(_{41}\)和R40、R\(_{38}\)、R18、R\(_{21}\)串联分压后得到的大约为6V的正电压,两个电压合成后,使预视放基极得到一个大约为5V左右的正电压。如果由于某种原因使分压取得的+6V电压变小,则视频检波二极管反偏置减小,反偏量减小后,二极管整流作用变大,整流后得到的负电压就会加大。分析了上述原因之后,再测量一下预视放基极电路,参看图8,正常时Q11两端的直流电压为6V,而现在只有0.5V,正常时R\(_{4}\)0左端应为5.8V,现在R40左端为0.1V,这说明偏置电路有问题,怀疑电阻变值或电容漏电,故把R\(_{41}\)、R38、C\(_{35}\)、C30、Q\(_{11}\)从电路上脱开,由于分压电路已被破坏,R40两端对地电阻应为无穷大,而实测R\(_{4}\)0右端对地电阻为0.4K,左端对地电阻为0.02K,说明R40左端可能有接地现象,细心检查电路板,发现在按装元件的一面,R\(_{4}\)0处有一根长10mm左右的裸线头与中周Q8外壳相碰,焊下该线头,恢复上述各元件,电路工作正常。(李福祥 汪锡明)