ULN—2204单片式收音机集成电路具有灵敏度高,解调输出大,波段转换方便及外围电路简单等优点。本刊1983年第3期介绍了“AM/FM单片集成电路收音机”一文以来,许多读者用2204电路装置了调频调幅两用收音机。这里再向大家介绍几点经验。
1.组成立体声调谐器。用2204装成的收音机,调频接收部分实测有较好的电性能,通频带大于200KHz,鉴频输出大于200mV(75KHHz),S曲线直线段大于300KHz。这些指标对加接立体声解码器是很有利的,再配合一块LA3361及相应的外围元件,便可方便地组成立体声调谐器。
LA3361是锁相环立体声解码集成电路,常用于中高档立体声收录机,国内已有不少厂家生产。它最突出的优点是:灯启电平低(7mV),调整方便,较适合业余爱好者使用。
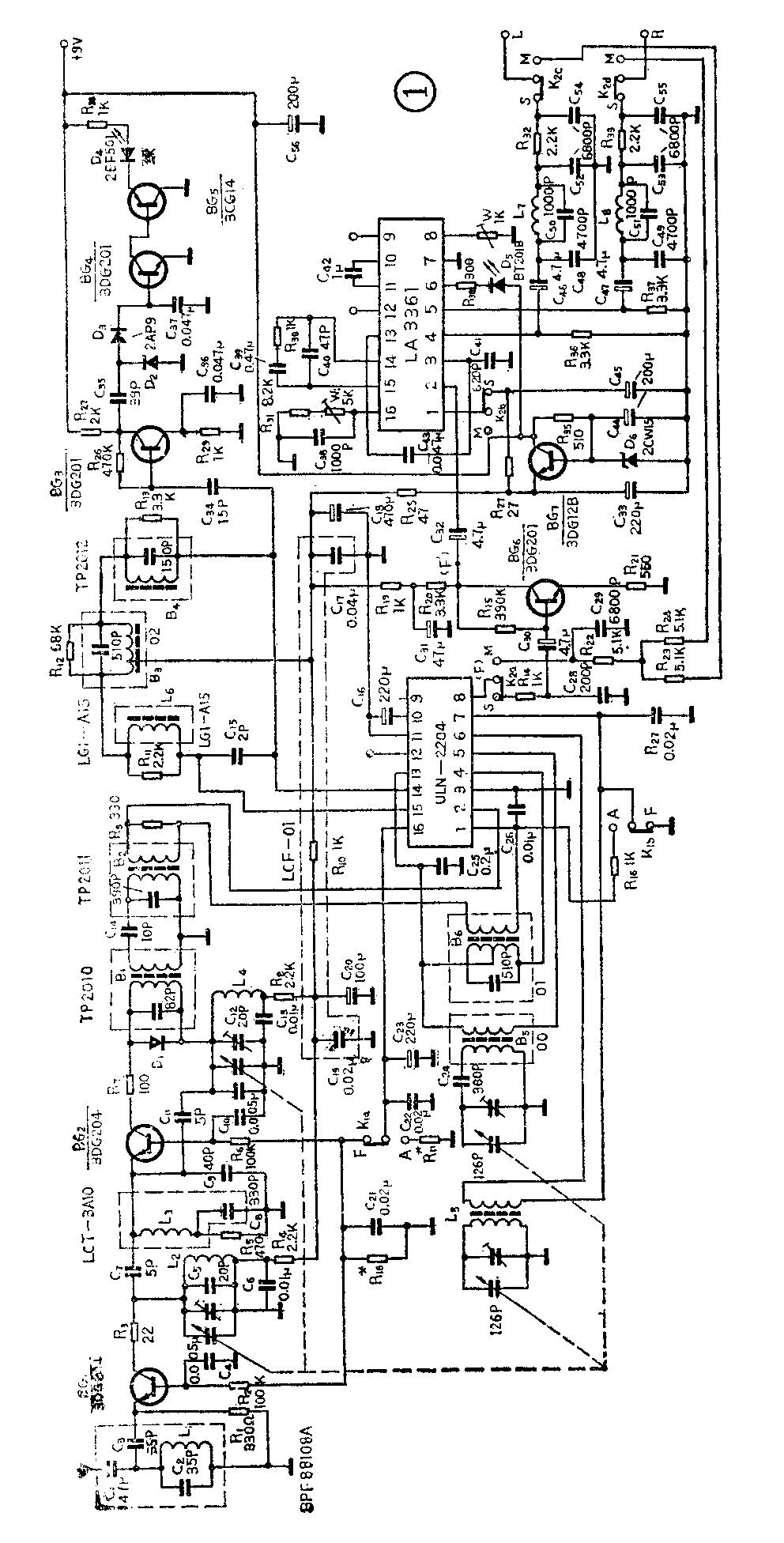
图1是用2204及3361组成的调幅调频立体声调谐器的完整电路。K\(_{2}\)是立体声或单声道控制开关,通过K2c、K\(_{2d}\)将立体声信号送到音频功率放大器,可作为家庭音乐中心的高质量声源。图中BG6及R\(_{14}\)、R15、R\(_{19}\)~R21、C\(_{28}\)、C30、C\(_{31}\)共同组成复合信号放大器,增益为10dB。如果接收点离广播电台不十分远,这一级可以不加,而将C32正极(即F'点)直接与K\(_{2a}\)的S点联接。图中音频输出部分的L7、L\(_{8}\)可以选用40mH的色码电感。调试方法可参考本刊1983年第3期第7页和第8期第7页,本文不再赘述。

2. 加装调谐指示电路。BG\(_{3}\)~BG5、D\(_{4}\)组成调谐指示电路。信号由2204第14脚经C34耦合到BG\(_{3}\)基极,放大之后经D2、D\(_{3}\)倍压整流,控制BG4工作状态。当信号大于7mV(调频)以及大于1mV(调幅)时,BG\(_{5}\)均可导通,发光二极管点亮。指示灵敏度可以通过改变C34、C\(_{35}\)进行调整。由于指示电路的接入,对中频槽路有一些影响,所以还应调整一下B4\(_{3}\),使音质恢复到最好状态。安排印板走线时应注意C34至2204的14脚之间引线尽可能的短。D\(_{4}\)可以通过导线接到整机面板上。BG3、BG\(_{4}\)尽可能选用β高的管子,以提高指示灵敏度。静态只需调整BG3,使其静态电流为1mA左右,其余不用调整。
3.与ULN2204配套的几种电感元件。
①BPF带通滤波器:外型见图2,这是一种小型LC组合元件(图3),它可以取代图1中的C\(_{1}\)、C2、C\(_{3}\)及L1,并具有图4所示幅频特性。由于四只元件组合在一起,减小了引线造成的分布参数,使工作稳定可靠。BPF88108A就是专为该电路设计的。



②LCT—3A10型10.7MHz降波器:是选用Q磁芯线圈特殊设计的,内附电容,调谐于10.7MHz上,不需调整,吸收频率准确,衰减量可达35dB以上,如图5所示。它与分立元件相比,不仅体积小,可靠性高,并能提高整机混频增益和中抗比,具有显著的优越性。其外型见图6,内电路见图7。它可直接代替图1中用分立元件L\(_{3}\)、C8组成的10.7MHz陷波器。



③LCF型低通滤波器:它可以滤除直流电源线上的各类干扰信号,也可以消除各级之间的不良耦合。它由一只电感两只电容组成,如图8所示。它可以直接代替图1中的C\(_{17}\)、C19、R\(_{1}\)0组成的滤波器。由于磁芯线圈的直流内阻比图1中R10(1KΩ)小得多,所以降压性能很好(见图9)。其外形见图10。由于它内电路对称,所以不分极性,在整机电路中使用很方便。



④AM/FM中频变压器:图1中的B\(_{1}\)(TP2010)、B2(TP2011)、B\(_{4}\)(TP2012)是调频波段的中频变压器,均调谐在10.7MHz上。TP2010的Q0值大于80,配82pF电容;TP2011的Q\(_{0}\)值大于80,配390pF电容;TP2012的Q0值大于80,配150pF电容。调幅中周B\(_{6}\)3分别采用美通01、美通02,均调谐在465KHz上,Q\(_{0}\)均大于70;均配5l0pF电容。
此外,图1中美通00型中波振荡线圈是配2×126pF双连电容的。还有美通LTF—2—3中波振荡线圈可配2×270pF双连电容器。美通LS1210短波振荡线圈可配2×270pF双连电容器。图1中的L\(_{6}\)是调频段的检波线圈可用LG1—A15代替。以上各种线圈均为上海无线电二十八厂专为ULN—2204单片集成电路设计的,可供设计人员选用。此外,图1中的L2、L\(_{4}\)可以自行绕制,方法是:选择直径为φ0.8mm的漆包线,以φ4mm钻头为骨架,L2绕3.5圈,L\(_{4}\)绕2.5圈,然后将钻头抽出,做成空心线圈,在线圈中塞进一点泡沫塑料,待调整完毕,向泡沫中灌进高频蜡,以防日久松动。(张剑儒 许祖佑)