目前,常用调频中放电路按构件不同可分为分立元件电路和集成电路两类。这两类调频中放的电路程式和单元放大电路的形式,以及配用的中频滤波器均有所不同,故将它们分开介绍,并各选几种有代表性的实用电路加以分析。有关制作与调试问题,将在讲完鉴频器及辅助电路以后,专辟一讲讲述。
对调频中放的主要要求
中频放大器最为整机提供足够增益、选择所需信号和抑制干扰的重要部件。它在整机中处于承前启后的地位。根据它在整机中的作用和调频信号的特点,对它有如下主要要求:
1.足够的增益:中放的电压总增益是由整机灵敏度指标及限幅特性所决定的。整机的单声、立体声实用灵敏度虽然主要取决于调频头的噪声系数,但它是以中放有足够的增益为基础的。调频中放增益与整机灵敏度的关系可以用如下粗略的方法进行估计:中放的后级是鉴频器,一般鉴频器需得到50mV以上的中频信号才能正常工作,而前级调频头的增益约为20dB(10倍),若某机要求灵敏度优于5μV,则中放增益至少应为60dB(1000倍),若要灵敏度高达1μV,则中放增益应达到75dB(5000倍)以上。不过应注意,在调频机中不像调幅机那样有绝对灵敏度的概念,所以上述估算仅是整机灵敏度的基础,不能称为整机绝对灵敏度。
2. 良好的限幅特性:限幅特性主要指中频限幅器对调频波起伏干扰的限制能力,与调幅机相比,这正是调频机的特点和优点。正是由于调频中放有限幅特性,才使调频机的抗干扰能力远优于调幅机,同时放音信噪比得以提高17dB(另外调频广播预加重比调幅广播预加重可提高信噪比5dB,总共提高22dB)。因此,使接收机尽早进入限幅状态和具有良好的限幅特性是十分重要的。前者主要取决于中放增益和限幅器的限幅电平,后者取决于限幅电路的形式和电路设计。限幅特性,对分立元件电路来说,一般是由末级中频放大器和比例鉴频器共同体现的,对集成电路来说,则主要由差分放大器构成的中放电路体现。
3. 足够的通带和良好的带内传输特性:对调幅机来说,中频通带宽度主要影响放音频响,这是大家熟悉的。但在调频机中,中频通带和带内传输特性,却主要影响放音信号的谐波失真,对立体声机则又影响分离度。大家知道,中频滤波器是一种谐振电路,他们仅对频率与其谐振频率相等的信号呈现为纯电阻性,而对高于或低于其谐振频率的信号则呈现为感性或容性,这种感性与容性将引起被传输信号的相位变为滞后或超前。当滞后与超前的相位变化相对不同频率呈线性关系时,通过中频滤波器的各个频率分量便会同时到达解调端,否则便会有先后。中频滤波器的这种特性被称为群延迟特性,用群延迟时间表示,意即通过滤波器的一群单频率信号被延迟的时间差异的大小。在第一讲曾讲过,调频波与调幅波虽然都是由许多单一频率的分量构成的,但调频波的频谱分布不同,谱线有无穷多个,各调制频率的谱线是相互穿插的。这种波的各个频率分量若不能同时到达解调器,则合成波的波形发生畸变,解调后的信号便会出现波形失真。若解调波是立体声复合信号,则复合信号由主、副信道和导频信号三者之间便会出现相位差或幅度差,这些差值立体声解码器很难弥补,最终会引起分离度降低。因此,要求中放通带不但要宽,而且带内的群延迟时间要小。高档机要求群延迟小于±0.2μS,通带≥180KHz(立体声机理论要求通带B≥241KHz,实际上由于原始节目中高音域的功率谱密度很小,即使经预加重后也比中低音域小,实际要求B≥198KHz),此时谐波失真可达0.1%以下,分离度达40dB以上。业余条件下,一般难以测量中频滤波器的群延迟特性,则要求中频选择性曲线的形状在通带范围内呈馒头形最好,要避免双峰或平顶等。
要求通带宽度与提高整机灵敏度是一对矛盾。通带宽,机内噪声大,整机灵敏度降低,这在第二讲调频头电路一节计算整机灵敏度的公式中已可看出。因此,普及机兼顾灵敏度和保真度时,通带宽度多选取比上述值小些。
4. 一定的选择性:调频机的中频选择性和调幅机一样,也主要是用来滤除邻道广播干扰和杂散干扰。调频广播频率分配邻道间隔有100KHz、200KHz、300KHz、400KHz多种。由于超短波广播传输距离短,同时我国调频电台还不十分密集,而整机选择性和带宽有一定矛盾,对业余制作调频机来说,选择性不是主要要求,一般有12dB(4倍)以上即可,重点宜放在带宽和传输特性上。
电路程式
由于上述要求,使调频中放的电路程式及处理信号的特点与调幅中放相比有些不同。
首先,为了达到一定增益,调频中放的级数变化较多,最简单的只有一、二级,最常用的是三级中放,而复杂的则达四、五级以上。并且每一级放大器不一定都是调谐放大器。当中放级数较多时,若每级都采用调谐放大器,势必会使中频通带变窄,达不到带宽要求,因此,有时辅以RC耦合中频放大器。
其次,为实现限幅,调频中放不加自动增益控制,使得到达后级中放的信号幅度很强。电路在强信号状态下工作时的稳定性问题较多,需加一定措施。
以下列举图1至图3电路实例加以说明,请注意这三种电路程式上的异同。

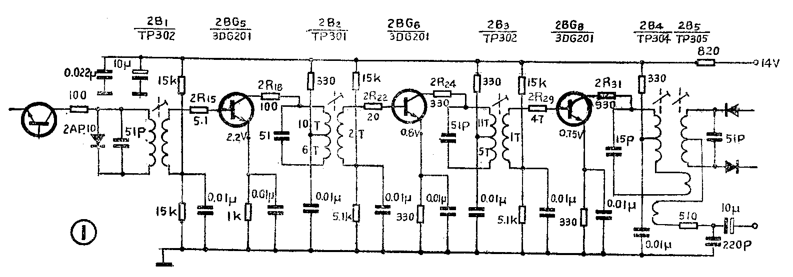
先看图1,这是凯歌牌4PL1型台式立体声收录机的调频中放电路。它采用三级单调谐放大器的程式,总增益约为60dB(1000倍)。注意一中放(2BG\(_{5}\))未加AGC电压,它与后两级一样,基极均为固定电压偏置。这样一来,进入末级中放的中频信号强度会超过放大器的线性范围,强到一定程度时(一般到达2BG8基极信号强到100mV时)末级中放将进入限幅状态,使得末级中放实际成为限幅放大器。同时,该机各级中放的静态电流设计得比调幅中放大(大于2mA,用射极电阻值除各管射极所标注的直流电压即可算出射极静态电流),这是为获得高增益所采取的措施之一。从电路上看,另一点与调幅机显然不同的是:放大管基极、集电极上串有阻尼电阻,也称隔离电阻(见图中2R\(_{15}\)、2R18、2R\(_{22}\)、2R24、2R\(_{29}\)、2R31)它们是为提高调谐放大器在强信号作用下的稳定性而设置的,是调频中放最常用的一种措施。众所周知,半导体放大器的输入输出特性在强信号作用下会发生变化,尤以限幅时的变化最大。其中电抗成分的变化会引起谐振回路失谐。在回路与管子集电极、基极之间串入电阻,可以减轻管子电抗变化对谐振回路的影响。这是提高稳定性的一重意义,另一重含义是抑制放大器的自激。当调谐放大器正好调谐在信号中心频率上,调谐回路的阻抗呈现为纯电阻性。也就是说,这时集电极的负载相当于一个纯电阻,输出与输入电压的相位差是180°,通过管子内部集电极和基极之间的结电容C\(_{cb}\)产生的反馈是负反馈。此时,仅使放大器的放大量略有下降,并不影响稳定性。但是,当接收机略有偏调,中频信号频率低于调谐回路的谐振频率时,通过Ccb产生的反馈会变成正反馈。正反馈大到一定程度时,放大器便产生自激。串入阻尼电阻可以抑制这类自激。一般集电极串100~680Ω,基极串10~100Ω。取值大,隔离作用好,但放大器增益牺牲较多。取值大小,以及哪几级要串电阻,常通过实验决定。调频中放自激时放声端出现的现象与调幅机不同,调幅机自激时是一种啸叫声,而调频机严重自激时则是无声,这是调频中放的“俘获”现象,即等幅的自激振荡抑制了有用的调频信号;轻微自激时,则会使放声端噪声明显变大。严重自激时用图示仪观察不到中放选择性曲线;弱自激时,曲线上会出现寄生尖峰或楞角、波纹等不正常现象。
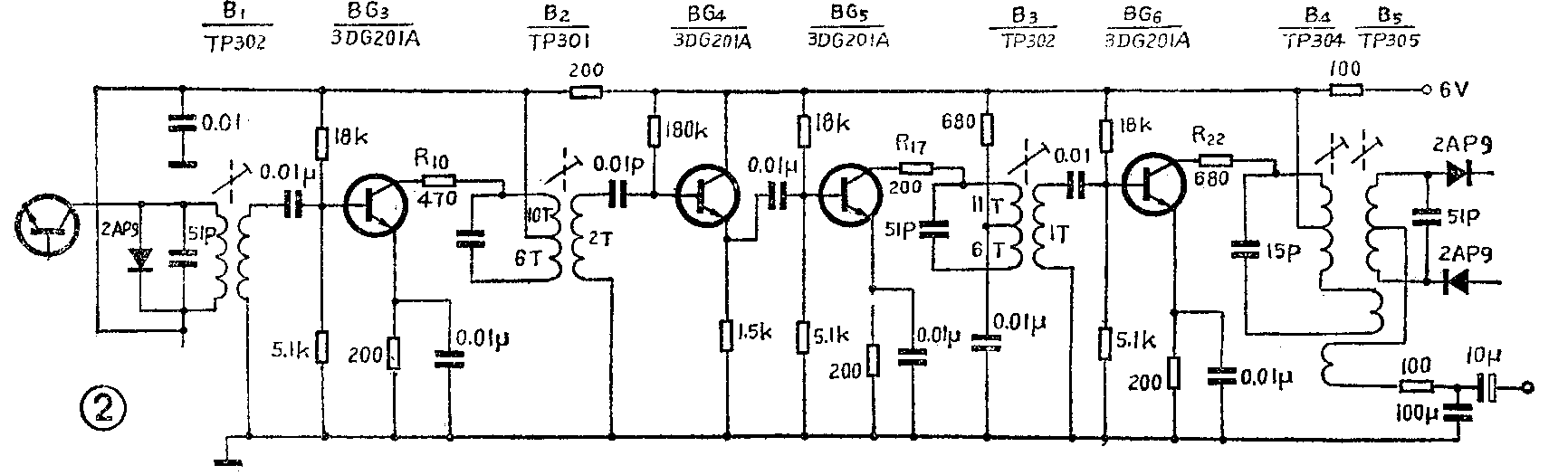
再看图2,这是红灯牌2L1400台式立体声收录机的中放电路,其电路程式除二中放外均与图1相同。它的二中放采用一级共集放大器与后级共射放大器间用RC耦合方式,这是为提高中频选择性而采用的一种措施。情况分析如下:图1和图2一中放的负载回路均采用TP301型中周。这种中周与TP302相比,初级总匝数相同,而次级匝数则多一倍(匝数见图中标注),与3DG201晶体管配接时,所得的电压增益约可比TP301与后级共射放大器直接配接,后级共射放大器的输入电阻小,用TP301时折合到初级谐振回路上的并联电阻比用TP302时小得多,相差约为2\(^{2}\)=4,有益于展宽通带,但却使该级选择性下降很多。图2电路在TP301后级采用共集放大器,输入电阻大得多,折合到谐振回路上的并联电阻也比图1大得多,从而可使图2的选择性优于图1。关于中周与放大器的配接问题,我们将在下一讲详细介绍,以便读者合理选用中周或自制中周。

下面请看图3,这是一种获得宽通带和高增益,而放弃若干选择性的业余制作电路。比前两图电路少用一个中周,多增加了三节由BG\(_{4}\)、BG5、BG\(_{6}\)和BG7、BG\(_{8}\)组成的RC耦合共射放大器。RC耦合放大器是一种以前级集电极负载电阻为输出端经过耦合电容直接和后级电路匹配的放大电路。当前级的输出阻抗和后级的输入阻抗相等时,电压增益最高。由于共射放大器的输入电阻较低,运用在10.7MHz时多在500Ω以下(视晶体管高频y参数而定),而前级的输出阻抗为前级晶体管的输出电阻和负载电阻的并联值,管子的输出电阻多在几KΩ数量级,则前级阻抗主要取决于负载电阻。因此,一般负载电阻取值为200Ω~1KΩ,级间耦合电容取值为2200pF~0.01μF。共射RC耦合放大器单级增益约为10~15dB(3~5倍)。RC耦合放大器通带宽,调整方便,在一些兼顾通带、选择性和增益的调频中放电路中也经常采用。此外,将图3的B1或B\(_{2}\)改成双调谐回路,可使选择性显著提高,而通带变窄不多,可兼顾上述三项要求。不过,在业余条件下,双调谐回路调整不方便,性能也易变,以少用为宜。

爱好者选用现成的中放电路时,常遇到如何估计带宽和选择性问题,以下简介有关概念和给出常用基本公式。
决定中频带宽和选择性的主要器件是混频负载调谐回路和各级中放的调谐回路或其他形式的中频滤波器(如陶瓷滤波器、声表面波滤波器等),而末级中放之后的两个鉴频中周,主要用来将调频信号变换为调幅信号,它们是鉴频器的一部分,对中频带宽和选择性的影响有限,一般不计算在内。
一级单调谐回路的带宽为
B\(_{1}\)=f0Q\(_{L}\)………………(1)
式中:B\(_{1}\)为选择性曲线最大幅度下降3dB处的带宽,参见图4;f0为调谐回路中心频率;Q\(_{L}\)为回路有载品质因数。

由公式可知,带宽主要取决于Q\(_{L}\)
Q\(_{L}\)=ZL/2πf\(_{0}\)L1……………(2)
式中:Z\(_{L}\)为回路有载谐振阻抗,它是回路空载谐振阻抗和回路前后级放大器输出、输入电阻折合到调谐回路上的阻抗并联值;L1是谐振回路电感。
一级单调谐回路的选择性为
A\(_{1}\)=\(\sqrt{1}\)+(2f0Q\(_{L}\))\(^{2}\)…………(3)
式中:饬垦≡裥允彼〉钠髌德史段В次夜曜迹髌祷±400KHZ;A\(_{1}\)表示接收机对偏调频率为λ芙吹母扇判藕诺乃ゼ趿浚次≡裥浴
设计时常取Q\(_{L}\)=25~40,以QL=30为例,可算得B\(_{1}\)≈357KHz,A1=2.46(约为8dB)。
中放采用几级单调谐回路后总带宽将缩小,而总选择性将提高,总带宽为:
B\(_{n}\)=\(\sqrt{n}\)\(^{2}\)-11………(4)

附表列出了通带缩小系数与级数的关系。而总选择性为各级选择性dB值之和。例如图1,若B\(_{1}\)2\(_{3}\)均按QL=30估计,可得总带宽为182KHz,总选择性为24dB。

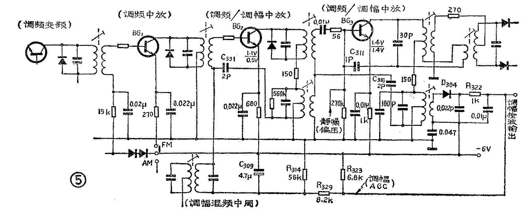
最后再看图5电路实例,这是日本三洋M9990K型立体声收录机的中放电路,它具有调频、调幅共用中频放大器的特点,可节省元件和减小印制板面积,这种程式在分立元件的便携机中采用较多。图中,调频二、三中放的负载回路是由调频中周(上)和调幅中周(下)串联而成。因调频和调幅的中频频率相差很大,调频中周回路电感多在几μH以下,对调幅中频信号(465KHz)相当于短路,而调幅中周的回路电容很大,普遍在200pF以上,对调频中频信号(10.7MHz)又相当于短路,故串联使用互不影响。前面曾谈到,调频中放不能加AGC,而调幅中放必须加AGC,那么在这种电路程式中是怎样处理这个问题的呢?注意BG\(_{2}\)管的基极偏置电压,在调频工作状态时,-6V工作电压经过R323、R\(_{329}\)、R314的分压作用形成固定偏压加于BG\(_{2}\)的基极;而在调幅工作状态时,D304开始起检波作用,R\(_{323}\)输出端叠加检波后的输出电压,经过R329、C\(_{3}\)09的充放电作用,以与调幅载波强度成反比的平均值电压加于BG2基极,从而起到AGC作用。此外,图中两调频中周并联有二极管,其作用是在强信号输入时使其适当导通,阻抗变小,等效于一个可变电阻并联在调谐回路上,可减小管子参数变化对回路的影响,避免失谐并展宽通带。这也是调频中放常用的一种抗强信号措施。C\(_{331}\)、C311、C\(_{316}\)是中和电路,为避免中放自激而设置。(高乃康)