有一类场效应管是由金属、氧化物和半导体组成的,称为金属—氧化物—半导体场效应管(简称MOS场效应管)。它也是利用电场的效应来控制电流的,但内部结构和工作原理与结型场效应管不同,它的突出优点是具有极高的输入阻抗。这种管子的工作原理主要是基于半导体表面的电场效应,下面就从这个问题谈起。
半导体表面的电场效应
在一块P型半导体上方,放一块与之平行的金属板,在金属板和半导体之间加上一定的电压后,便在它们之间形成一个垂直向下的电场(图1a)。这个电场可以把P型半导体内的少数载流子电子吸引到上方,与原来的多数载流子空穴中和,形成一个耗尽层(图1b)。当电场进一步增强时,被吸引到上方的电子数增多,它们积聚在半导体表面上,构成一个“反型层”(图 1c)。显然,外加电场越强,反型层越厚;外加电场消失,反型层也就消失。就是说,电场的作用可以使半导体表面的载流子重新分布。这种现象就是半导体的“表面电场效应”,利用这种特性可以制作出MOS场效应管。

结构和工作原理
图2为N沟道MOS管的结构示意图。它是用一块P型硅片作衬底,在上面扩散两个高掺杂的N+型区,在N+型区上通过铝层引出两个电极,即源极(S)和漏极(D)。漏源两个扩散区之间的硅表面上生成一层绝缘的氧化膜(二氧化硅),在氧化膜上也制作一个铝电极,即为栅极(G)。两个扩散区和P型衬底分别构成PN结(图2a)。如果把衬底和源极相连接(有些管子在内部已将它们接在一起),并在栅源极间加上一定数值的正电压V\(_{GS}\),就会在氧化膜下面的硅表面上形成一个由电子组成的反型层,它把漏源两个N+扩散区连接起来,成为可以导电的“沟道”(图2b)。然后,在漏源之间加上正电压VDS。这样,使漏扩散区与衬底间的PN结处于反向电压作用下,把耗尽区变宽,使漏极与衬底之间互相绝缘;同时可以形成从漏极经过沟道流往源极的电流I\(_{D}\)(图2c)。可以看出,当改变栅源(栅衬)之间正电压的大小时,就改变着反型层中电子的数量,也就改变着沟道的电阻值,这样便影响着漏极电流的大小。即可以通过栅极电压来控制漏极电流。如果将信号电压加于栅源之间,则漏极电流将随信号作相应的大幅度的变化。这就是MOS管能进行放大的实质所在。

基本类型、符号和型号
上面介绍的场效应管,是用P型硅片作衬底制成的,反型层是由电子组成的N型沟道。其特点是:当V\(_{GS}\)≤0时不存在导电沟道,即使加上电压VDS也不产生漏极电流;只有当V\(_{GS}\)>0并具有一定数值(即大于开启电压VT)时,才出现反型层,从而具备导电的可能性。这种管子称为N沟道增强型MOS场效应管。
还有一种类型,它也是以P型硅片作衬底,但在氧化层的生长过程中引进了带正电的离子(图3),这些正电荷能够吸引足够的电子到硅表面,形成可以导电的构造。故当V\(_{GS}\)等于零或是一定数量的负值时也能导电。这种类型称为N沟道耗尽型MOS场效应管。

同样,也可用N型硅作衬底,制成P沟道MOS场效应管。其结构和工作原理基本上与N沟道型相同。它的导电沟道由空穴组成,也为增强型和耗尽型两种,工作时所加的电源极性与N沟道型的相反。
为了便于比较,把各类MOS管的符号、特性曲线等列于表一。其中转移特性表示I\(_{D}\)随VGS变化的曲线;输出特性表示I\(_{D}\)随VDS变化的曲线(V\(_{GS}\)取某些固定值)。从两种特性曲线中也可以看出,对N沟道增强型的管子,只有当VGS>V\(_{T}\)时才有漏极电流。而对于耗尽型,不论VGs大于零、等于零或小于零(大于夹断电压V\(_{P}\))都有相应的漏极电流。关于P沟道的两种类型,也有类似的特点,不再重述。

还有一些管子具有两个栅极(G\(_{1}\)和G2),可分别注入不同信号,便于在某些特定场合下使用,其符号如图4所示。

图5画出了金属型、环氧型和塑封型MOS管的外形和管脚排列,供识别时参考。

新、旧型MOS管的命名如下:

有的厂家在型号后面加字母B,如3DO1D-B,表示管内对栅极加了保护措施。
把目前国内普遍应用的几种MOS管的主要特点和封装型式列于表二,供使用时选用。

特点及应用
MOS场效应管的共同特点是在栅极与沟道间夹着一层绝缘的二氧化硅,因此也称为绝缘栅场效应管。这种结构把栅源极隔离开,使栅极的漏电流微乎其微,故呈现极高的输入阻抗(达10\(^{9}\)欧以上)。用它做成放大器,在输入回路中基本上不消耗功率,即使在小信号输入情况下也能正常工作。当与高阻话筒、电子管等相连接或作级联运用时,可以直接耦合而简化电路结构。对于结型场效应管,因栅源间跨着PN结,尽管处于反向偏置,仍有反向电流,并且随温度升高而增大,其输入阻抗比MOS管低几个数量级。
MOS管有四种类型,各具特点,使电路设计较灵活。如耗尽型管子,其栅极偏压可正可负,甚至可以在零偏压情况下工作。同时因动态范围大,一般不会出现阻塞现象。
MOS管与结型管一样,噪声较低,抗辐射能力较强。它的缺点是低频噪声较大,用来作低频小信号放大时,其性能不如结型管好。
MOS管的工艺较简单,便于制作集成电路。
在应用方面,MOS管和结型管基本上一致,其放大电路也大体相同。例如,它也可接成源极跟随器和共源放大电路等,这里不再赘述。下面介绍两个应用实例。

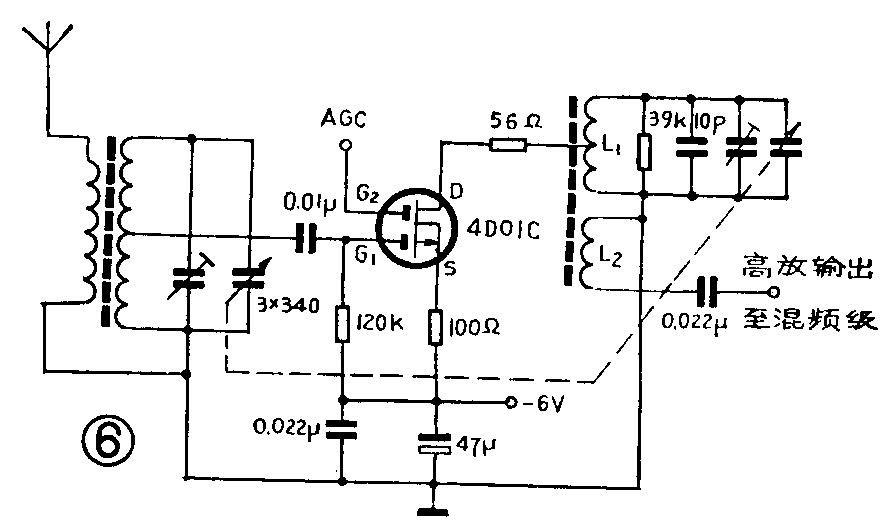
图6是红灯735型全波段收音机的高放电路(仅画出一个波段)。其中选用了双栅MOS管4DO1C,它是专为收音机、电视机的高放电路而研制的,跨导较高。电路是共源调谐放大器,输入端采用升压式高阻抗输入回路与场效应管相匹配,负载是单调谐回路。因4D01C是N沟道管子,源极通过100Ω电阻接电源负极,漏极通过56Ω电阻和L\(_{1}\)接地(电源正极)。在两个栅极中,G1接输入信号,将AGC电压加于栅极G\(_{2}\),使管子的跨导随信号的强弱作相反的变化,实现自动增益控制。

图7是采用了MOS管的文氏电桥振荡器。其中W\(_{1}\)R1C\(_{1}\)和W2R\(_{2}\)C2组成RC串并联反馈网络,W\(_{1}\)和W2是同轴电位器,可用来调节振荡频率。BG\(_{1}\)、BG2和BG\(_{3}\)组成多级交流放大器,输出端A和输入端G同相位,使电路维持正弦振荡。这里着重看一下第一级放大器,它的输入端直接和RC反馈网络相连接,因场效应管的输入阻抗较高,对网络不产生分流作用,这是我们所希望的。当提高W1、W\(_{2}\)的阻值时,振荡器的下限频率可低到5Hz,此时RC网络中的电阻值要提高到22MΩ。如果第一级放大器采用晶体管,因其输入电阻较低,不可能将网络的电阻值提高到那样的程度,即不可能产生如此低的振荡频率。
使用时应注意的问题
MOS管的缺点是容易损坏,特别是栅极容易击穿。这是因为栅、衬间隔着一层阻值很高的氧化膜,使栅极处于绝缘状态,其上的感应电荷不易放掉,积累到一定程度可产生很高的电压,将氧化膜击穿。为了避免这种情况,必须注意如下几点:(1)测试MOS管的仪器、线路装置必须接地。(2)焊接管子时电烙铁外壳要接地,或者用烙铁余热焊接,其顺序是先焊源,栅极,后焊漏极。(3)使用前必须弄清管子的型号和导电极性,且不可盲目接入线路。(4)对内部没有保护措施的MOS管,存放时要将三个电极短路,便于栅极泄放积累的电荷。(5)MOS管的输入阻抗较高,电极或线路板上的污秽能够降低它的输入阻抗,因此必须注意清洁。(姚昆瑶 林荫森)