音响报警电路应用很广,不仅各种自动控制仪器、设备上都装有音响报警器,而且形形色色的电子玩具、电子门铃以及家用电器上都要用到音响报警器。本文介绍几种用CMOS集成门电路、用555时基电路以及用音响集成电路等制作的结构简单、易于自制的音响报警电路。
用CMOS门电路组成的音响电路
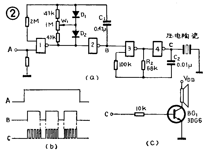
振荡器是组成音响电路的基础,图1a是用CMOS门电路组成的简单振荡器,图1b是A点的波形图。图2a是用CMOS与非门电路组成的单频率音响报警电路,可以看到它是由两个振荡器组合而成的,门1和门2构成一个低频振荡器,门3和门4构成一个音频振荡器。在A点用外加高电平来控制低频振荡器有无输出,在B点用低频振荡器输出的高电平来控制音频振荡器的工作。低频振荡器周期为每秒几周,调整电位器W\(_{1}\)可以调节音响的持续时间和间隙时间。音频振荡器的周期大约1KHz左右,由R2和C\(_{2}\)决定。相应的波形见图2b。如果用在小型仪器仪表里作音响报警,只需要低微的音量,则可用压电陶瓷片加一个共振腔来做发声器。如果需要有较强的音量则要加一级晶体管放大,如图2C所示。


用一片CMOS“二输入端四或非门”C039,也可组成单频率音响报警电路,如图3所示。门H\(_{1}\)和H2组成一个低频振荡器,H\(_{3}\)和H4组成一个音频振荡器。用A点的低电平控制低频振荡器的工作,平时A点处于高电平,低频振荡器不工作。低频振荡器输出低电平时,音频振荡器工作,输出音响信号。

图2和图3的音响电路,发出断续的嘟嘟声,电路简单但声音单调,限制了它的使用范围。很多场合要求能发出“滴嘟、滴嘟”两种频率交替的声响,这可采用图4所示的电路。它用两片IC组成,一片“六反相器”C033,一片“二输入端四或非门”C039。门1和门2组成频率1KHz左右的音频振荡器;门3和门4组成频率2KHz左右的音频振荡器;门5和门6组成频率约1Hz左右的低频振荡器。在低频振荡器一个周期的两段不同时间里,分别控制两个音频振荡器的输出,扬声器便发出两个频率互相交替的声响,相应的波形见图4b。

用555时基电路组成的音响电路
图5是用555时基电路组成的单频率音响报警电路,其功能和图3相似,不同处在于图3只在A点处于低电平时才产生音响,而图5电路只要在A点用负脉冲触发一次,就可在规定的时间里产生音响。这是因为图5包括三级时基电路。第一级555\(_{1}\)组成单稳态触发器,暂稳时间由W1和C\(_{1}\)决定,例如图中的数值可产生几秒钟的暂稳时间。第二、三级是多谐振荡器,其中第二级5552组成低频振荡器,频率为1Hz左右,第三级555\(_{3}\)组成音频振荡器,频率约为1KHz。

由于555电路的最大输出电流可达200mA,所以可以直接推动扬声器。
上海元件五厂生产的时基电路型号为5G1555,每片内包含两个时基电路的称双时基电路型号为5G1556;上无十四厂生产的单时基电路型号为CH7555,双时基电路型号为CH7556。

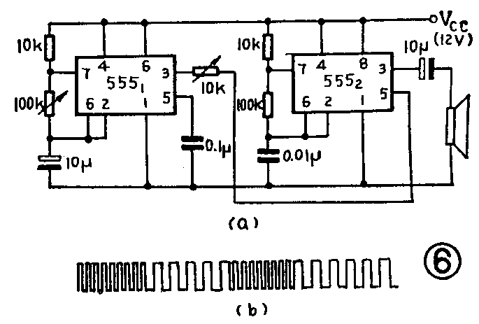
用555时基电路也可以组成双频率音响报警电路。图6中的555\(_{1}\)组成低频振荡器,频率为1Hz左右,5552组成音频振荡器,由低频振荡器调制在两个频率上,当555\(_{1}\)的输出端3呈高电平时,5552的振荡频率较低;当555\(_{1}\)的3端呈低电平时,5552的振荡频率较高,从而产生图6b所示的波形,发出“滴嘟、滴嘟…”的双频率音响。它的效果和图4的电路相似,但只需用一片双时基电路直接推动扬声器,不需要晶体管驱动,所以体积更小,电路更简单。

图7是用时基电路组成音量音调变化的音响报警电路。它也是用两个时基电路组成两个频率不同的振荡器,但555\(_{1}\)产生的是锯齿波,这个锯齿波经过晶体管BG缓冲加到5552的5脚,起调制音频振荡器频率的作用,使音频振荡器的频率由高到低变化,扬声器发出“纠—乌、纠—乌……”的声音。
用线性集成电路组成的报警电路

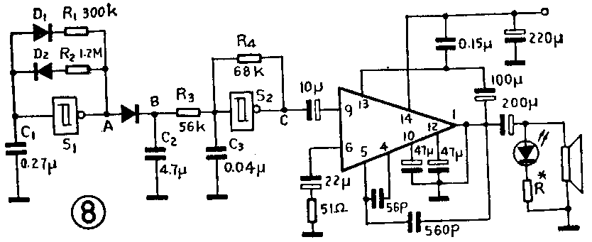
用线性集成电路组成报警电路,可以获得比较大的音量,图8是一种音量变化的音响报警电路,发出的声音由低变高,再由高变低,输出功率可达1W。它用CMOS施密特触发器组成两个振荡器,S\(_{1}\)组成低频三角波振荡器,S2组成音频方波振荡器,用一块音响线性集成电路(例如4100型)作功率放大器,可直接带动扬声器和发光二极管,发出声、光报警信号。(凌肇元)