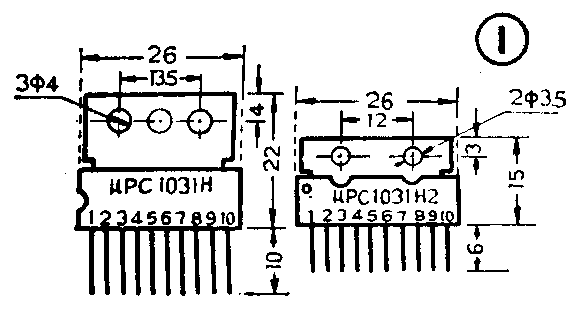
问:一台昆仑牌B3110型电视机,机内集成电路μPC1031H2损坏,能否用μPC1031H代换?
答:μPC1031H2和μPC1031H都是日本电气公司(NEC)生产的电视机专用场扫描集成电路。两种集成电路除外形尺寸和散热片安装尺寸(如图1)不同外、电路功能,引出脚的排列位置完全相同,可以代换。代换时不必改动外围元件,但要将外散热器开口尺寸增大(如图2)。重新开2只或3只安装孔,将集成块散热片紧贴散热器,用螺钉紧固。代换后,有些电视机需要重新微调一下场幅度和场线性电位器。


另外,μPC103lH2损坏后,还可用骊山微电子公司西安国营延河无线电厂和汕头半导体器件厂生产的LD1031型、长春市8232厂生产的QS103lH2型集成电路直接代换。(彭应钧)
问:一台飞跃12D1型电视机,原装苏联31πK4Б型显象管,管子衰老后换了一只台湾产的31QHB4显象管。换后发现亮度关不下去,是什么原因引起的?应如何解决?
答:这是由于显象管的参数不同而引起的。苏联31πK4Б显象管的加速极电压为250伏,两国产及日本进口的12英寸显象管中,除NEC生产的部分显象管采用300伏加速极电压外,其余型号管子的加速极电压多为100~130伏。换管后加速极电压过高,就会出现亮度关不下去的问题。所以在更换显象管时,必须注意管子的各个参数,如灯丝电压、加速极电压等等。
安装了3lπK4Б管的12D1电视机,其加速极电压是由380伏中压经3R42(1M)及3R44(2M)两电阻分压后取得的。换成31QHB4管后,只要将加速极引至这两电阻中心处的线头断开,改接至100伏中压的输出端即可(如图)。(徐世凯)

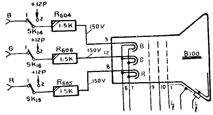
问:一台飞利浦20CT—3030型彩色电视机,最近出现图象色彩很不鲜艳,改变天线方向也无济于事。把色饱和度钮调到最小时,画面仍有单一黄色彩色。是何原故?
答:这种现象是由于机内KS\(_{14}\)损坏引起的。KS14损坏后,B枪的阴极电压及B信号将同时丢失,图象缺蓝色,整个画面带黄色衬底,所以图象色彩就很不鲜艳。该机所用的KS\(_{14}\)、KS15、KS\(_{16}\)是一种卧式单刀双掷修理开关(如图),用作色纯度调整,直接焊在线路板上。若市面上一时买不到这种开关,可用国产\(\frac{1}{4}\)W小型卧式可调电阻改制。方法是:把炭膜的中间一段用锯片刮掉,使其两固定脚阻值为无穷大,这样便成了一个单刀双掷开关,直接焊入线路板上即可。

问:菲力浦16C—927/51S型彩色电视机的电压变换管BUW84坏了,能否用其它型号的管子代替?

BVcbo、ceo Ic\(_{M}\) PcM
BUW84 400V 2A 50W
BU326 375V 8A 60W
BU126 300V 3A 30W
2SC1942 1500V 3A 50W
3DA58A 300V 3A 50W
3DA58B 400V 3A 50W
答:BU326、BU126、2SC1942、3DA58A、3DA58B管管子的主要电气参数与BUW84相似(具体数据见附表),可以代换。但是BUW84是一种中型结构塑封晶体管,而BU326等都是大型结构金属封装晶体管,在代换时,需将原BUW84的散热片取下,按图所示的尺寸打孔,安装后将管子的三脚用导线接入原电路即可。 (李福祥)
问:有一台凯歌4D12型电视机,有时图象突然消失,出现平行的回扫线,只要一关机,马上再开,图象就恢复正常,这是什么原因?如何排除?
答:这类故障一般发生在视放级。引起故障的原因可能有两种:一种是视放电路中的消隐电路元件或100V整流电路元件虚焊或损坏;另一种是视放管软击穿。检查时,可用万用表测量100V整流电压是否正常,视放管各极电压是否正常,如果视放管集电极电压低于20V,说明此管已击穿。 (荣良)
问:有一台收音录音机,收音、放音效果都较好,但自录的节目再放音时效果很差,不知何故?
答:如果放音基本正常而录音效果差(重放音时音小或失真),故障在磁头或偏磁电路。
盒式录音机一般都设有录音电平自动控制电路。无论用何种方式录音,在一定的输入信号电平范围内,加到磁头的录音电流平均值是基本相同的,磁头如果磨损或粘有赃物,磁带上得到的磁平就会比正常时低,表现在录音质量下降。由于放音音量是受音量电位器调节的,磁头磨损不十分严重时,放音效果一般没有十分明显的感觉(实际上放音质量也差了)。
录音时磁头都加有偏磁电流(交流或直流),使之工作在磁化曲线的直线段,放音则不加偏磁电流。偏磁电路发生故障会使录音后重放音时不但声小而且非线性失真严重,这是与磁头磨损相区别的地方。直流偏磁的录音机,偏磁电路一般是不容易出故障的。但更换磁头后要注意磁头的引线极性,否则会出现录不上或录音声小失真的故障。
问:自装了一台收音机,电源变压器初次级间忘记加静电屏蔽,当收到电台时便出现交流声,不重绕变压器是否可以解决?
答:这种收到电台时才出现的交流声称之为调制交流声。这是高频电台信号通过电网加到电源变压器被50Hz交流电源调制后又进入了收音机的输入电路,当收到这个电台时,此信号也与电台信号一起被放大检波,50Hz交流信号被低频放大电路放大后由扬声器发出交流声。调制交流声可以在电源变压器中加静电屏蔽层解决。如果电源变压器没有加静电屏蔽层,在每只整流二极管两端并联一只0.01μF电容器也可以克服调制交流声,如图C\(_{1}\)、C2、C\(_{3}\)、C4。电容器最好选用瓷片电容器,耐压要高于次级交流电压两倍以上。

顺便指出一点,现在生产的收音机、录音机、电视机,由于工艺和成本上的考虑,一般都不采用加静电屏蔽的方式,而在整流二极管上并联电容器。
问:有一台晶体管台式收音机,将电唱机输出接在收音机音量电位器上端,用北京产压电式电唱机(类似206型)放唱,声音很小而且发尖,不知什么原因?应该如何接法?
答:国产电唱机绝大多数本身不带放唱装置,在没有扩音机或其他放音设备的情况下,可以用晶体管收音机低放部分放音。由于晶体管收音机低放部分输入阻抗很低(约1千欧左右),而一般压电唱头的输出阻抗为数百千欧,如果将唱头输出直接与晶体管收音机低放部分连接,阻抗严重失配,放出的声音很小而且失真。正确的接法应该在收音机低放输入端另加一级阻抗变换电路,如图所示。增加的元件可直接焊在音量电位器附近,三极管用普通的小功率管例如 3DG6等,β值50~100。只要焊接无误,无需任何调整。电源就用收音机本身的电源。如果收音机采用的是PNP型三极管,图中的三极管可换成3CG或3CX型电解电容的极性要全部倒换。

放唱时收音机应调在无台位置,以免电台信号串扰。(以上彭应均解答)
问:我有一台三洋2564(H)收录机,用了一年多,现在放音走调,似乎电机转速时快时慢怎样修理才好?
答:这种现象是收录机电机的典型故障,如在偏僻地区无修理网点,可以请稍有无线电修理经验的同事一起自行修理。先拆下电机按结构程序分解,取出转子用汽油清洁电刷和整流子,如整流子烧痕严重,则可用00号砂纸抛光其表面,然后仔细安装复原,电刷架和电机定子磁钢的相对位置不宜变动,应在拆卸时做好记号,以免造成移刷不当换向不良产生火花,或使工作电流增大对电机运行十分不利。如原先忘了做记号,则可用万用表监视电机工作电流,同时移动刷架至电流最小值时固定。为了消除安装造成的转子和轴承不同心,合拢后应用手顺转子旋转方向转动数周,同时用螺刀柄敲电机壳体产生振动使转子和轴承配合适当,否则通电时电流会急剧增大。电机轴承本身是含油的,一般不需添油,盲目过量加油也是造成电刷脏污接触不良的重要人为原因,如确已判明轴承油干,则可加一滴钟表油,其办法是用一根大头针蘸油后滴入。电机是收录机的易损件,如此修理后经过使用一段时间故障又会重复发生,而且终有一天电刷磨断整流子磨穿,这时只有更换电机。电机的转速是可调的,如系电子稳速只要调节电位器即可,如系离心稳速,业余条件较难调节。(徐森)