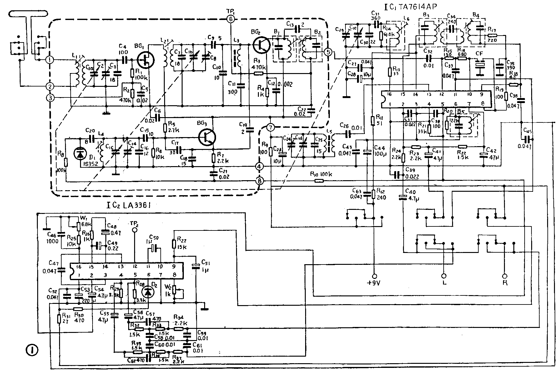
目前国外中高档收音机、收录机的调谐器广泛采用独立调频头组件,配以两只集成电路,完成调幅、调频波段的收音功能。图1电路就是这样一种程式。

该机的调频头采用日产FL-A51专用调频头(见图2金属部分),由于内部各级之间用金属片隔离,整个调频头又用金属罩屏蔽,因而有效地防止了各种干扰。场效应管BG\(_{1}\)作调谐高放级,晶体管BG2、BG\(_{3}\)分别作混频和本振,五连空气可变电容器中的三连(22PF)用于调频波段,输入回路线圈L1初级中心接地,以便与300Ω对称振子天线联接,次级线圈与C\(_{1a}\)、C2、C\(_{3}\)的并联等效电容组成谐振回路。 C1a与高放负载槽路的C\(_{1b}\)及振荡槽路的C1C同轴转动,达到同步调谐的目的。由于采用场效应管组成调谐式高频放大器,所以获得动态范围大、灵敏度高、噪声低、抗干扰能力强的优异性能。放大了的高频信号经C\(_{9}\)、C10的分压加至混频管的基极,本振信号经C\(_{19}\)也加到混频管基极进行混频。B1\(_{2}\)、C13组成双调谐 10.7MHz中频槽路,具有较宽的通频带,故立体声效果很好。L\(_{3}\)、C11组成10.7MHz中频陷波器、提高了混频增益和中频抑制比,同时也防止自激。BG\(_{3}\)组成的电容三点式振荡电路接有AFC(自动频率控制)电路。变容二极管D1经C\(_{2}\)0并联到振荡线圈两端。从TA7614第5脚经R10、R\(_{8}\)送来的频率误差电压加到D1上,改变变容二极管的容量,自动调整振荡频率,使接收稳定。10.7MHz中频信号经C\(_{32}\)送到TA7614第12脚,由内部完成中频放大和鉴频,从第5脚输出立体声复合信号。IC1第8脚,第10脚之间接入陶瓷滤波器CF,提高了整机的选择性。R\(_{17}\)可用来调整中放增益,R20可用来调整IC\(_{1}\)的输出电压。立体声复合信号经C54加至锁相环解码电路LA3361(可直接用 HA11227,μPC1197代替)的第2脚。LA3361从4、5两脚输出左、右声道音频信号。W\(_{2}\)一般调在300~500Ω,此时分离度最佳。压控振荡器频率由W1调节,从12脚检测的频率应该为19KHz±100Hz。当第9脚加上大于 2.1伏的电压时,压控振荡器停振,4、5两脚输出相同的音额信号。

TA7614除担任调频信号的中放、鉴频功能外,还担任调幅信号的混频、中放、检波等功能。当波段开关置调幅接收时,磁性天线检拾的载频信号经输入回路选频送至IC\(_{1}\)的13脚。混频后从15脚输出,双调谐中频变压器B3\(_{4}\)选出的465KHz中频信号再注入第8脚,进行中频放大。经内部检波器检波后从第2脚输出音频电压。R22、R\(_{23}\)、C41、C\(_{42}\)组成自动音量控制电路;由于TA7614内部的调幅本振具有振幅均匀的特点,所以整个中波段可获得均匀的增益。当波段开关在调幅接收时,调频头及解码器的电源被切断,调幅检波信号经波段开关直接输出。
本机的调试极为简单, B\(_{3}\)4用来调整中波段465KHz中频槽路的谐振频率,当音频输出最大即算调好。10.7MHz中频可用B\(_{5}\)的磁芯调整鉴频器S曲线对称,同时中频谐振曲线应对称,两峰之间的线性部分宽度应大于 150KHz,这样立体声分离度效果才好。独立组件调频头中的B1\(_{2}\)出厂前已调合格,一般情况下不可再调动。
中波段频率覆盖调整:高频信号发生器输出520KHz信号,等效天线靠近磁棒,可变电容器旋至容量最大位置,调节L\(_{6}\),使检波输出最大。再用高频信号发生器输出1620KHz信号,可变电容旋到容量最小位置,调整C29使检波输出最大,反复调整几次即可。
中波的外差跟踪调试:信号发生器输出600KHz信号,旋转可变电容收到信号,调整L\(_{5}\)在磁棒上的位置,使检波输出最大。再用高频信号发生器输出1500KHz信号,旋转可变电容收到信号、调节C24,使输出最大,反复几次即算调好。
调频段频率覆盖的调整:信号发生器输出87MHz信号,可变电容旋至容量最大位置,调节L\(_{4}\)使输出最大。然后再输出109MHz信号,调整C14,使输出最大,反复几次即可。由于独立组件调频头出厂前已调试好,此项调整一般不必进行。
解码器的调整:先用数字频率计测试TP\(_{2}\)点的频率,调节W1,使压控振荡频率为19KHz±100Hz。然后用立体声信号发生器输出左信号(或右信号),调节W\(_{2}\)使5脚输出左路信号最小,(或使4脚输出右信号最小),此时分离度最佳。
经过上述调整,整机可达到如下指标:
1.频率范围:中波:520~1605KHz,超短波:87~108MHz;
2.灵敏度:中波<1mV/m,超短波<10μV;
3.选择性:中波≥20dB;超短波≥15dB;
4.信噪比:中波≥37dB,超短波≥57dB;
5.立体声分离度>35dB;
6.输出电平:中波>100mV;超短波:当频偏为22.5KHz时大于 60mV。当频偏为75KHz时,大于150mV。




图3、图4是印板图供制作时参考,表1是TA7614及LA3361各脚静态工作电压,供调试时参考,表2是各电感件的制作数据。图5是电感件的接脚图,图6是中波磁棒线圈的制作数据。图7是TA7614的内部方框图可供维修时参考。(张兴旺)


