四、变频电路
变频器是混频器和本机振荡器的合称,有自激励式和他激励式两种类型。自激励式由同一晶体管兼做混频器和本振,他激励式则将混频和本振分开,用两只以上晶体管分担。
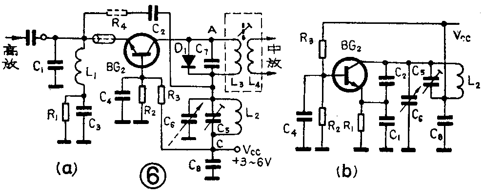
在调频机中,自激励式变频大多采用共基极接地方式,典型电路如图6所示。图中,BG\(_{2}\)管既构成共基极电路混频器,又构成共基极电路振荡器,R1和R\(_{2}\)、R3分别是其射极电阻和偏置电阻;C\(_{4}\)、C8是高频旁路电容;L\(_{3}\)、C7、L\(_{4}\)组成 10.7MHz混频负载回路,由于本振线圈L2电感量很小(1μH以下),对于10.7MHz中频信号来说,其电感量可忽略不计,所以中周初级冷端等效与交流零电位C点相接;L\(_{2}\)、C5、C\(_{6}\)组成振荡回路,它们和分压电容C2、C\(_{1}\)一起与BG2管构成电容三点式振荡器(也称科尔皮兹振荡器),等效电路如图6(b)所示。此时,(a)图中C\(_{7}\)容量较大(一般为51~150PF),对于甚高频本振信号来说C7相当于短路,即冷端等效与 A点相接。 (b)图中,BG\(_{2}\)管集电极输出经C2正反馈至射极,形成自激振荡。振荡频率主要取决于L\(_{2}\)与 C5、C\(_{6}\)、C2、C\(_{1}\)电容值,C2与C\(_{1}\)的比值又用来控制反馈量,从而对本振振荡幅度有影响。同时,C1和BG\(_{2}\)管的 E-B结电容及分布电容又并联构成前述图3的CM(可见,调频头中各元件参数相互间的牵制关系很大!)。D\(_{1}\)做为动态电阻接在中周初级回路两端,当有强信号进入时,混频管结间参数会发生较大变化,引起中周失调。接入D1后,D\(_{1}\)等效电阻随强信号变小,中周回路Q值下降,可减轻失调。为了同样目的,有些电路又进一步在混频管集电极和中周初级之间串接100~510Ω电阻起阻尼作用。L1和C\(_{3}\)串联谐振于10.7MHz附近,用来提高变频增益及抑制外来10.7MHz干扰信号。虚线电阻R4是某些电路为均衡本振高低频率振荡强度而加。另外,国外有些产品变频管或本振管某一管脚套着一个高频磁芯(见图 6a,BG\(_{2}\)射极引出脚所画图形),这是为了减轻本振电压对外辐射或防止UHF频段电视干扰而采取的一种措施。大家知道,UHF频段波长很短,这种电磁波对那些调频头不采取屏蔽措施的调频机,很容易不受调频头选择性的作用,而直接进入调频头,在走线上产生感应电流,它们的频率和本振的高次谐波相差等于10.7MHz时,就会经混频器作用成为假响应,干扰整机。设置高频磁芯,可以吸收这种UHF感应电流。

以上自激励式的优点是电路简单经济,主要缺点为本振频率易受电台信号强弱变化所影响。上面谈到,有强信号输入时,混频管的结间参数会发生变化,在此,就是振荡管的结电容发生变化,可想而知,此时振荡频率随之变化也就难免了。克服的方法主要是采取AFC(自动频率控制),自动校正本振频率偏移,关于AFC电路及其原理将在以后鉴频器一讲中介绍。
他激励式变频,混频器有共射和共基两种接法,以采用共射接法居多;本振则有共基、共集、共射三种接法,前两者居多。图7为共射混频器电路,各元件作用与图6相同。共基接法本振电路与图6(b)相同;共集本振如图8所示。这也是一种电容三点式振荡器,有振荡频率稳定的优点,图中给出了元件数值,供读者参考。他激励式的优点是本振频率受信号牵制小,噪声系数也比自激励式略低,缺点是多用了一级电路。从电路形式上看,混频器电路与高频放大器电路基本相同。那么,它是怎样起变频作用的呢?掌握哪些要素才能降低本级噪声系数并提高变频增益呢?这是制作中的重要问题。大家知道,晶体管高频放大器有图9所示的输入输出特性,当输入信号小于26mV时,其输出特性是线性的,输入信号大于104mV以上时,输出将呈饱和限幅状态,输入在26~104mV之间,输出信号呈图示的非线性放大状态。现取注入混频器的本振强度在30~100mV之间,则驱使混频器进入非线性工作状态,与此同时有电台信号进入混频器,经非线性作用。将在混频器输出端出现频率为本振与信号之差、之和以及各次谐波频率的和、差信号。这些信号经中周的选频作用,选出10.7MHz差频成分送入中放,即为中频信号。



由此可见,混频器的效能和它的工作状态有关。图10给出变频增益K\(_{p}\)、噪声系数FN与本振电压U\(_{L}\)、混频管射极电流Ie、集电极电压E\(_{c}\)的关系。该图是用3DG204管做混频器的实测曲线,也可供选用其它型号混频管电路参考。由图可见,本振电压以50~100mV最佳;射极电流以0.4~0.8mA为最佳;集电极电压以4~6V为宜。

此外,他激励式变频也有用差分电路模拟乘法器做混频器,或用场效应管做混频器等电路。我们将在下一讲调频头实用电路选例及制作要点中介绍。
五、电调谐调频头
采用变容二极管做为调谐元件的调频头称为电调谐调频头。它去掉了机械式可变电容器,以崭新的方式代替了接收机中传动复杂,故障率高的机械调谐机构。半导体变容二极管体积小,重量轻、抗冲击和耐振动性能好。用它作电压调谐既可避免机械传动的间隙回差,调谐精度高,又特别适用于自动调谐与遥控。近年来,高级立体声调谐器日渐采用微处理机控制记忆选台、程序选台等自动选台新技术,就是以电调谐为基础的。同时,汽车收音机为防止冲击振动对调谐系统的干扰,也很适合采用电调谐调频头。此外,对于买不到机械式可变电容器的无线电爱好者来说,它又不失为一种简便的调频头。
变容二极管是利用PN结的结电容随偏置电压而变的原理制成的半导体器件。其外形和正向伏安特性与普通二极管没有明显区别,但它是工作于反向偏置区的,反向偏压越高,结电容越小;反之结电容越大。图11所示为国产2CC14变容管的电容——电压特性曲线,曲线形状代表了一般变容管的特性以及三极管任一PN结的电容特性,只是容量变化范围及控制电压随PN结材料、工艺制作方法而异。图12所示为变容管的简化等效电路,其中 C\(_{j}\)是可变的结电容, Cj≈C\(_{d}\);Rs为体电阻,Ls是引线电感。这三个参数都是反向偏压Vd的函数。


采用单只变容管的谐振电路形式如图13所示、其中C\(_{i}\)是为隔离电感线圈对变容管两端电压的短路作用而接入的,R是限流电阻。图14为两变容管反向串联运用的谐振电路,这种接法可以克服变容管的寄生交变电容失真和非线性失真。当图13(a)谐振回路两端出现较强的交流信号时,这个交流信号迭加在直流控制电压 Vd上,使 C\(_{d}\)也随交流信号而变。这个变化的电容称为寄生交变电容。当寄生交变电容增大的一瞬间,回路谐振频率降低,同时谐振阻抗降低,输出减小;反之,谐振频率增高,谐振阻抗也增高,输出变大。谐振曲线随交流信号周期左右抖动,输出信号幅度受到调制。当有数个高频信号(包括干扰电台)同时作用于谐振回路时,这种调制作用会引起信号间的交叉调制和互相调制失真。同时,由于变容管电压——电容特性的非线性,在回路两端的交变信号引起的寄生交变电容在信号正负半周内大小不一样,如图13所示。这种现象将使回路输出的非线性失真增大。两变容管反向串联运用,可以克服这两种现象引起的失真。两管串联时容量减少一半。不过单管运用已可满足一般的要求,双管运用多见于高级机中。


使用中应注意,用于输入回路高放和本振的各变容管电压——电容特性要尽量一致,这和要求可变电容器各连容量同步是一样的道理。
六、印制板布线和调频头结构要求
调频机调频头工作频率高达100MHz以上,中频频率也达10.7MHz,都比调幅收音机高得多,并且,为了在接收弱信号时,也能使调频机中放进入限幅状态,调频机中放增益一般都比调幅机中放增益设计得高。同时,中频信号限幅后,末级限幅器输出端有大量的高次谐波成分向外辐射。因此,为使调频机稳定地工作以及获得足够的增益,对印制板布线和结构有较严格的要求。
1.印制板布线 在高中频电路中都有高频旁路、高频去耦电容、回路冷端接地线或直流电源线(直流电源线也是交流零电位线),它们不可能在印制板上接于一点。由于高频电流有集肤效应,使两个相距一定距离的交流零电位点之间存在着一定的阻抗。制作过电视机高频头的读者都有体会,同样匝数的一个高频谐振线圈,若线径用得细一些,或线圈根部引线长一些,这个线圈的电感量都会变大。这可以说明在印制板上一段走线,其极微小的布线电感对甚高频信号来说也是不可忽视的。根据计算,长1cm的细引线,其电感值大约为16mμH,在100MHz时,感抗为10Ω。图15以输入回路和高频放大器的接地为例,画出了地线的等效电感及其和周围走线形成的分布电容,这些分布参数过大,尤其是感抗过大,会使一些重要的高频信号零电位接地点不是真正的零电位。从而使高频增益降低。为此,一般按加粗、缩短地线的原则设计调频头印制板,采取大面积地线或“挖地”法绘制印制板是常见的方式。同时,同一级电路的高频旁路接地点也宜相互靠近。

从事维修工作的同志,有时会从进口调频机的高频头印制板上发现地线两点间并接了一只电容,容量在 1000PF~0.022μF之间,画成电路图则为图 16(a)所示。图中A、 B虽然同为公共地线上的两点,但由于前述原因,AB之间会存在着高频电位差,并入电容可以消除这种电位差,从而使增益提高。这种方法对业余制作是很有参考价值的。装好的高频头,若调试时达不到预定的增益,不妨在地线间并联一只电容,看看增益的变化。使用中注意,该电容的接脚宜短。电源供电走线过长时,也需增加退耦电容,如图16(b)。

其次,需注意地电缆的走向,原则上以从前级向后级导通为宜。这涉及到高频头元器件在印制板上的排列和接地点顺序,以及高频头地线最终在那点和整机地线相连的问题。高频头元器件排列以电原理图顺序从前向后逐级排列为宜,地线或交流零电位电源线也不宜分支过多。如图17所示为良好和不良的三种布线。

2.印制板材料 一般纸质印制板遇潮湿天气会出现高频介质损耗大的问题。尤其高放调谐线圈的热端和本振线圈的热端都是高频高阻抗部位,它们的焊接点和印制板地线或电源线之间不应有高频损耗。否则增益大跌。因此,要求采用高频损耗小的玻璃布胶板或环氧板。业余制作用劣质焊锡、焊药,也要注意铜箔板不可弄得太脏,有脏物宜用酒精去污。
3.高频机震的抑制 有扬声器装在一个壳体内的便携式调频机,声波引起高频头本振线圈或可变电容器振动时,会使调频机产生自激啸叫,影响收听。音量开得越大,此现象越严重。这种现象称高频机震,它的产生机理如图18所示。这是一种声一电正反馈作用,本振线圈或电容受声波冲击引起振动,本振频率随之抖动,便变频出来的中频信号附加了寄生调频成分,这种寄生调频被鉴频器解调,经音频放大,扬声器放声又再次作用于本振,反复作用形成啸叫声。这种现象在调幅收音机短波段频率高端也容易出现,机理相同。因为对信号是一种寄生调频干扰,调频机就更容易发生这种现象。

克服的办法是要防止振荡线圈和可变电容随声波而振动。一般线圈卧式放置,引脚要短,线圈内可填入海棉状塑料块,然后浇蜡封固,如图19所示。可变电容器要有避震措施。

4.减少高频辐射和减轻人体感应 将调频机靠近电视机常有干扰图象的现象,这是由于调频机本振信号向外反向辐射造成的。一般应注意本振线圈远离天线端,本振线圈与高放线圈不要相靠过近,必要时本振电路部分加屏蔽罩,甚至整个高频头加屏蔽,从电路角度来看,采用场效应管高频放大器的高频头反向辐射最小,这是由于场效应管是单向电压放大型器件的缘故。便携机为防止人手靠近高频头电路引起本振频率偏移的现象,高、中频电路印制板背面常装有屏蔽用锡箔板。它也有减少反向辐射的作用。
5.其它,制作中应注意 本振电路直流供电稳压性能要好、交流纹波要小,以防止调频调制交流声;调试时高放线圈不宜过分拨开,否则Q值降低会影响增益和选择性;高频旁路电容要采用无感电容器,如瓷片电容器、独石电容器等。(高乃康)