在常见的电缆故障中,漏气是最为明显普遍的。本文向读者介绍一种适合维护单位用的电缆探测查漏仪,可用来检查电缆漏气故障,并可配合信号发生器测量电缆埋深、导出电缆路由、对各种电缆故障进行综合性测试。对地埋电缆、水下电缆、管道电缆、架空电缆的维护检测都可使用。还可在其他行业例如石油、环境保护等部门对可燃性气体进行监测。
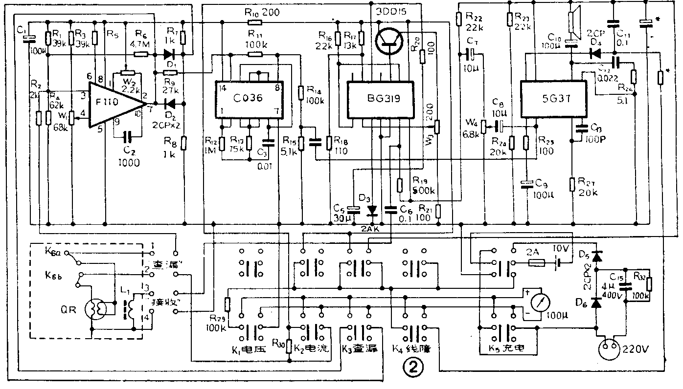
探头和电缆查漏仪部分的工作原理方框图见图1,电路见图2,图2中虚线框内部分即为探头部分。

探头部分主要由气敏元件QR和磁性线圈L\(_{1}\)组成,分别起查漏和接收路由信号的作用。气敏元件选用反应时间为毫秒级的N型半导体气敏电阻,具有反应时间快、灵敏度高、恢复时间短等优点。查漏示踪气体采用氢气,因为气敏元件对氢气最敏感。根据气敏元件的特点,查漏前必须预热,热丝电流一般取120~200mA左右,预热时间为3~5分钟。为满足电流的要求,加热源采用串联型可调稳压电路,稳压电路由集成块BG319和调整管3DD15C组成,电压调节范围为3~10V。
图2虚线框外部分为查漏仪部分,它包括电压比较器、音频振荡器、触发器和报警器。
1.电压比较器。图2中运算放大器F110及其有关阻容元件组成电压比较器。在测试中,气敏元件的阻值在感应到示踪氢气后会发生突然变化。为保证测量的灵敏度和防止游散气体的干扰,用电压比较器进行鉴别。查漏前,运算放大器要求处于平衡状态,反相输入端接入由R\(_{1}\)、R4分压提供的标准电压,同相输入端接入由R\(_{3}\)、W1分压提供的标准电压,调节W\(_{1}\)要求在探头没有接触到示踪氢气以前,运算放大器的输出电压为零。当探头感应到示踪氢气时,由于气敏元件的阻值突然下降,使反相输入端的电压随之发生变化,运算放大器对输入电压与标准电压进行比较后产生输出信号。
2.音频振荡器和触发器。这两部分由一片CMOS两输入端四与非门C036组成,分别用1/2C036构成环形振荡器,1/2C036构成触发器。接上电源,振荡器即开始工作,振荡频率f\(_{0}\)=800Hz。当探头探测到有漏气时,振荡频率得以通过触发器送到报警部分。触发器起幅度鉴别及隔离作用。
3.报警器。这部分主要由集成功率放大电路5G37和8Ω扬声器组成。当检测到电缆漏气时,振荡器送来800Hz的音频信号,经5G37进行功率放大,推动扬声器发出报警信号。


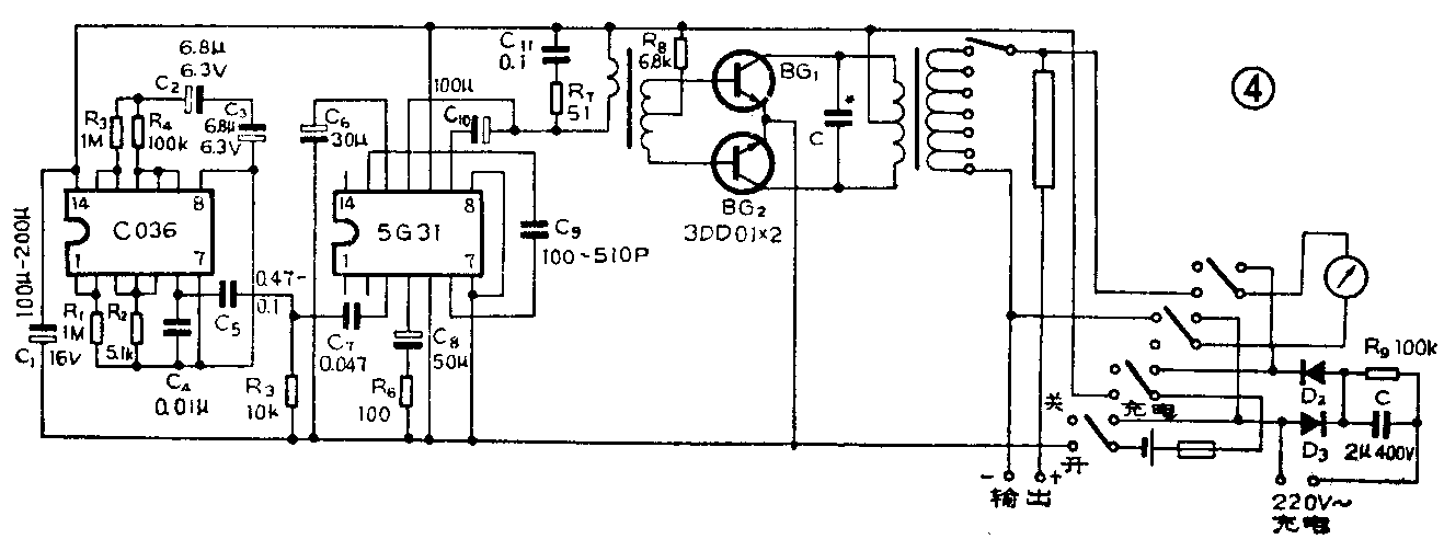
信号发生器部分的工作原理方框图见图3,电路见图4。它是用一片C036组成调制振荡器,即组成一个频率为800Hz的振荡器和另一个频率为1Hz的振荡器,产生被1Hz调制的800Hz信号。用集成电路5G31作中间放大级,并采用由两只3DD01组成的推挽电路作功率放大级,以保证有足够大的输出功率。
仪器的使用方法
1.查漏。先在距电缆故障段最近的气门充氢气,充气20分钟后即可实施检测。在充氢气的同时,应将探头插入查漏仪的“探头”插座内,将探头上的转换开关拨至“查漏”位置(即将气敏元件与查漏仪相接)。按下查漏仪“电流”键,对探头气敏元件加温3~5分钟,电流表的指针应指在120~200mA范围内的任一点上。然后按下“查漏”键,并调整平衡电位器W\(_{1}\),使表头指针指零(或零以下的位置),至扬声器鸣叫声消失,即可开始检测。当探头行进到漏气点时,扬声器即鸣叫告警,同时表头指针迅速摆动。
2.提取路由信号。将信号发生器输出端红接线柱接需测电缆的芯线,另一端接电缆铅皮。把信号发生器的开关拨至“开”的位置,即开始施放脉冲信号。同时将查漏仪“线障”键按下,将探头转换开关拨至“接收”位置(即线圈L\(_{1}\)与查漏仪相连接),便可开始检测。此外还可用来测量电缆埋深、芯线击穿入地故障等。(晶旻)

