本文向读者介绍一个功能较齐全的晶体管直流参数测试仪,它的主要功能是:①可以测试1000伏以内的各种二极管的反向击穿电压;②可以测量1000伏以内的稳压二极管的稳压值;③可以测试10、100、300、1000毫安四种电流下的各种二极管的正向压降;④可以测量各种锗、硅材料的NPN、PNP管(包括大、中、小功率三极管)在不同集电极电流(2.5、10、50、250、1000毫安)档位时的共发射极直流放大系数h\(_{FE}\)。满度值为100,利用倍率按钮可扩大到300;⑤测试各种三极管在不同集电极电流(10、100、300、1000毫安)时的共发射极饱和电压VCES;⑥测试各种三极管的集电极——发射极反向击穿电压BV\(_{CEO}\)(有的写为V(BR)CEO),最高可以测到1000伏;⑦借助鳄鱼夹或利用将三极管管脚插入相应的位置,可以测量I\(_{CEO}\)、ICBO;⑧借助鳄鱼夹或利用将三极管管脚插入相应位置的办法,可以测量BV\(_{CBO}\),BVCER、BV\(_{EBO}\),最高测试电压为1000伏。
测试原理简述

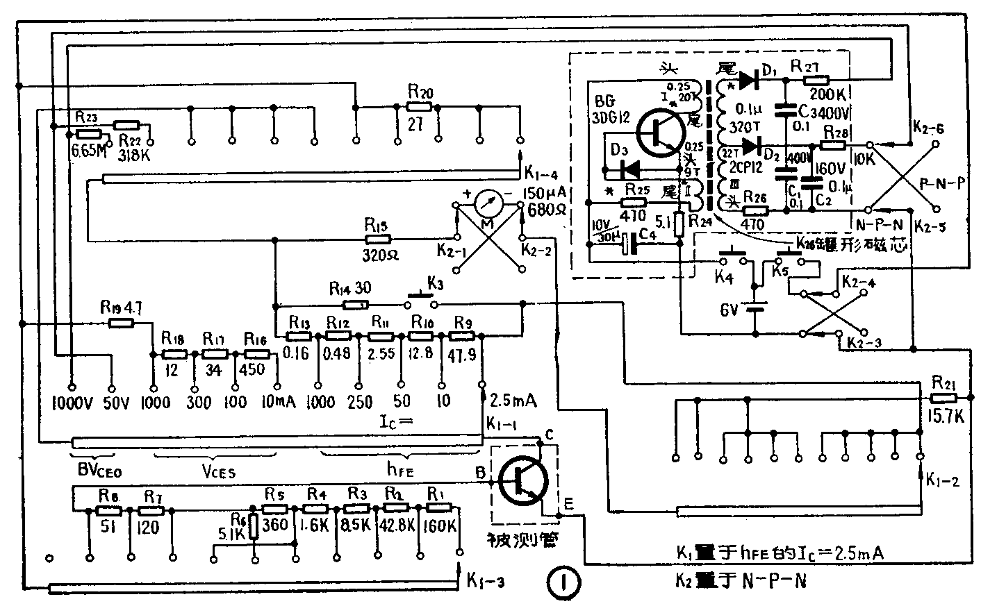
图1为本仪器的电原理图。主控开关K\(_{1}\)是4×11转换开关;PNP、NPN倒换开关由6×2拨动开关K2担任;K\(_{3}\)、K4、K\(_{5}\)采用按钮开关,其中K3是h\(_{FE}\)×3倍率开关,K4为高压发生器电源开关,也是反向击穿电压档位的读数开关,K\(_{5}\)既是hFE档和V\(_{CES}\)的电源开关,又是该两档的读数开关。M为150μA表头,虚线框内是高压发生器。

图2为h\(_{FE}\)有关测试电路,图中K2处于NPN档,K\(_{1}\)放在2.5毫安档。从图2可以看出,在被测管的基极回路中,Ib是经由R\(_{1}\)~R8提供的,这些电阻之间不同的组合可提供5档不同的I\(_{b}\)值,如图示。与之相对应,由表头M、电阻R15和R\(_{9}\)~R13所组成的电流表电路串联在被测管的集电极回路中,通过开关可提供如图所示五个不同电流表档位可以看出,K\(_{1}\)拨在任一档位时,Ic与I\(_{b}\)之比都正好是100,即hFE的满刻度值是100。为了测试h\(_{FE}\)>100的管子,特设置了R14及按钮开关K\(_{3}\),当按下K3时,可将表头测试h\(_{FE}\)值的范围扩展到原来的3倍,即此时hFE的满量程值为300。

图3a和图3b分别为测试晶体三极管的共发射极饱和压降V\(_{CES}\)和二极管的正向压降VF的原理图。为了简单起见,本仪器中将两者合并设计成一个电路,见图4。测试时,我们令二极管的额定正向电流I\(_{F}\)等于晶体三极管的额定集电极电流IC,取常用测试档位为:10、100、300、1000毫安。图4中的150μA表头M、R\(_{15}\)、R21构成满度电压为2.5伏的电压表,利用各开关之间的很好配合,使它在测量V\(_{CES}\)时正好落在被测管的C—E极之间,于是所测电压就是VCES或V\(_{F}\)。

二极管的反向击穿电压V\(_{BR}\)和三极管的集电极——发射极反向击穿电压BVCEO的有关测试电路见图5。图中由R\(_{15}\)、R21、R\(_{22}\)、R23和表头M组成量程为50伏和1000伏的电压表,用K\(_{1}\)转换档位时,电压表则接入被测电路。

图5中的高压发生器也就是指图1中虚线框中的电路。它能将6伏直流电压转换成50伏和高达1000伏的直流电压。它的原理是利用带磁心的线圈和晶体管BG组成一个非正弦自激振荡器,振荡频率较高,振荡也较强。输出信号经D\(_{1}\)整流并经后面阻容滤波器后,空载输出直流高压可达1200~1300伏;输出信号经D2整流并经后面的阻容滤波器后,可获得空载输出直流电压60~70伏。
本电路的磁心采用锰锌铁氧体罐形磁心,磁心外径为26毫米,高为18毫米。图1中的线圈Ⅰ、Ⅱ、Ⅲ分别为晶体管的集电极线圈、基极线圈和次级线圈。值得注意的是,在绕制和连接上述线圈的接线时,一定要注意线圈的极性,如果连错了则振荡器不会起振。图1中线圈上带“*”处为线圈的同名端。同名端可用下述方法确定:如果两组线圈的绕向一致,则同为起始端的两个线头为同名端;同为末端的两个线头也是同名端。有关线圈的线径及匝数见图1。绕制时,线圈Ⅰ和Ⅱ之间仅有两、三层很薄的绝缘纸,属于紧耦合,因此电路很容易起振,即使电源电压从6伏下降到2伏,也能保持起振。
带磁心线圈的绕制工艺是制作高压发生器的关键环节。线圈Ⅰ和Ⅱ用平绕法绕在同一层内,Ⅰ、Ⅱ线圈之间要加2~3层电容纸。然后再在线圈Ⅱ上面加3层电容纸开始绕线圈Ⅲ,线圈Ⅲ的始端与R\(_{26}\)一端相连。为了减小分布电容,线圈Ⅲ不能绕太紧,应绕得较松散些,另外不能采用平绕法,应采用间绕或疏——密——疏——密绕法,层间应垫上2~3层电容纸。
在振荡器工作时,晶体管的基极和集电极总电流的平均值约100~130mA。总电流大一点,次级线圈Ⅲ的输出电压就高一些,可通过调节R\(_{25}\)和R24的阻值来确定。如用h\(_{FE}\)较大的三极管,R25可加大到1.5千欧。高压发生器连续工作四小时,晶体管BG应仅有微热。R\(_{24}\)是晶体管的发射极电阻,其作用是可稳定晶体管的工作点,并保护晶体管BG免于烧坏。
二极管D\(_{1}\)和D2分别为耐压2000伏和300伏的高频整流管2DGL;D\(_{3}\)的作用是吸收反向电压,保护晶体管BG的发射结,这个二极管可用3DG6的一个PN结代替。C1、C\(_{2}\)、C3都是金属膜电容。
元件选择及安装经验
图1中,开关K\(_{1}\)要选用陶瓷结构的(KCZ型),档位要准确,接点要可靠。分流电阻R9~R\(_{13}\)、R14最好选用温度系数较小的锰铜丝制成,选用一般金属膜、碳膜电阻也可以,但阻值应选配准确。除R\(_{19}\)和R18分别要用2~4瓦和1/2瓦的电阻外,其它电阻都可选用1/8瓦~1/4瓦的。当所选用的表头的灵敏度不同时,有些电阻的阻值也应随之改动一些,具体变动情况见附表。

本测试仪用四节1号电池作电源,如果在室内固定使用,可用6V1.5A稳压电源代替电池,这样成本低、测试准确性更高。
具体测试方法
1.测试各种二极管(包括各种2CP、2CZ、2AP、2CN及高频高压整流堆等):①测反压。K\(_{1}\)置于BVCEO50V档,K\(_{2}\)置于NPN档,将二极管的正、负极分别插入管座的E、C孔(或借助鳄鱼夹子夹住管脚),按下K4即可读数,如果耐压大于50V,可将K\(_{1}\)换到1000V档再测;②测正向压降VF。按照不同管子的工作电流的大小,将K\(_{1}\)置于VCES的相应毫安档(例如2CP10应置100mA档,2CNI应置于1000mA档),K\(_{2}\)置于NPN档,将二极管的正、负极分别插入管座的C、E孔,按下K5即可读数(此时满量程为2.5V)。
2.测试稳压二极管稳压值:稳压值V\(_{Z}\)实际上就是其反向击穿电压。可将K1置于BV\(_{CEO}\)的50V档,K2置于NPN档,将管子的正、负极分别插入管座的E、C孔,按下K\(_{4}\)并同时读数即可。
3.测试发光二极管:将发光二极管插入管座,按测一般二极管的办法测其I\(_{F}\)=10mA时的正向压降,表头指示的是正向压降,二极管还会发光。
4.测试各种小功率三极管:在业余情况下通常要测如下几个指标:I\(_{CEO}\)、hFE、BV\(_{CEO}\)、VCES。测试前应先弄清被测管是NPN型还是PNP型的,并将K\(_{2}\)拨在相应一边。①测ICEO。将管子的E、C脚分别插入管座E、C孔,B脚不插,K\(_{1}\)置于hFE的2.5mA档,按下K\(_{5}\)读数即可,有些管子ICEO很小,用本仪器2.5mA档则读不出来。②测h\(_{FE}\)。根据管子工作电流的大小,将K1置于相应的毫安档,K\(_{2}\)拨在相应的极性端,将管子对号插入管座,按K5即可读数。应注意,有些管子I\(_{CEO}\)较大,因此用2.5mA档测hFE时,表头读数应减去I\(_{CEO}\)值才行。如果hFE值较大,超过100,可同时按下K\(_{3}\)、K5再读数,此时满量程h\(_{FE}\)值为300。③测VCES值。将K\(_{1}\)置VCES相应的工作电流档,按下K\(_{5}\)读数即可。此时满量程为2.5V。④测BVCEO。将K\(_{1}\)置于BVCEO的50V档,按K\(_{4}\)并同时读数即可。有些管子的BVCEO可能大于50V,应改用1000V档重测。
5.测试各种常用大功率晶体管(如DD01、3DD15、3AD30、DF104等);能测量大功率管常用的几项参数,是本仪器一个突出的优点。测试方法和测一般小功率三极管一样,很方便。但测试时应注意以下几点:①为了测试方便,在面板上应设置适合测各种大功率管的管座;②在测h\(_{FE}\)时,本仪器能提供的最大工作电流为1A;③有些大功率管,如3AD30,因ICEO很大,所以测得的BV\(_{CEO}\)可能很不准。为了弥补这一缺欠,可用本仪器测出管子BVCBO值,然后再加以分析看看是否能用(注:该仪器的邮购消息见48页)。(武汉市青少年科普器材服务部 谭维纲)