问:一台日本JVC牌7175PK型彩色电视机,图象十分模糊,彩色上面象笼罩着一层白雾,这是什么故障?怎样处理?
答:这种故障是显象管聚焦不良造成的。应先检查聚焦电压是否正常。这种电视机显象管聚焦电压的正常值为7.2~7.5KV,在业余条件下测试较困难,可用测量元件电阻值的方法去检查。

聚焦不良是这种电视机的常见故障之一,多数是由于密封的聚焦电位器内部损坏造成的,换一只好电位器故障即可消失。如手头没有备件,可用相类似的电位器代替,阻值要求如图所示。如一时找不到适当的电位器,可在原电位器的1、3端之间并接一只10MΩ电阻,再调聚焦电位器,一般能得到满意的聚焦。个别电视机不能得到最佳聚焦时,可适当改变所并接的电阻值,或另用固定电阻分压的方法,取得最佳聚焦点。(李福祥)
问:我用邮购套件组装的几台电视机,图象很好,但伴音中混有难听的交流哼声。就是把频道开关拨至“0”处或把音量电位器旋至最小处也不能消除,有时反而更明显些。经采取改善伴音电路的电源滤波、断开场消隐电路等措施均无效,怎么解决?
答:这种哼声往往是伴音低放级的接地处理不妥而引起的。通常,音量电位器与低放级间的连线都用屏蔽线。连接时要注意屏蔽金属网层只能在前级低放处一点接印制板地,不允许在音量电位器附近再次接底板(或其它地线),也不要让金属网层碰到底板等。否则两个或多个接地点就会使底板、印板、屏蔽线金属网层等形成一个接地环路,致使场脉冲或电网纹波等在环路中产生地电流及电势,输入到低放级中就引起“零”频道等哼声。另外需注意低放级接电源部分的“地”应在输出级附近,同时要与场扫描等电路的地线相互独立。注意了这几点后,上述哼声就会消除。(王德沅)
问:一般电视机总是在电源变压器初级和整流输出分别安装两个保险管,这两个保险管所起的作用有何不同?
答:以12英寸黑白电视机为例,电源变压器初级绕组一侧安装的是0.5A保险管。当下列部分发生故障时,管内保险丝可能熔断:(1)电源变压器初级绕组发生短路;(2)整流二极管部分或全部短路;(3)四个防浪涌电流和起高频滤波的电容有个别或全部断路。当稳压电源部分或电视机中的其余各部分电路发生严重短路时,则会使另一个保险管内的2A保险丝熔断。当发生保险管内保险丝熔断故障时,搞清这两个保险管所保护的对象,就可以迅速找出故障的大概部位。(靳连生)
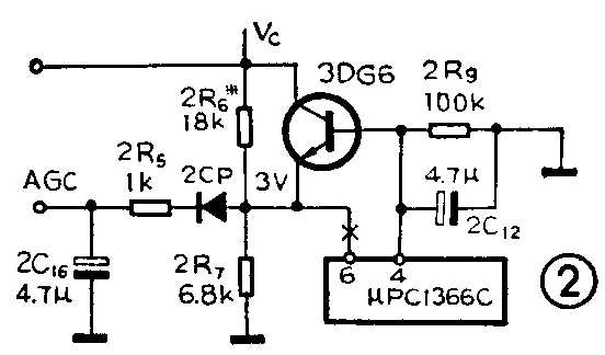
答:在电视机中高放AGC电路首先要保证高频头高放级有正常的直流偏压,其二是在接收强信号时,偏压升高使高频头增益下降(正向AGC时)如果μPC1366C高放AGC电路损坏,影响了高频头的正常偏压,可将⑥脚与外电路印制导线切断如图1画“×”处。因为高放AGC是在强信号情况下才起控,这样虽然高放级失去了自动增益控制作用,但在中等及以下信号场强情况下,仍能正常收看。也可用外加分立元件组成一个延迟起控电路,如图2。一般信号情况下,④脚电压较低,二极管截止,V\(_{c}\)经2R6、2R\(_{7}\)分压经2CP管、2R5至AGC输出端,保证高频头正常的偏压。只有当④脚电压上升到3.7V以上(对应于强信号接收情况),三极管导通,AGC输出端电压随④脚电压升高而升高,起到控制高频头增益的作用。图2是对应进口高频头情况,如果电视机上是装的国产KP-12型高频头,2CP管不接,2R\(_{5}\)直接与三极管发射极相连。3DG6要求β值高一些好。(彭应钧)
问:有一台金星C37-401型彩色电视机,突然出现无光栅、无伴音故障,经检查是整流二极管击穿引起2A保险丝熔断。排除故障后,又换上国产2A保险丝,但是一开机,保险丝就马上熔断,不知是何原因?
答:金星C37-401型彩色电视机的交流保险丝用的是进口2A/250V规格的保险丝。这种保险丝的特点是:在开机瞬间,能承受较大的电流冲击。而国产2A保险丝不具备这种特性。因此,当这种电视发生这类故障时,最好换上原进口2A/250V规格的保险丝,如果没有原规格的保险丝,也可用国产3A保险丝代用。(胡洪华)
问:波兰625型电视机出现水平一条亮线的故障,经检查是由于稳压二极管B2P683C22击穿造成集成电路TDA1170烧坏,问稳压二极管B2P683C22可用哪种型号国产管代用?
答:稳压二极管B2P683C22可用国产2CW2K或2CW22K两种型号管子代替(稳压值选19~24.8V),效果良好。(冬青)
问:自制的数字钟能够正常工作,但是有些不该发光的字段,也发出淡淡的“红光”,这是什么原因?如何解决?

答:上述故障是由于显示板与集成电路译码输出端之间存在漏电造成的,如图所示。造成故障的原因有:1.机内尘土太多;2.印制板受潮;3.焊点周围的赃物太多。解决的办法是:断开电源,清除机内尘土,并用灯泡或电烙铁烘烤印制板。特别是要清除发淡淡“红光”的字段有关焊点周围的脏物(如助焊剂、松香等)。如果上述各种措施均不见效,则可能是显示板或集成电路内部有关引线存在漏电。这种情况只有更换新的显示板或集成电路才能彻底解决。(颜文章)
我按本刊1983年12期《自制数字钟控收音机》一文,制作了一台数字钟。接通电源,出现了如图1所示的字形并闪烁。虽然各功能也工作,但字形变化混乱。这是什么原因?如何解决?

答:这是没有理解显示板FR1041—27的供电原理,对共阳1、2两端同时加以同相位脉冲电压所造成的。产生上述故障一般有下述两种原因:1.将显示板的供电电路错误地改为半波整流供电,如图2。2.自制的次级为双线并绕的电源变压器,由于同名端接错,虽然分别测两个绕组,都是6伏。但次级线圈串联之后并无12伏交流电压输出(图3)。解决的办法是,电源变压器使用之前,经测量确实能够输出12伏交流电压。此外必须按原文,接成全波整流供电电路。(颜文章)
问:我想制作一部收录机,需要三种电源电压,选用哪种电路较好?

答:图1是一种简单而实用的整流电路,可供选用。D\(_{1}\)~D4组成桥式整流电路,可输出24伏直流电压。D\(_{1}\)、D2又构成全波整流,从变压器次级中心抽头输出12伏直流电压,从12伏经过稳压再输出一组6~8伏直流电压。图中V\(_{1}\)可供功放、前置电路;V2可供马达、电平表;V\(_{3}\)可供收音及偏磁。
变压器可使用舌宽22mm的E型硅钢片,叠厚40mm。初级用φ0.27mm漆包线绕121圈,次级用φ0.83mm漆包线双线并绕52圈,头尾相接串联起来。初次级之间加屏蔽层。
这种电路可用于任何需要两组电压相差一倍的场合。二极管D\(_{1}\)~D4的耐压要求为V\(_{反}\)≥2×\(\sqrt{2}\)V2。最大整流电流大于两组输出总电流的一半。
一般5W放大器满负荷耗电约400mA,两路为800mA,马达和电平表耗电约300mA,收、录音部分耗电约100mA,共约1.2A。所以图中所用二极管要求V\(_{反}\)≥2\(\sqrt{2}\)×9≈25V,I整≥1.22=0.6A。选用1A/25V的整流二极管IN4000。
这种电源要求变压器中心抽头一定要在次级总圈数的1/2处。最好用双线并绕法。
市售23cm、31cm电视机电源变压器大部分采用C型铁芯,初次级绕组都分成两半绕在铁芯的两边,中间用导线联接。次级输出交流电压大都为17~19伏(2×8.5V或2×9.5V)之间。很适合制作这种电源。图2是稳压器电路,供参考。(邱淳)

问:电解电容器“爆炸”是什么原因?如何防止?
答:电解电容器“爆破”时有发生,主要原因有两方面,一是电容器本身质量问题,二是使用问题。大家知道,电解电容器的介质氧化膜并不是完美无缺的。制造过程中,氧化膜总会存在一些微小的疵点、孔洞、缝隙等缺陷。氧化膜在电解液中,在电场的作用之下有一种“自愈作用”。所谓自愈作用就是电解液在电场作用之下,不断地向这些缺陷提供氧离子,使缺陷愈合。氧离子流动形成的电流即常说的漏电流。由于伴随着这种过程会产生少量氧气和氢气,日积月累,到外壳不能承受时,轻则发生漏液,重则发生爆炸。电解电容器质量越差,氧化膜上的缺陷就越多,漏电流也就越大,因此也越容易发生爆炸。此外,制作过程中元器件使用不当(如工作电压超过耐压额定值,正负极性接反,工作环境温度过高等等),会使漏电流急骤增加,这是造成电解电容爆炸的外部原因。因此选用优质元器件,按照技术要求正确使用元器件,是避免发生这类事故的良方。(于俊章)

