集成电路μPC1031H2在黑白电视机中应用很广泛,1983年11期《无线电》上曾介绍过它的常见故障及故障检修方法,本文将介绍这种集成电路的代换方法,以便在没有备件的情况下,作应急修理。

μPC1031H2的原理方框图如图1所示。它由同步、振荡、锯齿波形成、放大输出等电路组成。当集成电路损坏时,常出现三种情况:一是场振荡部分损坏,即μPC1031H2的4、5、6三个引线脚的功能失常或断路;二是放大输出部分损坏,即1、3、7、9、10五个脚的功能失常或断路;三是场振荡部分和放大输出部分都损坏。下面以三洋12—T280U1电视机为例,介绍前两种情况的修理方法,至于第三种损坏情况,可用前两种方法合并起来修理。
一、场振荡部分损坏

μPC1031H2的场振荡部分包括同步振荡和电子开关两个部分,共由9个晶体管组成。这部分电路损坏后,可用图2或图3所示的电路代替,图2、图3中的引出线号码与μPC1031H2的引线脚的序号相同,修理时先按图2或图3做一小块印刷电路板。然后把原集成块上的4、5、6三个脚脱开,把按图2或图3做成的小电路板上的4、5、6号引出线分别焊在与原集成块对应脚的焊点上,再把原电路中的电源线2和地线8分别焊在新电路板的2脚和8脚上。如果线路正确、元件良好、焊点过关,电视机基本上不用调试即能正常工作。这种修理方法的优点是印刷板的线路和集成电路的外围元件都不改动,这样要想再更换新集成电路也十分方便。
下面简单说明一下代换电路的工作原理:当用图2的电路代替4、5、6三个脚的功能以后,电源通过VR\(_{5}\)01和R505给C\(_{5}\)08充电,6脚的电位逐渐上升,当6脚的电位达到单结晶体管BG1的峰点电压时,BG\(_{1}\)的eb1结导通,在R\(_{1}\)上输出一个脉冲信号。脉冲经BG2放大后,通过R\(_{3}\)和C3组成的加速电路,送到BG\(_{3}\)的基极,使电子开关导通。随着电容C508的放电,6脚电位逐渐下降,当6脚电位低于BG\(_{1}\)的谷点电压时,BG1的eb\(_{1}\)结阻断,R1上的脉冲电压消失,BG\(_{2}\)和BG3也相继关断,场振荡开始第二个周期。当场同步信号送至5脚时,便瞬时抬高5脚和6脚的电位,使BG\(_{1}\)的eb1结提前导通,达到同步的目的。
用图3的电路代替μPC1031H2的4、5、6脚功能时,电路的振荡和同步过程与图2的电路基本相同,只是电子开关是由小型双向可控硅元件代替。在电源接通瞬间,电源经双向可控硅S和R\(_{1}\)给C1迅速充电至电源电压。当6脚电位上升到BG\(_{1}\)的峰点电压时,BG1的eb\(_{1}\)结导通,在R1上产生一个前沿很陡的尖脉冲电压,由于电容C\(_{1}\)上的电压不能突变,所以双向可控硅S的控制极上的电压也瞬间抬高,双向可控硅控制极受正触发电压而导通。随后电容C505上的电压经可控硅迅速放电,待放电电流小于可控硅的维持电流时,双向可控硅即自动关断。图2中的R\(_{2}\)用来限制BG2的基极电流,防止BG\(_{2}\)因深度饱和而影响它的开关速度。图2和图3中的D1用来加速C\(_{5}\)08的放电过程,缩短脉冲时间。
二、放大输出部分损坏




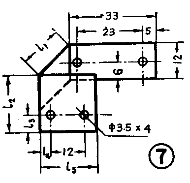
μPC1031H2的放大输出部分是由10个晶体管组成的OTL音频放大电路。这部分电路损坏时,可用输出功率一瓦以上的音频功放集成元件代替。下面以5G37为例介绍代换方法。图4是代换电路的原理图,图5是印刷板图。修理时先按图5制好线路板,将5G37焊在有铜皮的一面,其它元件安装在电路板的正面,如图6所示。然后做一个支架,支架的材料可用1.5毫米左右的铝板,支架的尺寸如图7所示,12×33(mm)的一面紧贴固定在5G37的金属片上,兼5G37的散热器。钻有两个小孔的一面,将固定在原μPC1031H2的散热架上。L\(_{1}\)~L5的尺寸可按电视机的实际情况确定。
把已损坏的放大输出部分的μPC1031H2从电路板上拆下,剪去1、3、7、9、10五个脚,按原来的接线顺序,把它焊在电路板的反面,用小螺钉把代换电路板固定在μPC1031H2的散热板上,然后用细软导线把电路板上原来焊1、2、3、7、8、10六个脚的焊点与代换电路板上的对应接线位置连接起来。如果安装和接线正确,并且各元件质量良好,在一般情况下只要调整一下原电路板上的VR\(_{5}\)03和VR502这两个可调电位器,即能得到满意的线性和场幅度。如果图象上卷边,则可能是5G37的6、7脚间的饱和压降太大,这时只要调节R\(_{3}\)的阻值使5G37的6脚电位适当的降低就可改善这种情况,否则应调换其它集成电路。如果图象跳动,则可能是电路中有自激振荡,这时应检查各滤波电容有无虚焊或假焊现象,也可以适当加大C3,提高电路的稳定程度。如果光栅幅度过大或过小,并且调节VR\(_{5}\)02还不能满足要求,也可改变R4阻值来调整。(柳正雷)