去年在本刊第9期上曾经介绍过《三端集成稳压器电视机稳压电源》,虽然这种稳压电源极大地简化了电视机等电子设备的电源设计和组装,但是由于它的输出电压是固定的,所以在使用中仍感到有某些不便。新研制成的三端集成稳压器W\(_{317}\)和W337,既保持了三端的简单结构,又实现了输出电压的连续可调,对其外部电路加以变化,还能获得更广泛的用途。因而被称之为第二代三端集成稳压器。
该稳压器具有较高的性能指标,它的电压调整率可达0.02%,电流调整率可达0.1%以上,纹波抑制比可到66dB以上。
工作原理

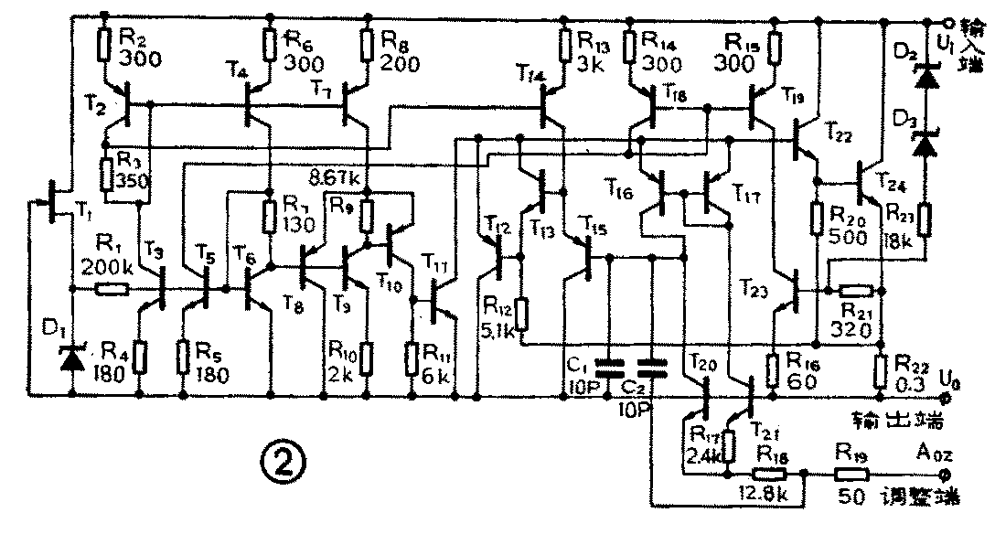
可调式三端集成稳压器W317,外形如图1。采用了没有接地端,只有“输入端”、“输出端”和“调整端”的悬浮式电路结构,内部等效电路如图2,由图2可知,其误差放大器、偏置电路及保护电路等都接在输入端和输出端之间,而只有它的基准电路例外,相当于接在误差放大器的同相输入端和调整端之间。下面介绍内电路各部分的工作原理。

1.基准电路
等效电路图2中的T\(_{16}\)、T17、T\(_{2}\)0、T21组成了一个封闭的超级恒流系统,它作为该稳压器的稳压基准电路。它的电流约50μA,从稳压器调整端流出。T\(_{16}\)、T17两管的物理结构相同,几何尺寸相等,组成镜象电流源,其电流比为1:1。T\(_{2}\)0、T21两管的物理结构相同、而几何尺寸不同,为了确定超级恒流源的工作点T\(_{2}\)0、T21两管发射极的周长面积之比为1:10。因流过该两管的电流相同,所以其发射极电流密度比为10:1。由电流密度不同造成的两管U\(_{BE}\)之差,用电阻R17(2.4K)的压降弥补。于是R\(_{18}\)上的电流是T21发射极电流的两倍。
因超级恒流系统被输出调整管T\(_{22}\)、T14的两级U\(_{BE}\)电压箝位,所以当输入、输出电压差在很大的范围内变化时,这四只管的工作电压几乎不变,因此其工作点也就不变。稳压器调整端电流只由T20及T\(_{21}\)之电流密度之比和电阻R17阻值确定,所以该电流十分恒定,因此流过电阻R\(_{18}\)的电流就十分恒定。电阻R18上的压降叠加上T\(_{2}\)0管的UBE电压就构成了该稳压器的基准电压,其值为1.25V。这种基准电压源是一种新的能带间隙式基准源,由于篇幅这里就不介绍它了。
基准电路中的T\(_{2}\)0管同时又作为稳压器的误差放大器的主放大管。它是一个共发射极放大器。T16管组成的恒流源做T\(_{2}\)0管集电极有源负载。稳压器输出电压的变动信号,全部馈送至T20管基极,它与基准电压比较后的误差信号,被T\(_{2}\)0管放大,从其集电极输出后经三级射随器进行电流放大,第一级是T15管,T\(_{14}\)管是它的有源负载;第二级是T13管,R\(_{12}\)是它的负载;第三级是T12管,T\(_{19}\)管是它的有源负载,并给输出调整推动管T22基极注入电流,再由T\(_{22}\)推动末级管T24。调整管T\(_{24}\)的射极输出电压就是稳压器的输出电压,该电压再馈送至T20管的基极,形成的是1:1的全反馈,因此稳压器的输出端至调整端电压与基准电压相等。
2.稳压过程
若由于某种原因(如输入电压变高或负载变轻)使输出电压增大ΔU\(_{0}\),由于是全反馈,误差放大管T20基极电位U\(_{62}\)0也增加ΔU0,其集电极电位U\(_{c2}\)0则下降,于是T15管射极电位U\(_{e15}\)下降,至使T13管射极电位U\(_{e13}\)下降,T12管射极电位U\(_{e12}\)随之也下降,导至T22基极电位U\(_{b22}\)下降,注入电流减少,其集射极之间的等电阻增大,即集射极间压差增大,迫使输出电压U0降低,直至与基准电压相平衡为止。
3.保护电路
为了使稳压器工作安全可靠。W317中,设置了过流保护、短路保护、调整管安全工作区保护及稳压器心片过热保护等电路。
T\(_{23}\)管和电阻R22(0.3Ω)用于过流或短路保护。输出电流过大,使其在电阻R\(_{22}\)上的压降超过0.6V时,T23管导通,其集电极电流将会抽起注入调整管T\(_{22}\)的电流,迫使其截止。T23管还与齐纳二极管D\(_{2}\)、D3及电阻R\(_{23}\)一起组成了调整管安全工作区保护电路。当稳压器输入、输出之间压差超过齐纳管D2、D\(_{3}\)的工作电压(14V)时,在D2、D\(_{3}\)及R23支路中将产生电流,该电流随着稳压器输入,输出压差的增大而增大,并先经电阻R\(_{21}\)、R22流出,待它在电阻R\(_{21}\)、R22上的压降超过0.6V时,T\(_{23}\)管也会导通,抽走T22管的基极电流。这样可以保证稳压器在较大的输入、输出压差下工作时,输出电流不会过大。就使得输出调整管的工作点,总保持在其安全工作区内。W317的典型安全工作区曲线示于图3。

T\(_{1}\)0管为热敏元件,其发射极和基极接于电阻R9两端,心片处在规定的温度范围内,T\(_{1}\)0管不工作。当心片温度升高至150℃左右,T10管U\(_{BE}\)阈值下降到约0.45V时,开始导通,产生集电极电流,经T11管放大,控制T\(_{22}\),从而使T24输出电流减小。于是稳压器功耗降低,使心片不会超过最高结温。
4.启动电路
T\(_{1}\)管是一个结型场效应管,它同二极管D1、电阻R\(_{1}\)组成启动电路。R1给T\(_{3}\)、T5、T\(_{6}\)管注入电流后启动各组恒流源。其中,T2、T\(_{3}\)、T4、T\(_{6}\)组成一个恒流闭合系统。T2管集电极启动T\(_{14}\)管组成的小电流源,它形成很高的等效阻抗,作T15管射极有源负载。T\(_{5}\)管启动T18、T\(_{19}\)两管组成的恒流源,它作为T12管射极有源负载。T\(_{19}\)管同时又为T22管提供基极电流,以便通过T\(_{22}\)、T24管为负载提供电流。T\(_{6}\)管集电极启动T9管,使T\(_{9}\)管和T7管中流过一个恒流,该恒流几乎不随温度和输入电压变化。在T\(_{7}\)与T9管集电极之间串接有一只电阻R\(_{9}\)(8.67K),稳压器正常工作时,R9上的压降为0.45V,该电压作为热敏管T\(_{1}\)0的UBE阈值电压。
应用及注意事项

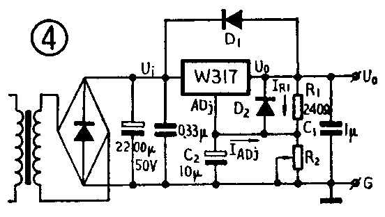
输出正电压可调式集成稳压器的基本应用电路如图4所示。图中稳压器W317能在最大输入电压不超过40V的条件下,固定电阻R\(_{1}\)(240Ω)、调节电阻R2(0~6.8K),就可从输出端U\(_{0}\)获得从1.25V至37V的连续可调电压。电阻R1(240Ω)接在稳压器输出端(U\(_{0}\))至调整端(ADj)之间,其两端电压为1.25V。由于稳压器有维持它不变的能力,所以,电阻R1上流过的是一个恒电流,其值为:I\(_{R1}\)=UREF/R\(_{1}\)=1.25V/240Ω≈5mA。
由于W317的最小负载电流为5mA,所以240Ω是电阻R\(_{1}\)的最大值。电阻R2从稳压器的调整端接往电源地端。R\(_{2}\)中流过两个电流:一是电阻R1中的电流I\(_{R1}\);另一是稳压器调整端流出的电流IADj,它们在电阻R\(_{2}\)上形成的电压降UR2为:U\(_{R2}\)=(IR1+I\(_{ADj}\))·R2=I\(_{R1}\)·R2+I\(_{ADj}\)·R2。施加于负载的电压等于电阻R\(_{1}\)、R2上的电压之和。即:U\(_{0}\)=UR1+U\(_{R2}\)=UREF+I\(_{R1}\)·R2+I\(_{ADj}\)·R2=U\(_{REF}\)+UREF/R\(_{1}\)·R2+I\(_{ADj}\)·R2=U\(_{REF}\)(1+R2/R\(_{1}\))+IADj·R\(_{2}\)。由于稳压器调整端电流IADj非常小(50μA),并极其稳定(ΔI\(_{ADj}\)=0.2μA)。所以可简化为:U0=U\(_{REF}\)·(1+R2/R\(_{1}\))=1.25(1+R2/R\(_{1}\))。因此,将R1固定调节电阻R\(_{2}\)就可以改变稳压器输出电压。
W317型稳压器输出端不加电容器也能工作,但是,由于其放大器是在1:1的深度负反馈下工作,当输出端负载为容性的某些值时,稳压器有可能出现自激现象。为此,在输出端至地之间接一个1μf左右的钽电容或25μf的铝电解电容。未完待续(李龙文)