AN5620X是PAL制解码集成电路,其内部等效电路,如图1所示,它用于“牡丹”牌TC-483D、P型和“北京”牌838型彩色电视机中。下面对AN5620X内部各部分功能电路分别加以介绍。

加减电路
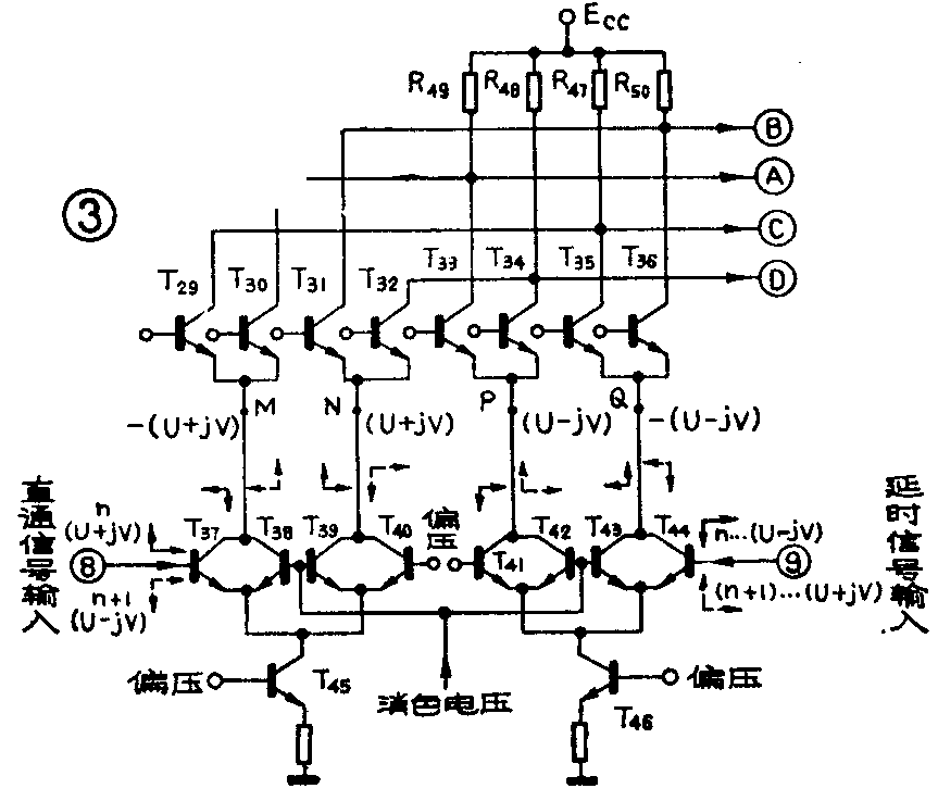
延时分离和同步解调是PALD制彩色电视机色度信号解调的两个重要组成部分。加减电路(即加法器和减法器)的作用以及它与延时线、同步解调器之间的相互关系,如图2所示。在彩色电视机中,为了分离色度信号正交的两个分量F\(_{U}\)和FV(又称U和V信号),必须使用延时线把色度信号延时一个行周期(64μs)的时间,同时还要用加减电路,把直通信号(即未经延时的色度信号)与经延时的信号进行相加和相减处理。经过简化的加减电路,如图3所示。其中T\(_{37}\)~T40和T\(_{41}\)~T44分别组成两个双差分放大器,T\(_{45}\)、T46为其恒流源,T\(_{37}\)、T40、T\(_{41}\)、T44和T\(_{29}\)~T36的基极均接固定偏置(见图1),T\(_{38}\)、T39、T\(_{42}\)、T43基极接消色检波器输出端。当接收黑白电视广播信号或双稳态触发器开关方波信号极性错误时,消色检波器输出高电压,使T\(_{38}\)、T39、T\(_{42}\)、T43均导通,T\(_{37}\)、T40、T\(_{41}\)、T44均截止,切断色通道,实现消色。

对于逐行倒相的PAL制色度信号,可在复数平面上用U±jV表示相邻两行的信号,其中用(U+jV)表示NTSC行,用(U-jV)表示PAL行。假设第n行是NTSC行,为直通信号(U+jV)其延时一行的信号即为PAL行是(U-jV)。因此,第n+1行是PAL行,其直通信号是(U-jV),而它的延时一行的信号则是NTSC行为(U+jV)。

在图3中,分别用带箭头的实线和虚线表示第n行和第n+1行的色度信号,箭头方向表示两色度分量时不同极性。分别用6(U+jV),7表-(U+jV),8表(U-jV),9表-(U-jV)信号。图3中,M、N、P、Q点分别标出第n行时的四组信号。
现在假设第n行(即NTSC行)的直通信号(U+jV)加到T\(_{37}\)基极,其延时信号(U-jV)加到T44基极。此时T\(_{37}\)集电极(M点)输出倒相的-(U+jV)信号,它加到T29,T\(_{3}\)0公用发射极上,因其集电极信号电压与射极同相,放在T29、T\(_{3}\)0集电极也分别得到-(U+jV)信号,又因T37~T\(_{4}\)0为双差分放大器,故在N点将出现与M点极性相反的(U+jV)信号,它加到T31、T\(_{32}\)公用发射极上,使其集电极均输出(U+jV)信号。同理,当双差分放大器(T41~T\(_{44}\))的T44基极输入(U-jV)信号时,在P、Q两点可分别得到(U-jV)和-(U-jV)信号。于是第n行时在M、N、P、Q四点分别得到-(U+jV)、(U+jV)、(U-jV)、-(V-jV)四种信号。电路上又把T\(_{29}\)与T35、T\(_{3}\)0与T33、T\(_{31}\)与T36、T\(_{32}\)与T34的集电极分别短接,使各信号电压分别迭加,故在输出端 、点分别得到-2jV、+2jV、-2U、+2U四种信号。这样就把PAL色度信号的两个正交分量分离开了。
当第n+1行(即PAL行)时,直通信号为(U-jV)、而延时信号为(U+jV),按上述相同方法,可在输出端 、点分别得到+2jV、-2jV、-2U、+2U四个信号。在第n+2行时则可得到与第n行相同的输出信号,而第n+3行的输出信号又与第n+1行相同,等等,依此类推,所得输出信号如表1所示。由表1可见 、输出的F\(_{U}\)信号极性是始终不变的,而输出的FV信号则是逐行倒相的。当F\(_{V}\)信号和逐行倒相的基准副载波同时加到同步解调器时,可解出不再逐行倒相的(R-Y)色差信号。

PAL开关和F\(_{V}\)、FU同步解调器
PAL开关和F\(_{V}\)同步解调器由T47~T\(_{58}\)组成,如图4(a)所示。其中双差分电路T52~T\(_{55}\)是PAL开关,它由双稳态触发器送来的两反相半行频方波加以控制。方波到T52、T\(_{55}\)基极、方波到T53、T\(_{54}\)基极;锁相时VCO(压控振荡器)输出的270°/90°基准副载波信号分别加到T56、T\(_{57}\)基极;加减电路输出的两极性相反、逐行倒相的±FV色度信号则分别加到双差分放大器T\(_{48}\)、T49和T\(_{47}\)、T50的基极。PAL开关和F\(_{V}\)同步解调器各输入信号与输出信号之间的相应关系见图4(b)。FV信号同步解调波形如图5所示,其解调过程如下:


假设第n行是NTSC行,加到双差分放大器T\(_{47}\)、T50基极的F\(_{V}\)信号是+2jV(即信号,而加到T48、T\(_{49}\)基极的FV信号是-2jV(即信号。此时加到双差分PAL开关T\(_{52}\)、T55基极的开关方波高电平,而加到T\(_{53}\)、T54基极的方波低电平,使T\(_{52}\)、T55导通、T\(_{53}\)、T54截止。因此T\(_{56}\)集电极输出的90°副载波,经T52加到T\(_{5}\)0的射极,T57集电极输出的270°副载波则经T\(_{55}\)加到T48的射极。这样,在T\(_{5}\)0基极+2jV信号和射极90°副载波两个同频同相(或反相)信号的共同作用下,在T50集电极解调出图5(a)所示(R-Y)色差信号,而在T\(_{48}\)基极-2jV信号和射极270°副载波的共同作用下,在T48集电极解调出图(b)所示的(R-Y)色差信号。这两个相同的信号在公用负载R\(_{7}\)0上相迭加,于是第n行时解调器输出2(R-Y)信号,它经T51放大后从⑩脚送出。
同理,当第n+1行(即PAL行)时,加到T\(_{5}\)0基极的是-2jV信号,而加到T48基极的是+2jV信号。此时开关方波倒相,低电平、高电平,故T\(_{53}\)、T54导通、T\(_{52}\)、T55截止,使270°、90°副载波分别加到T\(_{5}\)0、T48射极。因此第n+1行时在T\(_{5}\)0、T48集电极仍都解调出(R-Y)色差信号,从⑩脚输出的还是2(R-Y)信号。可以类推第n+2、n+4、……行与第n行完全相同,而第n+3,n+5、……行与第n+1行完全相同。可见,虽然输入的F\(_{V}\)信号是逐行倒相的,但同步解调器只输出(R-Y)色差信号。
F\(_{U}\)同步解调器及其输入、输出信号相应关系如图6所示。其电路形式与FV解调器(见图1T\(_{58}\)~T70)相似,不同之处在于:F\(_{U}\)色度信号的两路输入是固定不变的,不论在NTSC行还是PAL行信号, 始终为-2U,而终为+2U;T68、T\(_{69}\)基极输入副载波分别为180°和0°,倒相后则为0°和180°;T64与T\(_{65}\)、T66与T\(_{67}\)两集电极分别短接,使T64~T\(_{67}\)在开关方波的高、低电平期间均导通,实际上对解调器不起作用(仅仅是为了电路上与FV解调器相对称而设置的)。F\(_{U}\)信号同步解调波形如图7所示。因此,在T60基极+2U信号和射极0°副载波的共同作用下,在T\(_{6}\)0集电极解调出图7(a)所示(B-Y)色差信号,在T62基极-2U信号和射极180°副载波共同作用下也解出图(b)所示(B-Y)信号,它们在公用负载R\(_{72}\)上相迭加,并经T63放大从脚输出。可见虽然同步解调器输入正、负两种F\(_{U}\)信号,但输出端只得到一种(B-Y)信号。(刘胜利)

