调频头是捕捉电台信号、决定调频机灵敏度、抑制象频干扰和假响应干扰的关键部件;它又是调频机中工作频率最高、信号最微弱的部位,因此对元器件、印板布线及结构布局要求十分严格。
一、构成与要求
调频头包括输入回路、高频放大器、高放调谐回路、混频器和本机振荡器(以下简称本振)几部分电路。它的作用是:用调谐方式接收、放大超短波广播信号,并把它变换成中频信号,以便进一步放大。对调频头的主要要求有五点:
1.应具有较小的噪声系数和一定的增益,以保证整机的灵敏度。由理论分析可知,调频收音机整机灵敏度为:E\(_{A}\)=0.45\(\sqrt{R}\)A·B·F\(_{N}\)(μV),也就是说,当整机中频带宽(B)和天线阻抗(Ra)为固定值时,灵敏度主要取决于整机总噪声系数F\(_{N}\)。而FN又主要决定于前几级的噪声系数和功率增益,可见,降低调频头的噪声,使其具有一定增益,对提高整机灵敏度有实际意义。
2.应具有一定的选择性,以抑制象频干扰和假响应干扰。假响应干扰的种类较多,其中最主要的是外来干扰信号和本振谐波差拍出频率为10.7MHz并进入中放级的干扰。例如,有些调频机能收到频率高达190.75MHz的8频道电视伴音,就是这个原因。这是一种不应有的现象。
3.应具有足够的动态范围。调频机有可能在离电台很近的地方使用,进入调频头的广播信号很强,此时变频级不应该出现堵塞现象。
4.应减少本振信号向机外辐射,以免干扰它机。
5.应避免机内交流纹波对本振或外来信号的调制作用,以免产生调频调制交流声。

不同机种上述要求程度也不同,调频头则应采用不同的程式与电路。一般最常用的程式如图1所示。这种程式采用双连可变电容器或调频调幅复合四连可变电容器的调频连,容量为4~22pF。一连用于高放调谐回路,另一连用于本振。这种程式的选择性,象频抑制约可达20dB。假响应抑制约30dB以上。输入回路采用宽带固定谐振频率或不谐振LC耦合电路。低Q电路有利于和前后级匹配,降低输入级噪声系数。因此这种程式,当和具有一定限幅灵敏度的中频放大器配用时,整机灵敏度水平约为2~10μV,能满足大多数地区的使用要求。
如果调频机用在干扰特别多的地区,调频头内的调谐回路就要增至二~五级,此时输入回路改用调谐方式,其它增加的调谐回路多用于高放级。增加调谐回路会使级间的插入损耗加大,噪声系数随之变大,灵敏度降低。因此,应采用噪声系数更小的高频放大电路,如场效应管电路,其噪声系数可达1.5dB以下。
二、输入回路
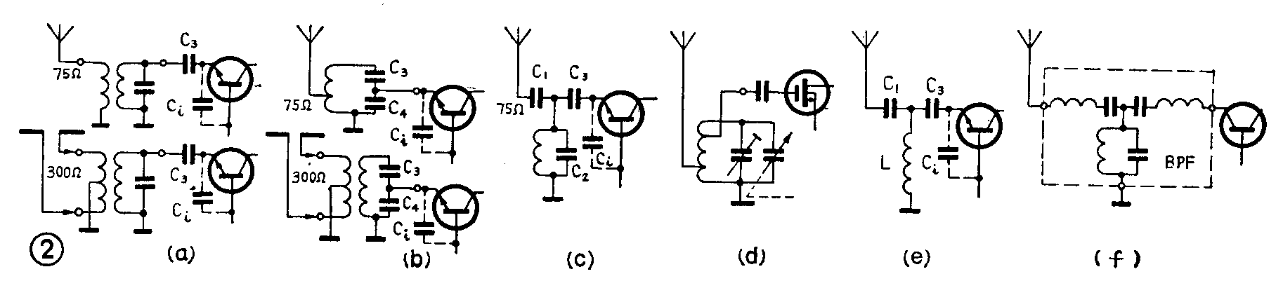
输入回路主要起匹配耦合天线与高频放大器的作用。常用电路有六种形式,如图2所示。

除图(d)电路外,其它各输入回路均以低Q宽带特性调谐于固定频率上,一般多取在98MHz附近,或视整机灵敏度要求,调谐到灵敏度最高点上。其中,(a)图是变压器耦合方式,利用调整初次级匝数比,实现最佳匹配,(b)图为自耦变压器和变压器——电容分压式耦合方式,兼有(a)的优点,且次级采用电容分压,便于调整输入回路与高频放大器的匹配,常用于要求输入回路按噪声系数匹配的情况;(c)图也是一种电容分压耦合方式,输入回路经耦合电容C\(_{3}\)和高放管输入电容Ci分压后与高放管耦合,而天线或经耦合电容C\(_{1}\)或直接接于输入回路热端,以75Ω低阻抗直接并联于输入回路,有载品质因数QL很低,可使输入回路通带范围远大于86~110MHz但输入回路的插入损耗较大(约10dB);(d)图是自耦变压器方式,这种方式初次级匝数比容易做得大,特别适合于调谐型的输入回路,采用场效应管高频放大器时多取这种接法;(e)是(c)电路的简化形式,利用耦合电容C\(_{3}\)和高放管输入电容Ci串联构成输入回路的谐振电容,它也是一种电容分压耦合方式;(f)图所示为国外常用带通滤波器组件(BPF)的内电路,其通带范围大于86~110MHz,带外70MHz以下,130MHz以上约有近20dB的衰减,可使带外干扰受到较大抑制,国内也有同类BPF组件生产。
回路电感按下式计算:
L=\(\frac{25330}{f}\)\(_{0}\)\(^{2}\)·C…………(1)
式中,f\(_{0}\)为回路的谐振频率,单位MHz;C为回路电容,单位PF。在图2各电路中,除(d)图调谐回路外,各输入回路谐振频率f0多选为98MHz,C值一般取为15~30PF,则线圈电感为0.08~0.17μH。制作时,一般可用0.17~0.51mm漆包线在φ4~φ6mm骨架上绕3~6匝,也可绕在中周塑料骨架上,用镍锌材料的磁芯调感,或用0.51~0.8mm漆包线绕成脱胎空芯线圈,用拨圈法调感。(d)图调谐回路电容按频率覆盖系数计算。
根据前述对调频机高频头的要求,实用中最重要的问题是降低噪声系数,提高灵敏度。做为高频头第一级的输入回路,首先要根据这种要求确定与天线和高放的匹配关系,其次考虑输入回路的选择性。即首先要确定初次级匝数比(包括自耦变压器抽头比)和电容分压比,匝数比的计算公式为:
N=\(\frac{\sqrt{mZ}}{_{L}}\)Zi…………(2)
Z\(_{L}\)=Z0·R′\(_{i}\)Z0+R′\(_{i}\)…………(3)
式中N——初次级匝数比(以初级为1)。m——匹配系数,功率匹配时m=1。Z\(_{L}\)——回路有载谐振阻抗。Z0——回路空载谐振阻抗。Z\(_{0}\)=2πf0×LQ\(_{0}\),Q0为回路空载品质因数。 R′\(_{i}\)——是高放的输入电阻Ri经分压电容或抽头变换作用后,折合到输入回路上的并联电阻。Z\(_{i}\)—信号源电阻。
对于输入回路来说,信号源内阻就是天线阻抗。由于调频波段高低端频率变化比值小,天线阻抗变化也小;基本属纯阻天线。常用的单根拉杆天线阻抗为75Ω,偶极子天线双端输入阻抗为300Ω(此时用变压器耦合方式,初级线圈中心抽头接地)。
次级回路采用电容分压方式时
R′\(_{i}\)=(C3+C\(_{4}\)+CiC\(_{3}\))\(^{2}\)·Ri…………(4)
式中C\(_{i}\)是高放管的输入电容,可从晶体管手册中查到,一般为10~20PF,C3、C\(_{4}\)参见图2,有些电路中C4=0。
次级采用电感抽头时,参见图2(d)。
R′\(_{i}\)=(\(\frac{谐振回路总匝数}{次级抽头匝数}\))\(^{2}\)·Ri…………(5)
高放的输入电阻R\(_{i}\)则视电路形式和静态工作电流而定。共基接法时,Ri=r\(_{e}\)+rbb′/(β+1);共射接法时,R\(_{i}\)=ibb′+(β+1)r\(_{e}\),式中,re为晶体管发射极结电阻,常温条件下,r\(_{e}\)=26mV/Ie(mA),若发射极静态电流I\(_{e}\)=1mA,则re=26Ω;r\(_{bb}\)′为晶体管基区电阻,是基区半导体材料显现的电阻,可从手册中查到,常用管3DG204的rbb′为20Ω,3DG201、3DG6的r\(_{bb}\)′约为50~200Ω。按这些公式计算,调频机常用高频晶体管共基接法输入电阻约20~50Ω;共射接法约几百Ω~几KΩ;场效应管共源接法达10KΩ以上。
当高频输入电阻折合到输入回路的阻抗与天线折合到输入回路的阻抗相等时,m=1,输入回路传送信号功率的效率最高,此称功率匹配,但功率匹配时,传送的噪声不一定最小,即该级噪声系数不一定是最小值。按噪声系数最小匹配称噪声匹配,噪声匹配时,m≠1。计算m值比较复杂,它需根据高频放大器的噪声系数计算公式推导,对普通晶体管放大器来说,又和静态工作点等因素有关。在此仅给出常用近似值,共基接法时,可取m=1.2~3;共射接法时,可取m=0.6~1;场效应管共源放大器可取m=0.5~0.3。
电容分压比的确定,实际是根据输入回路有载阻抗Z\(_{L}\)计算的。ZL可以控制谐振回路的有载品质因数,Q\(_{L}\)即可以控制回路的带宽B或选择性A。而带宽或选择性是我们根据整机性能给定的。
Q\(_{L}\)=f0B…………(6)
Z\(_{L}\)=2πf0LQ\(_{L}\)……(7)
宽带型输入回路一般要求B≥110-86=24(MHz),f\(_{0}\)=98MHz,则QL≤4.1。以该值和L=0.15μH代入(7)式,可得Z\(_{L}\)≤370Ω。然后,按照(3)式、(5)式可求得电容分压比。
对于图2(d)所示电路的抽头比,利用公式(4),计算方法与上述同,只是此时输入回路是要求有一定选择性的调谐回路,应按选择性要求计算Q\(_{L}\),计算公式为
Q\(_{L}\)=f02Δf\(\sqrt{A}\)\(^{2}\)-1…………(8)
式中,A为调谐回路在中心频率f\(_{0}\)上的电压放大倍数与失谐至Δf处的放大倍数之比,即选择性。在图2(d)中,假设要求输入回路的象频抑制比为10倍(20dB),即A=10,f0=108MHz,Δf=21.4MHz,则可算得Q\(_{L}\)≈25。
以上概念和计算方法同样适用于以下高放调谐回路及与混频级的匹配。
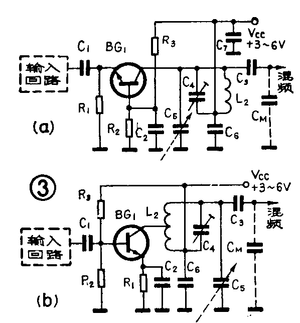
三、高频放大电路

高频放大电路由高频放大器和调谐回路构成。常用高频放大器有共基电路和共射电路两种,如图3所示。共基电路的特点是输入阻抗低,输出阻抗高(几十KΩ以上),输出向输入端的反馈小,工作稳定,并且对管子截止频率要求不高,大于350MHz即可。输出阻抗高,可与后级调谐回路热端直接,比较简便;输入阻抗低,适于与固定调谐的宽带型输入回路配接。
共射电路的特点是输入阻抗比共基高,输出阻抗低(R\(_{0}\)=1/j2πf0C\(_{ob}\)(β+1),3DG204管,在100MHz时,输出阻抗约为2~4KΩ),采用截止频率大于500MHz的管子时,本级增益较高,和输入回路匹配得当时,可获得比共基接法小的噪声系数,但其缺点是后级调谐回路需要抽头,否则高效管以低输出阻抗接入回路热端,会使回路QL下降,选择性降低。实践证明,采用共基或共射高放的调频机灵敏度差别不大,因共基接法简便,用得最多。
在图3中,BG\(_{1}\)是放大管,R1、R\(_{2}\)、R3分别为射极电阻和偏置电阻;C\(_{2}\)、C6、C\(_{7}\)是高频旁路电容,取值1000PF以上,C1是与输入回路耦合电容,按上文电容分压比计算;L\(_{2}\)、C4、C\(_{5}\)组成高放调谐回路,L2电感量约为0.08~0.17μH,脱胎空芯线卷约为4匝,采用镍锌磁芯(N\(_{X}\)—10)调感时,可绕3~3\(\frac{1}{2}\)匝,C4是微调电容,一般用5/20PF瓷介电容,统调容量不足时,可在旁边并加固定电容,C\(_{5}\)是主调可变电容器的一连。C3是高放调谐回路与后级混频器的级间耦合电容,它和混频器的输入电容C\(_{M}\)串联构成电容分压电路,以便使高阻抗的调谐回路能和低输入阻抗的混频器取得最佳匹配,取值的计算方法同公式(3)等,注意此时高放调谐回路的QL应按公式(8)计算。放大管BG\(_{1}\),国产有专为调频机设计的3DG204可用,可代用的管子有3DG18C、3DG30、3DG32B、3DG56、3DG79、3DG80等等。

注意,图3中采用正电压供电和高放调谐回路冷端(高频零电位端)接于直流供电支路,再配置高频旁路电容,是大家熟悉的接法,在调频机中也常用另一种与此不同的接法,如图4所示。这种接法的特点是高放调谐回路冷端(以及下一级本机振荡回路冷端)直接接地,这样接容易获得良好的高频零电位,只要本级各接地点相互靠近就能获得稳定的增益。而图3接法,高频零电位性能的良好与否,与直流供电线上高频旁路电容的接地点有关。接地点的选择往往需在已装好的印刷电路板上试验决定,有时不得不采用增加旁路电容、多点接地的办法,图3(a)中C\(_{7}\)即为此而加。图4接法简便,但采用NPN硅管时,需用负电源供电,国内少用。国外用PNP硅管较多,可供正电,故广为采用。国内用图3接法较多,这时更要注意印刷板布线。
另外,场效应管有输入阻抗高和噪声系数小的优点,用它构成共源(S)极高频放大器能显著提高调频机的灵敏度和抗干扰性,尤适合用于采用三连可变电容器、输入回路也调谐的电路程式。并且场效应管栅极(G)的绝缘特性好,不象普通晶体管那样有一定的双向特性(即输出对输入端也能反向传输),这种优点,可以显著降低本振信号向机外的反向辐射。

图5为一实用场效应管高频放大器电路,采用国产工作频率达到150MHz以上的MOS型场效应管。(高迺康)