一台晶体管收音机失真非常严重。从音量控制电位器中心头输入800Hz正弦信号,在扬声器两端用示波器测得输出信号的波形如图1所示。图1a为输入信号较小时输出信号的波形,图1b为输入信号较大时输出信号的波形。由图可以看出,输入信号较小时,输出波形出现的失真是交越失真,输入信号较大时,输出波形不仅出现交越失真,而且在正半周时还出现限幅失真。由此可以确定失真的故障就发生在低频放大部分。

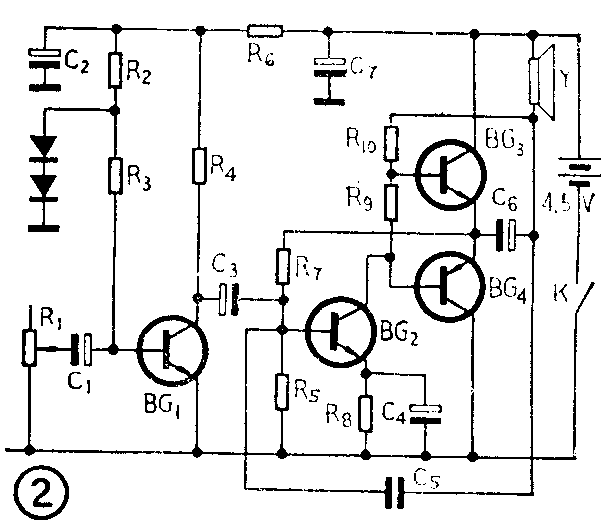
根据机芯绘出低频放大部分电路如图2。这是一般的OTL电路,由NPN型管BG\(_{3}\)与PNP型管BG4组成互补推挽输出级电路。从故障的情况来分析,产生交越失真说明BG\(_{3}\)与BG4在静态及小信号时未能导通;正半周出现限幅失真说明NPN管集电极电流不够大,因此怀疑BG\(_{3}\)有问题。进一步观察发现,该管各电极的焊点均被重新焊过,晶体管型号为3DG202,于是确定该机失真的故障是由于换管不合适造成的。将BG3换成3BX31之后失真消除,收音机工作正常。

从这一故障的检修过程可知,互补推挽输出电路在换管时必须注意这样两个问题:
(1)要注意锗管与硅管的区别
虽然从电路的组成来看,3DG与3BX系列晶体管都是NPN型管,均可满足互补推换电路所要求的极型。但由于晶体管的材料不同发射结的导通电压也不相同。3DG系列的晶体管为硅管,发射结导通电压约为0.5V;3BX系列晶体管为锗管,发射结导通电压约为0.15V。为了消除交越失真,互补推挽两管基极之间应提供一定的偏置电压,使两管的发射结处于刚开始导通的状态。若两只推挽管均由锗管组成,例如NPN型管采用3BX31,PNP型管采用3AX31,则两管基极之间的电压(即图2中R\(_{2}\)两端的电压)约为02V~03V;若两只推挽管均由硅管组成,则两管基极之间的电压约为1V;若两只推挽管由一只硅管与一只锗管组成,则两管基极之间的电压约为0.6V。
对于一个产品收音机来说,由于所选的晶体管是确定的,电路中某些偏置元件(例如图2中的R\(_{9}\)、R10等)也就随之确定。当其中一个管子损坏需要换管时,如果能换上原型号的晶体管,电路的偏置元件一般不必改动。然而,用硅管来代替原机上的锗管时,则由于两推挽管基极之间的偏置电压不足以使两管导通而造成交越失真,因此必须相应增大基极之间的偏置电阻,至刚刚消除交越失真为止。同理,用锗管来代替原机上的硅管时,则由于两推挽管基极之间的偏置电压太高使静态集电极电流过大,而必须相应地减小基极之间的偏置电阻,至刚刚不产生交越失真为止。
(2)要注意集电极最大允许电流的大小
从晶体管的集电极最大允许耗散功率P\(_{CM}\)来看,3DG与3BX系列的晶体管都属于小功率管,而且从PCM的大小来比较,P\(_{CM}\)往往也相差不多,甚至3DG系列某些晶体管的PCM还要更大些。但是实际输出功率的高低,并不取决于P\(_{CM}\)的大小,而是取决于加在扬声器两端的信号电压与流过扬声器的信号电流。而要想使信号电流足够大,就必须选用集电极最大允许电流ICM足够大的晶体管。否则在基极信号电流较大时,集电极电流就出现饱和,使输出波形出现限幅失真。因此在换管时,不但要考虑晶体管的P\(_{CM}\)的大小,更要考虑ICM的大小。例如替换图2中BG\(_{3}\)时,如果选晶体管3DG8就不合适。因为3DG8的PCM虽然为200mW,但I\(_{CM}\)只有20mA。而晶体管3BX31,尽管PCM只有125mW,而I\(_{CM}\)为125mA所以选3BX31合适。在本机修理时如没有3BX31也可以采用3DG12等中功率管,但要加大R9。同理,在图2中如果BG\(_{4}\)损坏了,则可选用3AX22(其PCM=125mW,I\(_{CM}\)=100mA)。而选用3AX21、3AX23、3AX24(其PCM=100mW,I\(_{CM}\)=30mA)就不合适。(刘铁夫)