用洗衣机洗衣服,当给洗衣机加水时,如果你忙于其它事而忘记及时关断水源,就可能使洗衣机因水太满而溢出,水流一地使你措手不及。本文介绍一个小电路,利用它,当洗衣机加水到预定位置时,会自动发出报警信号,提醒你及时失断水源。
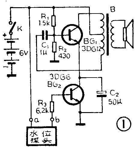
水位报警器的电路如图1,它实际上是一个受控音频振荡器。振荡器部分是由晶体管BG\(_{1}\)、变压器B、电容C1、电阻R\(_{1}\)和R2构成的,正回授信号是从变压器通过C\(_{1}\)加到BG1基极的;晶体管BG\(_{2}\)、电阻R3、电解电容C\(_{2}\)及水位探头构成了控制电路。

变压器B采用一般晶体管收音机中用的推挽输出变压器。由图可知,如果将BG\(_{1}\)的发射极直接接地,由于从变压器B经C1给BG\(_{1}\)基极一个很强的正反馈信号,则使电路进入振荡状态。R1、R\(_{2}\)给BG1配置适当的偏流。C\(_{1}\)除有隔直和耦合交流信号作用外,它的数值大小还决定振荡频率的高低。
当BG\(_{1}\)的发射极不直接接地,而是如图1所示接到BG2集电极上时,电路能否产生振荡,就取决于BG\(_{2}\)的工作状态了。如果BG2饱和导通,BG\(_{1}\)的发射极相当于直接接地,电路就产生振荡,从扬声器中就能发出振荡报警信号;如果BG2截止,此时BG\(_{1}\)发射极相当于对地开路,构不成回路,于是电路就停振,扬声器中也就没有报警信号了。
把上述受控振荡器用于水位报警,关键在于必须有一个水位探头。水位探头怎么制作呢?其实很简单,我们知道,水是一种导体,我们只要用两根相互绝缘的导线就能做成一个水位探头,见图2。水位探头的顶端最好如图2那样作成“人”字形,并剥露出1~2毫米金属线。当水面低于预定水位时,导体悬空,a、b导线间的电阻为兆欧级;而当水面达到预定水位时,导体部分浸入水中,a、b导线之间的电阻降至数千欧。我们正是利用a、b导线之间的这个电阻来给BG\(_{2}\)配置一定的偏流,使BG2呈现截止或饱和导通状态,从而进行水位报警的。R\(_{3}\)是为防止a、b之间短路时烧毁BG2而加的限流电阻,C\(_{2}\)起旁路交流作用。

BG\(_{1}\)、BG2可用任何3DX或3DK型晶体管,若用3AX或3AK型晶体管,电池的极性应倒过来。具体制作报警器时,可将电池和电路部分装在一个小盒子内,水位探头用一根双胶线(最好是平行双胶线)拖出。其长度可根据报警器至洗衣机的距离而灵活选择。使用时,将报警器挂在洗衣机上方的墙上,将探头的顶端固定到洗衣缸的预定水位线上即可。(刘兵)