(李博生)在调试或检修脉冲电路时,如果你自制一个本文介绍的小测试笔,通过它监测脉冲电路中各点电平的高低,以判断某一部分工作是否正常,将会给调试和检修带来很大方便。
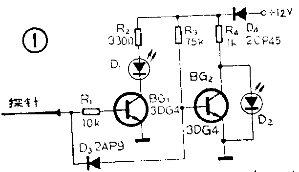
测试笔的电原理图见图1。当电源接通时,如果探头还没有测试,则BG\(_{1}\)是截止的,BG2是导通的,发光二极管D\(_{1}\)和D2均不亮;当开始测试使探测器触针触到高电位时,BG\(_{l}\)导通,D1亮;当触针触到低电位时,则BG\(_{2}\)截止,发光二极管D2亮;当被测试点有脉冲交变电压时,D\(_{1}\)、D2二个发光二极管交替闪动,当交变脉冲信号的频率较高时,D\(_{1}\)、D2看上去将是一直亮着。图中D\(_{4}\)是保护二极管,可防止电源的极性不小心接反时烧坏电路上的元件。这个小仪器可以用来测试用TTL、CAOS、PMOS集成块或用晶体管分立元件组装的脉冲数字电路。

两只发光二极管最好采用不同颜色的,以便明显区别。全部元件安装在一片7×45mm的双面印刷电路板上,印刷板有一敷铜面作为地线,另一个敷铜面用刻刀刻分为七段,第二段再用刻刀横刻分为两段,这一面就作为电路板(见图2)。各个元、器件的腿尽量剪短一些,以缩小体积。组装好以后,可将其装在一个小塑料药片瓶内(尺寸Ф18×60mm即可),在对着发光二极管处的塑料瓶壳上打两个孔,以使发光管微微露出一些即可,图3为已组装好的结构图,可供参考。

