用收音机、录音机欣赏音乐时,有些人喜欢高、低音丰富些,为了达到满意的效果,总要把音量开得很大,结果是中音也随之增大,听久了感到烦燥,也吵得左邻右舍不得安宁。大家知道,人耳在不同音量时对不同频率的敏感度不同。音量越大对高、低音越敏感。音量减小对高、低音的感觉就较迟钝,显得缺乏高、低音。这个问题可以通过在音量电位器上加装等响度补偿器来解决,使不同音量时都能得到满意的高低音。
我使用的等响度补偿器外型如图1所示。它实际上是一个电感线圈与一个电容器构成的组件。左边是一个用磁罐作磁芯的电感线圈,右边是一个涤纶电容器,一同焊接在一块小印制板上,由两根导线作引出线。这种等响度补偿器的使用方法很简单。对于普通收音机、扩音机只需找到音量电位器,按照图2所示,将等响度补偿器的A、B两腿焊在音量电位器上,就能得到小音量下提升高、低音的效果。原理是这样:从图3可知,L、C组成谐振回路,诸振频率假设为1000Hz。对于1000Hz的信号其阻抗最大,对于高于或低于1000Hz的信号阻抗均减小。当音量最大时(即A、B两点重合)L、C回路被短路,无提升作用。音量逐渐减小R\(_{AB}\)逐渐增大,L、C回路Q值逐渐增大,于是其诸振曲线趋向尖锐、高、低音提升量也逐步增大。



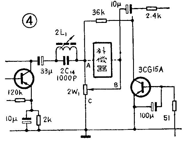
对于盒式录音机,由于各种牌号的机器采用的电路不尽相同,加装等响度补偿器时要视具体情况。不管加在什么录音机上都应注意录音时使等响度补偿器从电路中断开,避免对录音性能有所影响。我是在国产上海牌L316收录机上加装等响度补偿器的,补偿器的一端焊在音量电位器的上端(图4A点),另一端通过ALC拨动开关控制等响度补偿器与电路通断,因此对内录,外录均无影响。

成品等响度补偿器有100KΩ、47KΩ、22KΩ、10KΩ、4.7KΩ几种规格,使用时应与音量电位器相配。例如,100KΩ音量电位器应选用100KΩ型。(薛德友)