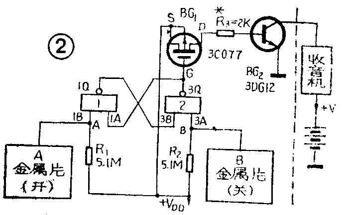
用图1所示CO66型CMOS电路的两个门电路,可以组成一个触发器。再按图2接入少量元器件,可以构成一个触摸开关。图2虚线左面是一个电子开关。从触发器的A、B两端各接入金属片A和金属片B。由于人体有一定的感应电压,当手触摸A片时,向触发器的A端引人触发脉冲,使得1Q点为高电平(V\(_{DD}\)),3Q点为低电平,造成场效应管3CO77开路,其漏电流使得3DG12管导通,收音机接通电源。当手触摸B片时,向触发器B端引入触发脉冲,触发器翻转,1Q为低电平,3Q为高电平,场效应管3CO77关断,造成3DG12截止,使收音机电源电路断开,从而控制了收音机的开或关。图2中VDD可在3~15伏范围内任选,也可与收音机共用一组电源。图3是触摸外关的印板图,印板面积仅3cm×3.5cm。按图3正确焊接无误一般勿需调试即可成功。焊好之后接通触摸开关电源,用高阻万用表的表笔测3Q点与地之间的电压,用手摸A片时,3Q点应近似零伏,用手摸B片时3Q点电压应为V\(_{DD}\)。如果不是这样,要检查co66片子是否损坏,一般,R1,R\(_{2}\)可在几兆欧~几十兆欧间选择。R1、R\(_{2}\)阻值越高,开关的灵敏度亦越高。



此触摸开关除可控制收音机开关外,也可通过继电器控制其他电器。图4是报警器控制电路,将A片安置在保险柜锁上,B片安置在暗处,当坏人手碰到锁时,报警器电源接通,立即发出警报。其他用途可举一反三由读者自己实验。(常州半导体厂 吴永亮 孟滨)