电视机有时会发生这样的故障现象:整幅图象轮廓不清晰,两面的黑白交替处拖着“长尾”,或者大面积模糊不清,似有云雾。这是什么原因呢?我们知道,放大器要对图象信号进行不失真的放大,必须有较宽的通频带,为了展宽频带,在视频放大器中都采用频率补偿电路,如果这部分电路出了故障,则将产生上述现象。那么,什么是频率补偿,怎样进行补偿呢?下面从频率特性入手作简要分析,并以实列说明之。
放大器的幅频特性
从信号的频谱分析知道,各种实际信号虽然有各种各样的波形,但都可以认为是由若干个不同振幅、不同频率和不同初相位的正弦波组成的(有的还包含直流成分)。例如,声波的频率范围从20Hz到20KHz,电视图象信号的频率范围从50Hz到6MHz。放大电路对实际信号的放大,归结为对该信号的各种频率成分的正弦波进行放大。实验表明(图1),放大器对各种频率成分并不是以同样倍数进行放大的,在中间一段频率范围内,放大器的增益最大,并且保持不变(A\(_{u}\)=Auo);随着频率的升高或降低增益都要下降。图1中的曲线表示增益随频率的变化关系,称为放大器的幅频特性曲线。从f\(_{1}\)到fh之间的频率范围是放大器的通频带。若输入信号的频率成分在通频带的范围之内,则基本上能进行正常放大;若信号的频率成分超出了这个范围,则高于f\(_{h}\)和低于f1的成分都将被衰减,甚至通不过放大器,使输出信号产生大真。为什么在低频端和高频端增益要降低呢?下面以常用的典型电路为例略加说明。

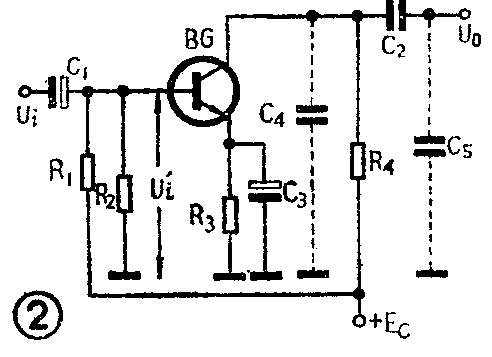
从图2中看出,当频率降低时,耦合电容C\(_{1}\)和C2的容抗变大,其上的交流压降增加,故晶体管基极的有效输入电压U\(_{i}\)和输出给负载的交流电压U0相应减小,使放大器的增益降低。与此同时,发射极旁路电容C\(_{3}\)的容抗也随频率降低而加大,对交流信号的旁路作用减小,使负反馈作用增强,压低了放大器的增益。因此,在低频段,增益随频率减小而下降,在极端情况下,放大器的输出电压便接近于零。对于图象信号,画面较大的层次主要由低频成分来完成。如果放大器的低频特性差,则信号的低频成分被衰减,甚至通不过放大器,于是造成图象模糊,无对比度感,严重时还会在水平方向出现“拖尾”。

从输出回路考虑,有一些在实际电路中看不到的元件,如晶体管的输出电容、引线的分布电容(这两个电容合起来以C\(_{4}\)表示)。若负载是显象管,还存在输入电容,以C5表示。这些电容的数值较小,在低频和中频段呈现的容抗较大,分流作用较小,对增益的影响可以忽略。随着工作频率升高,这些电容的容抗越来越小,它们并联在放大器的负载上,使等效负载阻抗减小,故增益降低(增益与负载阻抗成正比)。还有,晶体管的电流放大系数β随工作频率的增高而减小,这也是引起高频增益下降的原因。这些因素的同时存在,使放大器所能放大的频率范围限制在几百千赫兹以内。对图象信号,画面的细节和轮廓主要由高频成分来完成,如果用这种电路直接作视频放大,则高频成分通不过放大器,势必使图象模糊不清,细节难辨。
为了不失真地放大图象信号,必须采取措施,将放大器的通频带加宽(如图3中虚线),也就是设法将高频段和低频段的增益提高,这即是进行频率补偿。

频率特性的高频补偿
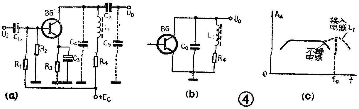
高频补偿就是提高放大器在高频段的增益。前已述及,高频时增益下降的主要原因,是由于C\(_{4}\)、C5的存在,减小了放大器在高频情况下的负载阻抗,如果设法把负载阻抗提高,则增益便相应提高了。这里,我们把图2的电路改变一下,在R\(_{4}\)上端串入补偿电感L1(图4a),看一看电路性能会发生什么变化。

在高频情况下,C\(_{2}\)、C3的容抗很小,可视为短接,把C\(_{4}\)、C5合并起来,以C\(_{0}\)表示。这样,放大器输出端的交流通路可画成图4b的形式(电源+EC看作交流接地;负载显象管的输入电阻较大,图中漫画出,以下同)。图4b中,电感L\(_{1}\)与R4串联后和电容C\(_{0}\)共同组成并联谐振回路。适当选择L1的数值,使回路在原来增益要衰减的频率f\(_{0}\)附近发生谐振,因并联谐振时呈现的阻抗较高,使放大器的增益得到提高,于是通频带向高频端展宽了,如图4c所示。为了防止电感补偿过度,使高频特性形成过高的上翘峰,有时在L1上并一只电阻,降低回路Q值,把高峰压到允许值。这种电路的特点是电感L\(_{1}\)和高频情况下要考虑的电容C4、C\(_{5}\)并联,故称并联电感补偿。
把图2电路再改变一下,将电感L\(_{2}\)串接在集电极和耦合电容C2之间,便构成图5a所示的串联电感补偿电路。在高频情况下,输出端的交流通路如图5b所示(图5a中的R\(_{5}\)是用来降低回路Q值的,其阻值较大,图5b中未画出)。从晶体管的输出端看时,L2和C\(_{5}\)组成串联回路。适当选择L2的电感量,可以使回路谐振于高频段所需的频率附近。如所周知,在串联谐振时,电感L\(_{2}\)或电容C5上的电压都比外加电压高,这里的外加电压是晶体管的输出电压,而送到负载上的是电容C\(_{5}\)上的电压。因在负载上得到的电压较高,于是提高了增益,补偿了高频特性。

在高频补偿中,还经常采用串并联补偿电路(图6a),它包含了串联补偿和并联补偿两部分:电感L\(_{1}\)与负载电阻R4串联,其作用和并联补偿电路相同;电感L\(_{2}\)和电阻R5的作用与串联补偿电路相同。输出端的交流通路可画成图6b的形式(R\(_{5}\)未画出)。这里C4、C\(_{5}\)的含义同前。电感L1和电容C\(_{5}\)组成并联谐振回路,适当选择L1之值,使回路谐振于频带中间f\(_{1}\)处(图6d)。当工作频率高于f1之后, L\(_{1}\)C5并联回路呈容性阻抗,相当于一个电容C',此时的等效电路如图6c所示。可见,其电路形式与图5b一样,也可选恰当的L\(_{2}\)值,使电路在频率f2处又发生谐振(图6d)。因串并联电路谐振在高频段的两个不同频率点上(f\(_{1}\),f2),通频带得到进一步展宽,从而可收到较好的补偿效果。

高频补偿还有一种形式,就是发射极电容补偿,见图7。它是在晶体管发射极串接并联的电阻和电容R\(_{6}\)、C6。这里C\(_{6}\)的作用不同于一般的旁路电容,它的取值较小,在低、中频段呈现的容抗较大,可视为开路,仅有R6的负反馈作用,使放大器保持一定的增益。随着工作频率的升高,C\(_{6}\)的容抗逐渐减小,使C6与R\(_{6}\)并联的总阻抗减小,负反馈作用减弱,于是提高了放大器的增益,补偿了高频特性。在电视机中,常在C3下端串接电位器作对比度调整(图9)。


频率特性的低频补偿
如前所述,放大器低频增益的降低主要是耦合电容造成的。为了改善低频特性,可以采用没有耦合电容的直流放大器,也可以在电路上采取措施,进行低频补偿。在图2所示电路中,将负载电阻R\(_{4}\)下端串接上R7C\(_{7}\),便组成具有低频补偿作用的放大电路(图8)。图中C7的取值较大,在中频和高频段呈现的容抗较小,近乎将R\(_{7}\)短路(R7下端交流接地),负载电阻还是R\(_{4}\)。当工作频率较低时,C7的容抗较大,接近开路,负载电阻变成R\(_{4}\)+R7。可见在低频时负载电阻加大了,故低频增益提高了(图8b)。

顺便指出,放大器中加接了R\(_{7}\)C7之后,除了作低频补偿之外,还有去耦滤波作用,可以减少因电源内阻耦合而造成寄生振荡。
频率补偿电路例举
图9是北京牌842—2型电视机的视放输出级电路。图中L\(_{124}\)、C69分别为输入输出耦合电容,R\(_{147}\)和R148是基极偏流电阻,R\(_{77}\)、C66和C\(_{67}\)组成发射极电容补偿网络(相当于图7中的R6C\(_{6}\))。下面的R79、C\(_{68}\)和W3作对比度调整之用,通过调节W\(_{3}\)改变反馈深度,控制放大器的增益。L15、L\(_{16}\)为串并联补偿电感(相当于图6中的L2、L\(_{1}\)),R111和C\(_{99}\)是低频补偿网络(如同图8中的R7、C\(_{7}\))。这种电路一并采用了几种补偿方法,具有较好的高低频特性,在电视机的视放输出级中常被采用。
综上所述,我们介绍了两种补偿方法:一种是利用负反馈网络,通过调节反馈深度,来改变放大器在某频段的增益(如图7);另一种是利用电抗元件,通过改变不同频段的负载阻抗,来改变放大器的增益(如图4、5、6、8)。(林萌森)