这台示波器用的是1英寸示波管,体积仅为100×50×130(mm),重850克,可以装在衣兜里,便于携带。这台示波器虽采用连续扫描,但还能对波形进行定量测量。若配用10∶1探头,最大测试电压可达800伏(峰峰值)。整机交流耗电约7瓦。
该示波器的Y轴频带宽度为10Hz~20KHz;输入阻抗1MΩ;输入灵敏度有0.1V/格、1V/格、10V/格三档;X轴扫描速度有2ms/格、0.1ms/格、7μs/格三档。
电路简介
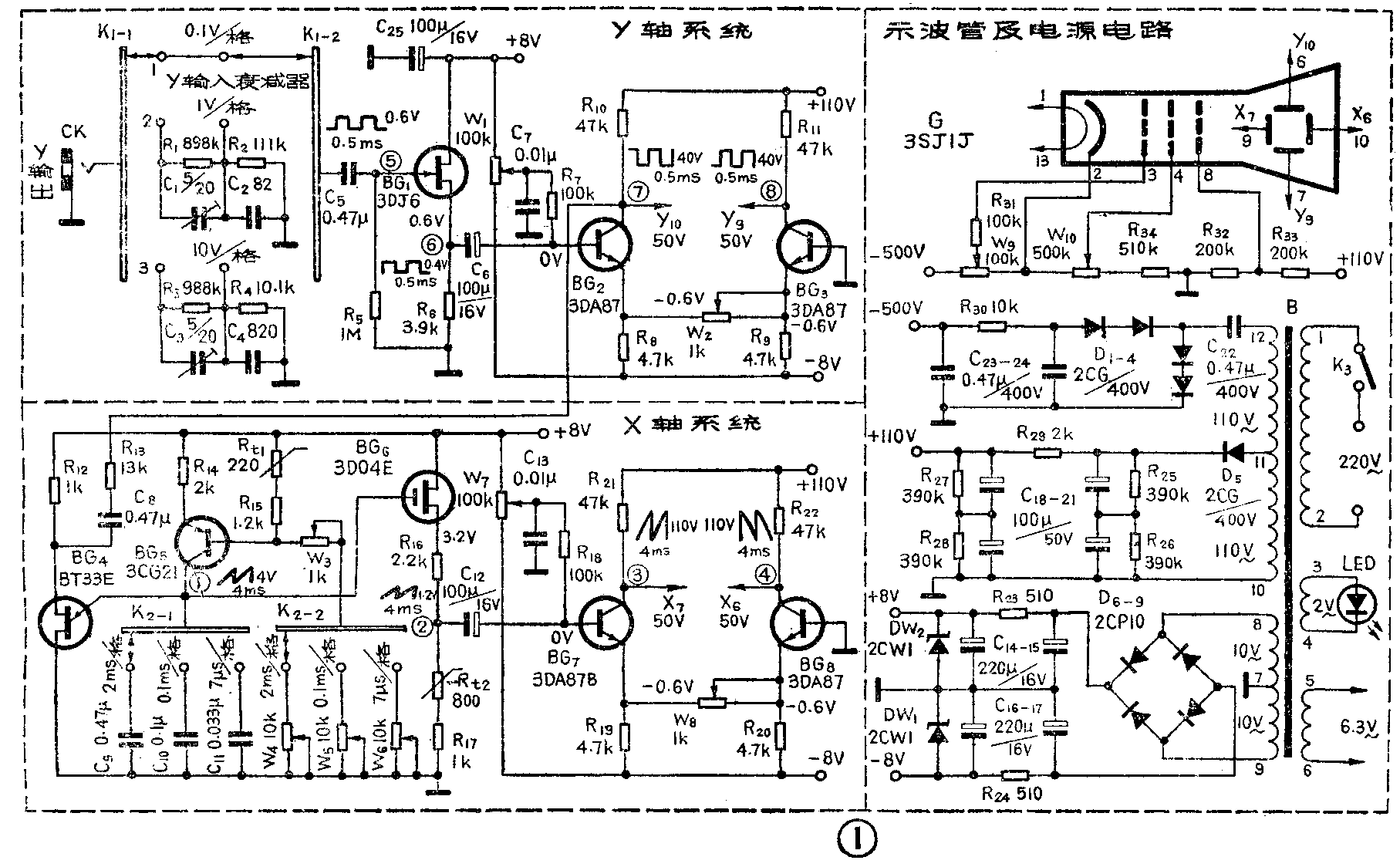
整机电路见图1。电路由Y轴系统、X轴系统、电源和示波管电路组成。

Y轴系统包括衰减器、高阻输入级和差放输出级,见图1的左上半部分电路。R\(_{1}\)、R2、C\(_{1}\)、C2和R\(_{3}\)、R4、C\(_{3}\)、C4组成两个Y轴输入衰减器。当衰减开关K\(_{1}\)置于“1”位时,被测信号输入后不衰减;K1置于“2”位和“3”位时,被测信号输入后分别衰减至1/10和1/100。
被测信号经过衰减器后,经电容C\(_{5}\)耦合到由场效应管BG1等组成的源极输出器电路。使用源极输出器的目的是为了提高输入阻抗,此电路中输入阻抗约为1MΩ,减小了示波器对被测信号的影响。
源极输出器输出的被测信号经电容C\(_{6}\)加到BG2的基极。晶体管BG\(_{2}\)和BG3等组成单端输入、双端2输出的差分放大器。图中W\(_{1}\)为Y轴位移电位器,W为Y轴增益调节电位器。BG2、BG\(_{3}\)的集电极输出的反相对称信号加到示波管的垂直偏转板Y9、Y\(_{1}\)0上。
X轴系统包括锯齿波形成电路和X轴输出级,见图1左下半部。其中单结管BG\(_{4}\)、C9~C\(_{11}\)、R14、BG\(_{5}\)和W3~W\(_{6}\)等组成锯齿波形成电路。从这部分电路中可以看出,与一般单结管锯齿波形成电路不同的地方是充电电阻由晶体管BG5代替。BG\(_{5}\)工作于放大状态,具有恒流特性,改善了电路的充电性能,所以单结管BG4产生的锯齿波线性好。电路中通过K\(_{2}\)-1选择不同的充电电容、K2-2选择不同的直流工作点来保证三档扫速。由于锯齿波发生器要求后级有较高的输入阻抗,否则会使锯齿波线性变坏,所以电路中用场效应管BG\(_{6}\)构成源极输出器,提高了带负载能力。热敏电阻Rt1、R\(_{t2}\)是补偿锯齿波频率和幅度温漂用的。
锯齿波电压由C\(_{12}\)耦合至BG7的基极。BG\(_{7}\)、BG8与BG\(_{2}\)、BG3一样,也是组成差分放大器。它的集电极输出的扫描信号加到示波管X偏转板上。W\(_{7}\)是X轴位移电位器,W8是X轴幅度电位器。
示波管电路和电源电路见图1右半部。
元件的选择与安装
电源变压器B用1.5×2(cm)截面的优质硅钢片铁芯绕制。数据为:1—2绕2200匝,线径为0.08mm。3—4绕21匝,线径为0.16mm。5—6绕79匝,线径为0.49mm。7—8—9双线并绕105匝,线径为0.16mm。10—11绕1155匝,线径为0.08mm。11—12绕1155匝,线径为0.04~0.06mm。线圈均用高强度漆包线平绕,6.3伏灯丝绕组绕在最里层。
高压电容C\(_{22}\)—C24的型号和外壳的制作、示波管屏蔽罩和管座的制作,与83年第7期《无线电》中的《超小型电视机一文》相同。由于电源变压器距示波管很近,所以示波管的屏蔽罩应用优质硅钢片卷绕3层,同时把电源变压器放入用一层马口铁皮焊的小盒里。
差分放大管应配对,要求BV\(_{ceo}\)≥110V、β≥50。单结管BG4要求分压比η>0.6。MOS场效应管BG\(_{6}\)也可用3DJ型场效应管代替。D10为圆型红色发光二极管。
微调电容C\(_{1}\)和C3选用小型瓷介式的,K\(_{1}\)和K2均用KB型4刀3位拨动式波段开关。K\(_{3}\)用KNX-1型钮子开关。W1、W\(_{3}\)、W7均用WS-2型有机实芯电位器,其它电位器均用WH7-A1型微调电位器(半导体收音机用的立式小微调),C\(_{18}\)—C21用CD11型100μ、50V电解电容,实践证明该电容能在60V电压下可靠工作。C\(_{9}\)—C11要用温度系数小的CJ11型金属化纸介电容。Y输入插孔CK用M3.5mm的耳机插孔。其它阻容件力求体积小一些。
为了减小示波器体积,将图1电路设计成6块印制板,见图2(a)~2(f),均为1∶1。

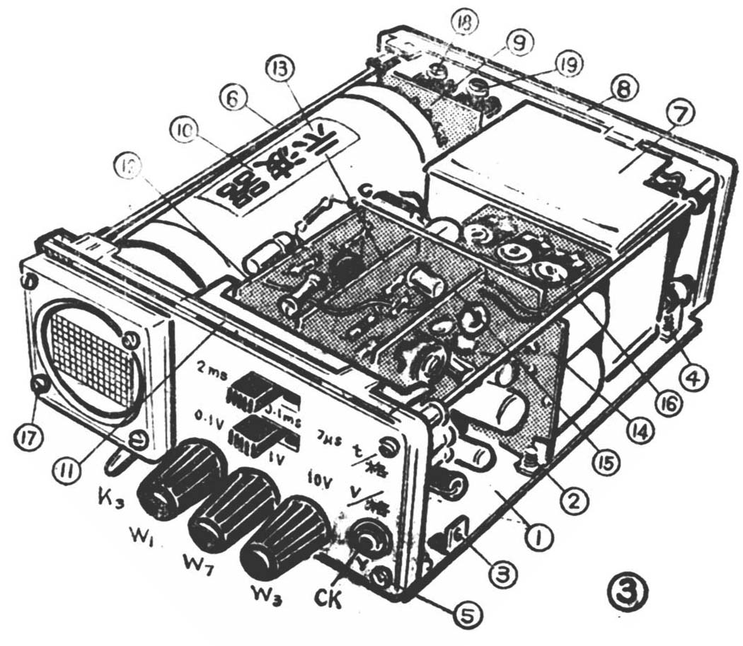
示波器的内部结构见图3,图中各部分说明如下:

①底板,用面积为99×115(mm)、厚约为1.5(mm)的敷铜板作的,有铜箔的一面朝上,兼作大面积地线。
②角铁片,固定印制板用的,上端与印制板的地线焊在一起,下端用M2.5的螺丝固定在底板上。共用10个角铁片。
③小角铁片,下端焊在底板上,上端也用M2.5螺丝固定在外壳的侧板上。共用4个小角铁片。
④自行车车条螺帽,用来将后面板固定在底板上。固定的,先在底板上立着焊上一小块双面敷铜板作为支架板,板上钻一个小孔,螺帽穿过这个孔,在孔的周围用焊锡将它们焊牢。再通过螺丝将面板与底板固定。
⑤螺丝,固定面板用的,共用4个(M2.5mm)。
⑥支撑杆,长为124mm,用车条作的,也通过螺帽、螺丝,固定前、后面板。
⑦电源变压器。
⑧后面板。
⑨示波管电路板。这块印制板固定在后面板上固定220伏电源插座的两个长螺丝上。
⑩示波管屏蔽罩。
前面板,共三层。第一层为面脸,第二层为面板纸,第三层为敷铜板,也作为大面积地线。
X、Y轴输出电路板。
锯齿波形成电路板。
源板。
崆凹兜缏钒濉
描速度调节电路板(W\(_{4}\)、W5、W\(_{6}\)),它的地线铜箔与变压器外壳直接焊起来,其中~四块板立式安装,铜箔引出焊点朝上,下面的接地点铜箔用角铁片与底板固定。
定示波管屏蔽罩的螺丝。
度电位器W\(_{9}\)。
焦电位器W\(_{1}\)0。
W\(_{2}\)和W8通过底板上的4mm孔用改锥调节。
前后面板的尺寸均为48×99(mm),用厚2mm的透明有机玻璃裁成。再把同材料5mm宽的小窄条围在面板四周,用氯仿把它们粘在一起。仪器的盖板和侧板是用一整块122×205×2(mm)的有机玻璃弯成的,加工方法见1983年第7期“超小型电视机”一文。前后面板要突出示波管框形外壳2mm。为了保证散热,在变压器和示波管的上面和侧面外壳上钻些散热孔。示波管屏幕前的坐标刻度板是用钢针在1mm厚的透明有机玻璃板上刻划成的。X轴方向有10个格,Y方向有8个格,每格为2×2(mm)。面板见图4。

示波器的Y轴输入需自制两个如图5所示的10∶1、1∶1的无源电压探头。探头外壳可用10μ、1300V的电解电容铝壳,在胶板上安上50mm长的探针。由于它的工作频率不高,探头引线可用话筒线代用。

调试与校准
电源和示波管电路没有调整的元件,但要注意+110V和-500V高压电源不要空载,以免滤波电容被峰压击穿。观察聚光点前,要把两对偏转板全部接地,光点不要调得很亮。示波管的灯丝不准接地。
调X轴电路时,先调输出级BG\(_{7}\)、BG8差分放大器。调节W\(_{8}\),使BG7的基极电位为0伏,再调R\(_{19}\)、R20使BG\(_{7}\)、BG8的集电极电位均为+50伏。这时调节W\(_{7}\),光点应能在屏幕的X轴方向满幅移动。锯齿波发生器电路很容易起振,如不起振可调R15。X轴电路正常工作时,屏幕上有一条水平扫描线,调节W\(_{7}\)和W8可分别调节它在X轴上的位移和幅度。X轴电路的各点波形见图1中所标明的。
Y轴差放级的调整与X轴相同。BG\(_{1}\)的直流工作点由R6决定。图中所示各点的波形是在信号源输入1KHz、0.6V的矩形波信号加至CK时Y轴的情况。
示波器的校准工作很重要,不然无法定量观测波形。校准时,需借助于标准示波器和矩形波信号发生器。将信号发生器的输出端与示波器Y轴输入端并接,这样可随时观测信号源的幅度和频率。校准工作分两步:
1.Y轴灵敏度及衰减器校准:将矩形波发生器输出频率为1KHz、幅度为0.8V的信号送至Y轴输入CK孔,K\(_{1}\)置于0.1V/格档,然后调W2,使屏幕上的矩形波在Y轴方向刚好占8格。再把K\(_{1}\)分别置于1V/格和10V/格两档,调节矩形波发生器的输出幅度,使屏幕上显示出适当幅度的波形。调高频补偿电容C1、C\(_{3}\),使屏幕上的矩形波没有畸形。
2.X轴扫描速度校准:由矩形波发生器先送给Y轴输入端CK孔一个一定幅度、周期为20ms的脉冲信号,将W\(_{3}\)旋在中间位置,K2置于2ms/格档,调W\(_{4}\)使波形同步,再调W8使波形的一个周期在X轴方向上刚好占10格。然后再分别送入周期为1ms和70μs的信号,分别调W\(_{5}\)、W6使波形同步并占满10格。
使用
这台示波器的使用方法很简单。先接通电源预热一分钟后,调亮度及聚焦钮W\(_{9}\)、W10。屏幕上会出现一条水平扫描线。这时将被测信号加到Y轴CK孔,拨动K\(_{1}\)、K2开关至合适档位,调W\(_{3}\)使在屏幕上出现一定幅度、一个或数个周期的信号的稳定波形,再调W1、W\(_{7}\),使波形起始点与座标相对齐,即可进行定量观测了。例如,某波形的一个周期在屏幕的X轴方向上占了9格,幅度在Y轴方向上占了7格,此时K2置于0.1ms/格档、K\(_{1}\)置于1V/格档,那么就可以测出该信号周期为9×0.1=0.9ms、幅值为7×1.7V(峰峰值)。由于这台示波器的“扫速选择”只有三档,所以有时屏幕上显示的波形周期很密,不利于观测。为此,我们可以用计算的办法来弥补,计算公式为
T=\(\frac{A}{_{k}}\)×AB
式中T为周期,A\(_{k}\)为K2所置的档,A为X轴方向占的格数、B为A格内的周期数。例如,观测某波形时,A\(_{k}\)为0.1ks/格、A=6、B=5,则求出
T=0.1×65=0.12ms
由于设计这台示波器时,考虑到了修理电视机扫描电路用,所以当K\(_{2}\)置于2ms/格和7μs/格两档时,场、行频波形基本上可以在屏幕上满幅显示一个整周期,以增加测量精度。若配用10∶1电压探头可在10V/格档测量行输出级的行逆程电压的幅度和脉冲宽度。这时的等效Y轴衰减为100V/格。0.1ms/格是修理低频放大器用的。实践证明,K2的三档扫速与周期计算公式配合使用,可以测量的周期范围是20ms~3.5μs。
示波器在使用过程中亮度不要调得过大,另外,电源电压应在220V±10%范围内变化,否则将引起较大的测量误差。示波器的连续工作时间最好不要超过3小时。

超小型配套测试仪共五件,为了便于携带和存放,用厚约为3mm的有机玻璃粘一个容积为210×200×65(mm)的盒子,盒子内壁还要粘上有机玻璃片,作为卡头,将各个仪器卡在一定的位置上,见图六所示。(张建民)