上期本刊发表了《彩色电视机制式的业余改造方法》,下面介绍采用这种方法改制的实例,供读者参考——编者
原在日本使用的一台SONY牌KV-1801型彩色电视机,由NTSC制改为PAL制的方法如下。
一、画电路图
由于没有找到原机电路图,所以改制工作的第一步就是画它的有关部分电路图。
1.按照上期介绍的方法,先画尾板电路图。该机尾板上的显象管管座接线脚处,标有英文字母如图1。由字母代表的意义可知:1、14脚为灯丝,4、13脚为加速极,2、6、11脚分别为蓝、绿、红阴极,3、7、12脚分别为蓝、绿、红栅极,9脚为聚焦极。从这些管脚出发,画出显象管的尾板电路图,如图2,并用万用表测出各脚工作电压值,标在图上。


2.从显象管尾板到解码板之间,有红、绿、蓝三根色线,它们的一头与显象管红、绿、蓝三阴极分别相连,另一头接到解码电路板上分别标有B、G、R字母的点。从这三点出发画出基色矩阵电路图,如图3,同时也用万用表测出各点工作电压值标在图上。

3.从原机面板上,拆下装有彩色饱和度(COLOR)和色调(HUE)控制电位器以及自动、手动转换开关的控制电路板。从该板到解码板有四条导线,其中从饱和度控制电路到解码板有两根导线,灰色隔离线接到解码板的⑤号端点;带红条的灰色隔离线接解码板⑦号端点。色调控制电路到解码板也有两根导线,白色隔离线接到解码板的⑩号端点:红色隔离线接到解码板的号端点。画出这部分电路图,如图4,并在图上标注两个电位器的阻值。

4.再从解码板上的⑤、⑦端点出发,画出色度带通、放大及色度自动控制(ACC)等电路图,如图5、6。根据解码器板③号端点的黑色隔离线与图象中频电路板连接这一点,可以确定该导线是全电视信号线。


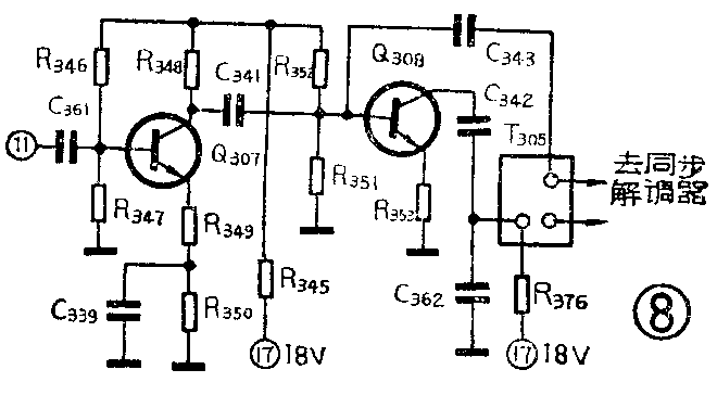
5.从解码板的⑩、端点起,画出色同步选通,副载波振荡、放大以及同步分离和自动频率控制(AFC)等电路图。如图7、8。由所画电路图看出:Q\(_{3}\)05是色同步选通电路,Q309输出的是行同步脉冲,AFC电路中的端点有行逆程脉冲。这可用上期介绍的检波器与万用表相配合的方法进行测量,测得Q\(_{3}\)09集电极行同步脉冲为0.36V(2V-档)、200μA(0.5mA档)。在测量端点时,发现表笔接触该点时火花严重,同时行输出变压器发出叫声。是由于测量时,脉冲通过0.1μf电容后被二极管短路到地,说明该点的行逆程脉冲是负向脉冲,不能使用。


6.原机第二伴音中频为4.5MHz,而我国彩色电视色度信号副载波频率为4.43MHz,二者相差无几。为了使副载波色度信号不被4.5MHz回路吸收掉,须找到原机第二伴音吸收回路并加以改造。为此,就从解码板的③号端点出发,向中频电路板查到⑥号端点,画出这部分有关电路图,如图9。至此,与改制有关的电路图已画完了。下面便可对电路进行分析,确定改制方案。

二、分析电路确定改制方案
由所画的电路图2和图3可以看出:这部电视机采用的是外矩阵电路。其基色矩阵电路由Q\(_{4}\)01~Q406六只晶体管电路组成。从Q\(_{4}\)09送来的亮度信号Y同时加在Q404、Q\(_{4}\)05、Q406的基极,从解码器送来的B-Y信号经L\(_{3}\)07加在Q401的基极,R-Y信号经L\(_{3}\)08加在Q402的基极,G-Y信号经L\(_{3}\)09加在外Q403的基极,在矩阵电路内解出R、G、B三个基色信号,再经放大后由)、R)、G)端点输出至显象管阴极。因此可以确定:亮度信号和三个色差信号可以分别送进基色短阵电路。从图3还可确定,亮度信号电路、色差信号电路与矩阵电路之间为直流耦合电路。
由图5和图6可看出,从图象中频电路板送来的全电视信号经解码板的③号端点分两路输出:一路经R\(_{442}\)去亮度信号通道;另一路经C301加到T\(_{3}\)01(带通变压器),由T301出来即成为副载波色度信号,再经Q\(_{3}\)01放大、T302选频后送到解码板⑤号端点,再加到控制电路色饱和度控制电路上。经调整后的副载波色度信号送到解码板的⑦号端点,再经Q\(_{3}\)03放大,加到三个同步解调器。从分析中得出的这个色度信号的流通过程可以看出:副载波色度信号可以从T301或T\(_{3}\)02后面取出。但这样就舍弃了面板上的色饱和度控制电路,如果要保留这部分,可以从解码板的⑦号端点取出。
由上述可知:这台电视机初步具备了采用PAL制解码集成电路进行改制的条件,即(1)副载波色度信号可以从原电路中取出;(2)亮度信号和三个色差信号都能单独地送入基色矩阵电路。
为了探求采用第一类改制方案的可能性;寻找采用第二类改制方案所需行同步延迟脉冲和行逆程脉冲等信号,还需要分析一下图7和图8电路图。由图中看出Q\(_{5}\)03和二极管D1、D\(_{2}\)等组成的是同步放大和行AFC电路。其基极输入的一定是行同步脉冲,因此Q309集电极也一定输出的是行同步脉冲。这个行同步脉冲经R\(_{372}\)、R373、L\(_{3}\)06和C327组成的延迟电路后加到Q\(_{3}\)05基极。Q305是色同步选通管,副载波色度信号经C\(_{311}\)、L302和VR\(_{3}\)02也加到它的基极,同时Q305与X\(_{3}\)01等又组成副载波恢复电路。恢复后的副载波经Q306放大、由解码板⑩号端点送到控制板上的色调控制电位器,经调整又回到解码器板的号端点,再经Q\(_{3}\)07、Q308放大后加到三个同步解调器。由分析电路可知它没有单独的鉴相器电路,难以取得7.8KHzPAL识别信号,采用第一类方案改制比较困难,所以决定采用本刊1983年第2、3期所载改制方案,即第二方案。它所需要的延迟行同步脉冲和行逆程脉冲能从上述电路中得到。
由图3知道,本机为直流耦合电路,耦合点的电压是否能与新制作的P解码板相吻合,还需加以考虑。结合时,亮度信号可以维持不变,而TA-7193集成电路的三个色差信号输出端直流电压为7.5V左右,原机矩阵电路三个色差信号输入端直流电压为4.8V,差2.7V,采用串入硅二极管的方法只能降压2V左右,余下的差值用调节亮度电位器和三个白平衡电位器的方法可以得到解决,所以与新制作的P解码板能够吻合。
三、P解码板与原机电路接合
1.结合前的准备
(1)在原机未接入P解码板之前,原机的解码电路不动,只把晶体由原3.58MHz的更换成4.43MHz的。然后开机,送入(接收)彩条信号。调整图5~图8中的T\(_{3}\)01、T302、T\(_{3}\)03、T304、T\(_{3}\)05和图9中的图象中频电路板上的伴音吸收回路T207(标有4.5MHzTRAP),使荧光屏出现彩色条,逢左至右依次为白、黄绿、粉、橙黄、紫、红、蓝、黑八条,并使彩色浓度最大。若各彩条色不均匀,可在T\(_{2}\)07两端跨接一只300Pf的电容,颜色就能基本均匀,
(2)检查新组装的P解码板,完全正常后再把它接入原电视机电路。
2.P板与原机的结合
P极所需的电源和信号,可分别从下述电路中解决。
(1)12V电源:原机解码电路采用18V直流电源。新组装的P解码板需要12V(60mA)的直流电源,可以采用电阻降压的方法,在18V电源中串入一只100Ω(5W)电阻,得到12V,另外加一只去耦电容(100μf、16V)。但是,为了不使行输出级负载过重,而采用从110V直流电源中经1.5K(5W)电阻降压,配合稳压管稳压,取得12V电源的方法较好。
(2)三个色差信号:可采用前述方法解决,这里从略。
(3)副载波色度信号:由图6中的⑦号端点经电容C\(_{318}\)取出,C318后面的电路切断。
(4)延迟行同步脉冲:由图7中的Q\(_{3}\)05基极电路中的R324后取出,它以后的电路切断。
(5)双稳态电路用行逆程脉冲:因原解码板端点(图7)之行逆程脉冲是负极性的,不能用,而且原电路中又无其它的行逆程脉冲可利用,所以采取下面两个方法解决:①从Q\(_{3}\)09集电极取未经延迟的行同步脉冲,代替行逆程脉冲;②在行输出变压器上加绕一个三匝的绕组,取得行逆程脉冲。其极性可用试验法确定,也可用万用表配合附加检波器来测定。
(6)色饱和度控制:用阻值为47K电位器,上端接12V电源,下端接地,中心头经33K电阻接至TA-7193。该电位器可装在P解码板上,也可装在机壳面板上的色调钮处,作为彩色饱和度辅助调整用。
(7)地线:要连接可靠。
四、调试方法
各结合点,经检查无误后,可开启电视机电源进行调试。
1.调整亮度电位器和白平衡电位器,使荧光屏发光亮度正常。
2.测量TA-7193各脚直流电压应基本正常。
3.接收彩条信号,这时荧光屏光彩色,可在TA-7193与地之间接入100K电阻,就会出现彩色,但不同步。调整鉴相电路的电位器若无明显改善时,可把P解码板上的与4.43MHz晶体串联之电容C\(_{514}\)(图10)改为5/20Pf的半可变电容,调节此电容则使彩色同步、彩条颜色正常。但是在2、6、8频道中,只能有一个频道的彩色正常,另外两个频道的彩色仍不同步。这时再调整鉴相器就可使它们的彩色同步正常。但原来能同步的那个频道又不好了。

4.把TA-7193脚与地之间的100K电阻去掉,二极管D\(_{5}\)01也去掉,改用150K电阻和68Pf电容并联网络引入延迟行同步脉冲。这时可使两个频道的彩色正常,但色同步范围仍然很小。
5.把图10鉴相器电路中的R\(_{517}\)(在TA-7193⑨⑩脚外接网络中)并上一只100K电阻,则三个频道均能正常。最好去掉TA-7193所接的100K电阻,调试即完成。(杜呈)