立体声传声器是专门为立传声扩音和立体声录音而设计的一新型传声器。就其换能原理来说,立体声传声器和单声道传声器是一样的,它们不同的地方,只是立体声传声器是由两只性能完全一致的单声道传声器组合成一体而制成的。例如,由两只单声道动圈传声器组成的,叫立体声动圈传声器;用两只单声道电容传声器组成的,叫立体声电容传声器;用两只单声道驻极体传声器组成的,叫立体声驻极体传声器,等等。目前国内、外普及的是立体声动圈传声器和立体声电容传声器。
两只单声道传声器随便组合起来并不就能成为一只立体声传声器,而是应满足一定要求。根据不同使用要求,立体声传声器分成几种制式,下面介绍常用的A—B制、X—Y制、M—S制三种制式。
1.A—B制立体声传声器:图1为其简单的拾声示意图,这是一种最简单的拾声方法。它的结构特点是将两只性能完全相同的单声道传声器A和传声器B,按照一定要求拉开一定距离(一般为人头两耳朵之间的距离),固定在双头支架上,就构成了A—B式立体声传声器。每只单声道传声器可以都采用圆形指向性的(又称全方向型),也可都采用心形指向性的(又称单方向型)。

从图1中可以看出,A、B两只传声器之间有一定距离。如果声源S处于两只传声器中心连线的中心垂线上,则声源相对于传声器A和传声器B来说,距离是相等的。但是实际上声源在多数情况下不是一个点,而是一个面声源,每一个声源到传声器A和传声器B的距离总是有差别的,这样就出现了在声音到达两个传声器的瞬间,有时间上先后的差别,于是造成了时间差、相位差和声音的强度差。在进行立体声重放时,由于两传声器有一定距离,则会出现中间部位声象减弱的现象。在实际使用时,比如在用来拾声时,可再附加一个单声道传声器,将其置于A、B拾声传声器的中间,或者放声时在左、右声道的扬声器中间再附加一只扬声器。传声器A和传声器B之间距离拉开的越远,中间声象减弱的现象越严重,所以两只传声器之间的距离要适度。
这种A—B制式的立体声传声器,结构简单、价格便宜、使用方便、效果也不错,很适宜用作家庭立体声录音机的外接传声器。目前有些室内立体声录音或厅堂立体声扩声,当手头没有其它制式的立体声传声器时,选用两只质量较好、性能接近的电容传声器作为立体声传声器,也可以达到一定的立体声效果。
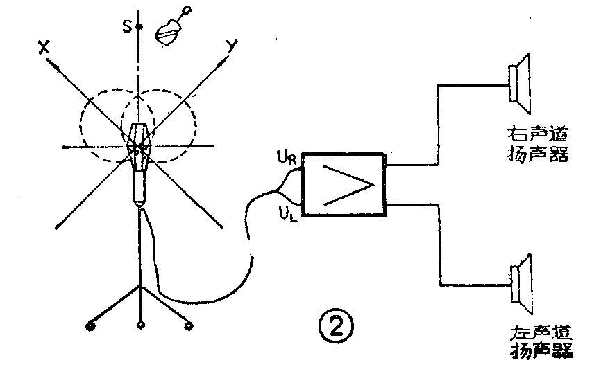
2.X—Y制立体声传声器:这是由两只性能完全相同的单声道传声器组成的一个“传声器对”,两只单声道传声器一上一下的近距离同轴安装在同一壳体结构里,从外观上看就是一只传声器,只是比一般单声道传声器体积稍大些。壳体内部上下两只单声道传声器的振膜可做相对角度的旋转,一般可在0°~270°或0°~360°范围内变化,其相对角度可由使用者根据拾声场地和节目内容的性质灵活调节选定。内部所采用的两只单声道传声器的指向性,可以全采用“8”字形的;也可以都采用心形的,如图2所示。调节两只传声器的振膜的相对位置,实际上就是调节两传声器的主轴夹角,若主轴夹角调节成90°,则两主轴的方向分别相当于直角座标中X轴和Y轴的方向,因此它才取名“X—Y”制式。但两主轴夹角不是只能为90°,而应是按拾声所要求的包络范围而定。由于两只单声道传声器非常紧凑地安装在一起,声源S到两只单声道传声器振膜的距离基本可视为相等,因此不存在时间差和相位差,只存在声音的强度差。

这种X—Y制的立体声传声器,拾声后的重放效果要比A—B制的更有真实感。由于两只传声器重合在一起,所以也不会发生相位干涉现象,但对两只单声道传声器的性能要求较高,在成对装入壳体以前,必须经过精心挑选,使其性能尽量完全一致。这种传声器适宜用于专业立体声拾声场合。
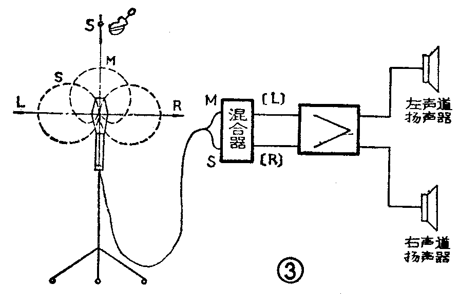
3.M—S制立体声拾音器:这种传声器在内部结构上基本和X—Y制一样,其区别仅在于所选用的两只单声道传声器的方向性不同。M—S制式的实施方案如图3。其中,一只传声器M选用心形或圆形方向性的,另一只传声器S选用“8”字形方向性的。传声器M的主轴向着声源中央方向,也就是说传声器的振膜对着声源中心;另一只传声器S选用“8”字形方向性的,如图所示让传声器的“8”字形特性横过来向着两边拾声,可通过调节设在传声器上的控制开关来达到上述目的。M—S制中,“M”的意思是取英文Middle(中间)或MONO(单声道)的字首,具有双重含意;“S”是取英文Side(旁边)或Stereo(立体声)之字首,也是具有双重含意。

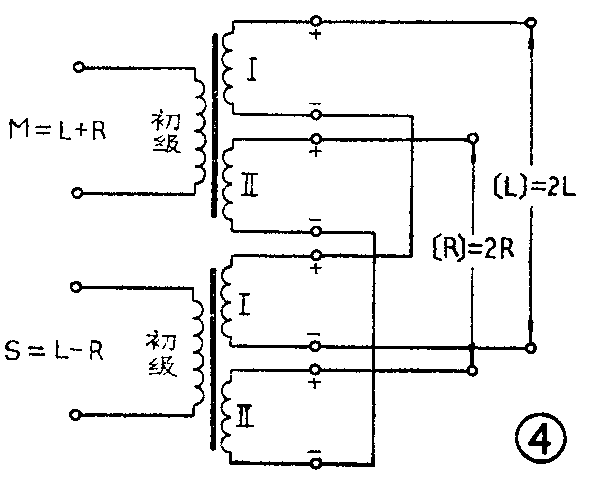
按图3所示的立体声传声器中,传声器M的拾声信号为M=L+R,传声器S的拾声信号为S=L-R(假定S传声器朝向左方)。使用这种传声器时,不能简单地将M传声器和S传声器的输出信号分别接入立体声调音台的左右声道去进行扩音,而是必须将两只传声器的输出信号进行“和”与“差”的变换后才能作为左右声道信号使用。即左声道进行“和”变换后,得到〔L〕=M+S=L+R+L-R=2R;右声道进行差变换后得到〔R〕=M-S=L+R-L+R=2R。这个和与差的变换任务由附设的一种混合器(又称加法器或减法器)来完成。混合器的形式有许多种,图4为一种用变压器混合的原理图,它是两个变压比为1∶1的变压器,即两个变压器的次级绕组Ⅰ和Ⅱ与其初级绕组之间的变压比均为1∶1。M传声器的输出信号电压和S传声器的输出信号电压分别加在变压器的初级,经变压器耦合后,在次级的电压的相位如图4,于是我们将两个变压器的次级绕组Ⅰ如图所示连接起来得到立体声左声道信号〔L〕,而将两个绕组Ⅱ如图连接起来,得到右声道信号〔R〕,然后再将〔L〕、〔R〕两个信号分别送给立体声调音台的左、右声道输入端即可。一般说来,混合器都安装在调音台入口处,使用起来较为方便。也有的设计成传声器的一个附件,随同传声器一起配套使用。

近年来生产的一些立体声传声器,常常是将X—Y制和M—S制合并成一只立体声传声器,其道理是里面每只单声道传声器上都设有一个方向性控制开关,通过控制这一个开关,可以任意控制这一个传声器的方向性,例如可以控制为心形、圆形、“8”字形等。可以看出,只要适当控制每只单声道传声器上的方向性控制开关,就可获得X—Y制式或M—S制式。
M—S制式的立体声传声器性能较优越,而且兼容使用性能好,但使用时需另配混合器,比较麻烦。目前大多采用X—Y制。实际使用时,究竟选用哪一种制式的立体声传声器为好,要通过现场试验决定。(程振芝)