在我们周围的物质世界中,大家能看到许多容器,如粮仓、油并、食品器皿等等。在无线电设备中,却有一种与众不同的容器,在它内部可储存电荷,我们称它为电容器。
电容器的充电和放电
电容器的基本结构是由两块金属板,相对平行而不相接触组成。如果把金属板的两端分别接到电池的正、负极,那么接电池正极的金属板上的电子就会被电池的正极吸引过去而带正电荷;接电池负极的金属板,就会从电池负极得到电子而带负电荷。这种现象就叫做电容器“充电”。当两块金属板所充的电荷所形成的电压与电池的电压相等时,充电就停止,电路中就没有电流。如果将电容器与电池拆开,用导线把电容器两金属板接起来,在刚接通的一瞬间,电路中便有电流流通,这个电流与原充电的电流方向相反。随着电流流动,两金属板之间的电压很快降低,直到两金属板上的正、负电荷完全消失,这种现象叫“放电”。
在电工学上,像这种两个金属片充电的现象称为容电现象。
综上所述,电容器具有容电的本领,为了说明某一种电容器的容电本领大小,给它一个专门名称——电容量。电容量的基本单位是法拉,用字母“F”表示。在实际应用上,由于法拉单位太大,常用百万分之一法拉,称作微法,用“μF”表示;有时也用微法的百万分之一为单位,称作微微法拉,用字母“pF”表示。它们之间的换算关系如下:
1法 拉=1,000,000微法
1微法拉=1,000,000微微法
电容器能“通过”交流电
电容器对各种电流(交流电和直流电)是否和电阻一样平等对待,还是和电感一样分别对待呢?下面我们做一个实验,如图1a所示,电源是直流电源,电路中串有电容,灯泡不发亮,这说明直流电不能通过电容器。在图1b所示电路中,接入一个交流电源,此时灯泡就发亮(当然灯泡功率、电容量和电源电压要配合好),这说明交流电可以“通过”电容器。

这样一说,是否在加有交流电源时,电荷能通过电容器从一个极板穿过介质而“跑向另一极板呢?实际上并不是这样,为了更清楚了解这一概念,可以用图2的装置来作比喻。图中交流电源相当于抽水机,电容器相当于一个橡皮膜片。当抽水机不断来回抽动时,膜片就来回振动,两边水管中的水也就同时来回流动,但是,此时并没有水流真正从膜片一边穿过膜片而跑向另一边去。虽然水流没有直接经过膜片而形成环流,但是从整个水流的流通通路来统一看,等效于水流通过膜片一样。但这样的橡皮膜片只能通过上述来回往复流通的水流,而不能通过单向流通的水流。

上述情况与电容器接入交流电源中情况是相似的。由于交流电的大小和方向在不断地变化着,电容器也必然交替地进行充电和放电,因此,虽然电荷并不穿过电容器的极板,电路中也会不停地有电流流动,这就是电容器能“通过”交流电的道理。
容抗
当交流电加到电容器两极板上时,由于交流电源所产生的电流大小与方向都是随时间而改变的,所以在电容器两极板上有着重复的充电和放电过程。由于充、放电电流正比于电荷在单位时间内的变化量,即电荷变化的速度,频率愈低(意味着电荷变化慢),每周的平均充(放)电的电流就愈小,而频率愈高(意味着电荷变化快)平均电流就愈大。而电流愈大,这就意味着电路上阻力愈小。这就是说,电容器对频率高的交流电的阻力小;反之,对频率低的交流电的阻力就大些。这种阻力称为“容抗”。容抗大小还与电容量的大小有关,电容量越大,表示容纳电量就多,对同一电源电压,电容量愈大,能存放的电荷愈多,故电路上充、放电的电流就大。很显然,电容量大就意味着对交流电的阻力小。上述关系,用数学式表示为:
X\(_{C}\)=\(\frac{1}{w}\)C=1;2πfc
式中X\(_{C}\)表示容抗(欧);f表示交流电频率(赫或周/秒);C表示电容(法拉)。
由这个关系式可清楚地知道,交流电的频率越高,电容器的电容量愈大,容抗就愈小。
综上所述,电容器不能通过直流电,但是能“通过”交流电。它对交流电有一定的阻力。利用这种基本特性,电容器在电路中得到广泛的应用。
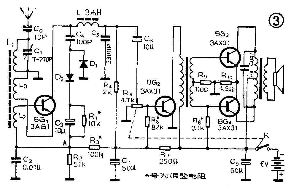
电容器在四管机中的应用
图3为四管再生来复式收音机电路图。电容C\(_{0}\)一般采用瓷片电容,它把天线接收的无线电信号耦合到输入电路;因此称它为耦合电容。C1与线圈L\(_{1}\)组成并联回路,利用并联谐振特性,可以达到选台的目的。改变C1的容量,可以收到不同频率的电台信号。所以C\(_{1}\)称为调谐电容。

C\(_{2}\)选用纸介或涤纶电容,容量为0.01微法,它对高频信号呈现的容抗很小,比晶体管BG1的输入阻抗小得多,因此线圈L\(_{2}\)中高频信号在C2的损失很小,绝大部分加到BG\(_{1}\)基极与发射极之间进行放大。同时此电容还把检波后的残存高频分量旁路掉,称C2为高频旁路电容。
C\(_{3}\)采用电解电容器,容量为10微法。它对音频信号容抗较小,在400赫时的容抗约为40欧,它比R1(10K)小得多,故电容C\(_{3}\)称为音频旁路电容。
C\(_{4}\)选用云母电容,容量为100微微法。它对高频信号的容抗不大,如对1000千赫信号的容抗约为1.6千欧,故高频信号容易通过C4耦合至检波器。C\(_{4}\)对音频信号的容抗较大,如对400赫信号的容抗约为4兆欧,所以经BG1来复放大后的音频信号不能通过C\(_{4}\),而通过L加到BG2的基极进行放大。
C\(_{5}\)选用瓷片电容,容量为3300微微法。它对高频信号的容抗较小,例对1000千赫的容抗为45欧,与阻值为2K的R4相比是很小的,故漏过L的高频信号多经过C\(_{5}\)入地,C5称为高频旁路电容。C\(_{5}\)对低频信号的容抗较大,例对400赫的信号约为120千欧,与R4相比是非常大的,C\(_{5}\)对音频可看成开路。
C\(_{8}\)选用电解电容器,容量为10微法。它对音频的容抗较小,在400赫时约为40欧,与R5相比是很小的,因此对音频信号而言起耦合作用,C\(_{6}\)为耦合电容。同时因为有了C6,BG\(_{1}\)的集电极电压不会加至BG2基极,因而对直流而言,它起着隔直流的作用。
当电池用旧时,内阻增大,信号容易通过电池内阻产生寄生反馈引起低频自激。C\(_{9}\)并联在电池两端后,它对音频信号起旁路作用,这样就可以防止各级间因电池内阻增大引起的有害耦合。
C\(_{7}\)选用电解电容器。有了它可防止级间耦合而产生低频振荡。C7称为级间退耦电容。
C\(_{8}\)选用纸介电容器,它对音频信号中的高端信号有衰减作用,因此称为高音衰减电容。(刘孙刚)