本文所介绍的玩具电子琴电路结构比较简单,整个键盘虽然只有九个琴键,但是却能演奏三个八度音域以内的乐曲。可以满足弹奏一般歌曲的需要。这部电子琴上还装置有辉光数码管作音阶显示。在演奏乐曲时遇到高、低音符时,有灯泡作显示,显得格外新颖。由于该琴的琴键数较少,制作起来较为简单,适合初学者制作。
工作原理
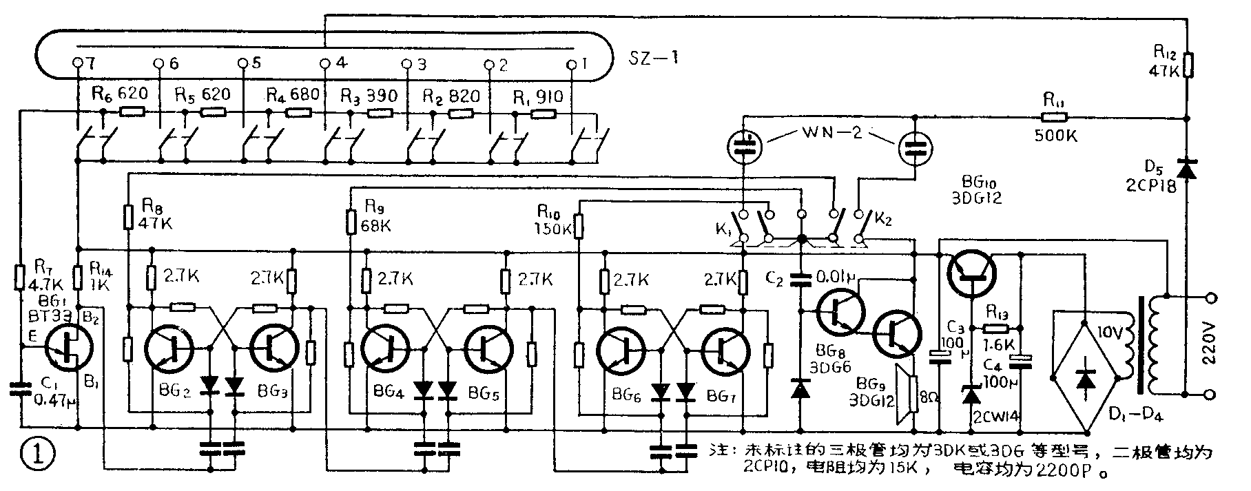
玩具电子琴的全部电路如图1所示。电路由五部分组成:①音阶振荡器;②分频器;③音频放大器;④音阶控制及显示器;⑤电源。

音阶振荡器由单结晶体管BT33与阻容元件组成。通常单结晶体管工作于截止状态。当我们按下某一个琴键时,就将R\(_{1}\)~R7中的部分电阻接入回路,这时C\(_{1}\)就通过它们进行充电。当电容上电压上升到BT33的峰点电压后,管子开始进入负阳工作状态。EB1结的阻值随之下降,电容迅速通过EB\(_{1}\)结放电。电容上电压下降到BT33的谷点电压后,管子又恢复到截止状态。电容将再次充电。这样周而复始产生了一系列振荡脉冲,其振荡频率可由下面近似公式算出:
可以看出,在单结晶体管的分压比η确定后,电路的振荡频率取决于RC的乘积。电阻阻值越大,振荡频率越低,也就是音调越低,反之则相反。
值得注意的是,这里的音阶振荡器的输出是取自单结晶体管的B\(_{2}\)端,而不是通常的B1端。这是因为由于后面的分频器选用了NPN型的三极管,电路需要用负脉冲进行触发,如果从B\(_{1}\)端引出正脉冲(这时B1端下面应接一定阻值的电阻)触发分频器,虽然脉冲后沿也能使其工作,但由于脉冲宽度太窄工作不易稳定。由于C\(_{1}\)的容量值不大,故B1端虽然省去了电阻,但在C\(_{1}\)放电时不会损坏管子。
分频器由三级二进制双稳态触发器所组成。三级电路的参数完全相同,工作过程也一样。当一级电路中某一个三极管处于导通状态时,另一个三极管就一定处于截止状态。这是由于导通管的集电极电位很低约在0.2伏左右,不能使截止管开启。而截止管的集电极电位较高又保证了导通管可靠地导通。这样就形成了一种稳定的工作状态。当它的输入端有负脉冲进入时就翻转一次,一个双稳电路等于一个二分频电路,其输出脉冲频率为触发脉冲频率的一半。从三级分频器上依次可以得到频率为音阶振荡器振荡频率的二分之一、四分之一,八分之一的方波振荡。在乐理上八度音程之间的频率关系恰为1:2的关系。例如在同一个音调中,“1.”音的振荡频率是“1”音的二分之一,而“1.”的振荡频率又是“1”音的二倍。因此我们从三级分频器中可以得到三个八度的音程关系。当低音键K\(_{1}\)与高音键K2均不按下时,音频放大器的输入端是接在第二级分频器的输出端上的,可以获得中音。按下K\(_{1}\)或K2时相应可获得低八度音或高八度音。
音频放大器是由3DG6与3DG12复合而构成射极输出器直接推动扬声器。输入端上的二极管是为隔直电容C\(_{2}\)设置的放电通路。如果没有它则电容C2只能充电不能放电,最终会使放大器发生阻塞,而不能正常工作。
音符显示器是由辉光数码管SZ-1组成。在按下琴键的同时,不仅给音阶振荡器接入一定阻值的电阻,使其产生某一频率的振荡,同时也将数码管相应音符数字的阴极电路接通,显示出音符来。高音与低音的显示各由一只氖灯来担任。
元件的选择
单结晶体管BT33的分压比η在0.4~0.8之间均可。由于分频器工作速度低,所以对分频器中的元件参数要求不高,只要基本对称就可以使用。三极管β值大于20即可。图1中未标注阻值的电阻,它们阻值均一样,可在10K~30K之间选用。未标明数值的电容容量值均一样,可在200P~0.02μ范围内选用。音频放大器中复合管3DG6与3DG12两管的β值之积要求大于一千倍。电源调整管BG10选用中功率晶体管3DG12或3DK4等,要求β≥20,BVCEO≥20V。稳压管2CW14也可以用废三极管发射结(反向运用)代替,只要稳压值在7伏左右即可。电源变压器可直接选用市售输出电压为10伏的电铃变压器。
线路板见图2所示。选用厚1毫米左右的绝缘板制做。键盘可自制,首先选用厚约0.5毫米左右的具有一定弹性的铜皮按图3b尺寸进行加工。然后把180×70×15(毫米)的木板胶合在铜皮上方,并且木板边与图中铜皮的AB边重合,在黑点处用小钉钉牢。要注意小钉的长度不得超过木板的厚度。要用钢锯沿图中各虚线处锯开。如有条件最好在台钳上沿虚线处夹紧后再锯。全部锯完后,将每一个琴键下面的铜皮微弯一些,使它们在工作时更加富有弹性。最后在整个键盘上刷上白漆。再刷上黑漆代表半音键。琴键的静接点支架选用255×8×3毫米的绝缘板按图3a所示的尺寸加工制成。用直径约为1.1毫米的裸铜线参照图4所示穿过小孔后弯折,用钳子夹紧固定后制成接点。各音阶电阻直接焊在这些接点上。



高低音键下方的控制开关(P、Q两片组成)也用同样的铜皮制做,具体尺寸见图3C。在虚线处弯成直角。小的Q片弯成之字形。最后按图4所示固定在底板上。注意要调整P、Q之间距离。要求不按键时,Q、P两片接触良好,但不能与上面琴键中C、D、E、F、铜片相接触,而按下低音或高音键时Q、P要分开,同时C、D、与C’、P相接触;或E、F与P、F’相接触。
由于电路直接与市电相连,为了安全起见琴盒需用木板制成。也可以用塑料或其它绝缘板粘结而成。当然,最好是用具有高压线圈(200伏左右的)的电源变压器,这样数码管阳极供电可由高压线圈供给。这时就无上述问题了。
调试与演奏
在电路调试过程中为了确保人身安全,先不连接数码管与氖灯的高压供电回路。待全部调试工作完毕后再将它们接通。
一般说来电子琴装配后的调试任务主要是在音阶振荡器这一部分。音阶电阻的调整关系到整个琴的音阶是否正确。所以这一工作一定要认真细致。
电路中给出了各音阶电阻的参考值,制作时可先根据所给数值选定,然后再查核各音的准确度。最方便的办法是用口琴来核查。检查应由7音到1音来进行。按下琴键后仔细听电子琴发出的声音是否与乐器声相同。若发现某个音不准,例如5音偏高时则应增加R\(_{5}\)的阻值。偏低时则相反。调试工作虽然是在中音区进行,但只要这七个音的关系调准,那么高音区与低音区也就一定准确。
在调试过程中可能会遇到按键后扬声器不能发音的现象。这时应首先检查音阶振荡器是否工作,可用万用表检查BT33B2极电压变化情况。若不按键时电压约在5伏左右,而按键后电压有所下降,则说明单结晶体管已起振。若没有一点变化则故障就在这部分。分频器产生的故障也可以用万用表检查出来。每一分频器两管的集电极电压在不按下琴键时,应为一个低电位(小于0.3伏)一个高电位(大于5伏)。至于哪个低哪个高是无所谓的。如不符合则应调换三极管。当按下琴键后两管集电极电压都应为电源电压之半约为3伏左右(平均电压)。若按下按键电压不变,则说明该级没有工作。这时可分别对地短接两个三极管的基极,看其是否具有两种稳定的工作状态。若不是就应更换三极管并使两个三极管的β值基本相等。若正常则应检查电容及二极管是否开路,二极管是否接反等等。只要触发脉冲能顺利通过,分频器的工作就会正常。
为了简化电路,省去了音量控制电位器。但在调试时应调整R\(_{8}\)、R9、R\(_{1}\)0的阻值来使高、中、低三个音区的音量大小基本相等。
这架玩具电子琴发音音色类似单簧管。演奏时需要双手配合。当遇到高音或低音时,右手指法不变,只要用左手相应地按下高音键或低音键就可以将音阶提升八度或降低八度。当高、低音控制键按下的深度适当时,还可使两个二分频器的输出同时输入到音频放大器。这时就能获得八度和弦的音响效果。只要经过一段时间的练习,每个人都能演奏。(李文谦)