差分电路能够较好地抑制零点漂移,在直流放大器中得到广泛应用。它的电路形式有很多种。不同形式的差分电路具有不同的性能,分别适用于不同的使用场合。下面,对常用的几种形式作简要分析,以便能在阅图中较快地识别它们,并了解各种电路所发挥的不同作用。
共发射极差分电路
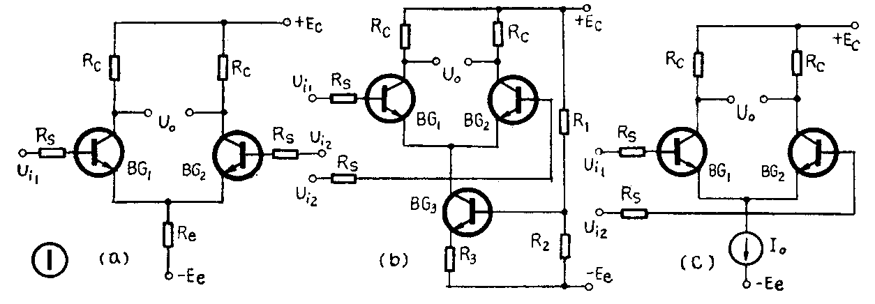
差分放大器的基本形式如图1所示,两个晶体管的特性、电路参数和连接方式是对称的。电路的主要性能是:

(1)抑制共模信号。对共模信号,即对变化模式相同的输入信号(U\(_{i1}\)=Ui2),由于电路对称,两管的集电极电压将作同样的变化,使两个输出端之间的相对电压变化接近于零,差分电路将没有输出。这意味着电路对共模信号有很强的抑制能力。因多数干扰、元件参数随温度的变化等,都可以等效地视为共模信号,故由此引起的漂移基本上可以被克服。当然,要做到电路完全对称是十分困难的,况且,对称性并不能减小每只管子各自产生的漂移,因此若从单端输出,漂移仍然很大。为此,在差分对管的发射极串接电阻R\(_{e}\)(图1a),或者串接晶体管恒流源(图1b),引进共模负反馈,抑制每只管子的共模输出。这样,即使在单端输出情况下,电路也能较好地抑制零点漂移。需要注意的是,由于Re(或恒流源)接在两只管子的公共通路上,两股发射极电流都在其上产生影响,故其抑制零漂的能力远远胜过接有发射极电阻的单管放大器。
(2)放大差模信号。对差模信号,即对变化模式有差别的输入信号(U\(_{i1}\)=-Ui2),两个集电极输出端的电位作等量反相变化,一个向正方向变化,另一个向负方向变化,总的输出将是两个输出端的变化量之和。即无论是从双端还是单端都有信号输出,体现了电路对有用信号的放大作用。我们知道,对于差模信号,通过两管的信号电流总是等值反向的,并且都通过R\(_{e}\)(或恒流源,图1b),故在Re或恒流源上的信号压降为零,可将其视为短路。因此,图1a、b两图的差模电压放大倍数相同,皆为A\(_{u}\)=-βRcR\(_{S}\)+hie(β、h\(_{ie}\)分别为晶体管的电流放大系数和输入电阻)。差模输入电阻也相同,皆为Ri=2(R\(_{s}\)+hie)。在图1中,常把BG\(_{3}\)管组成的恒流源用一个符号I0代替,画成图I\(_{c}\)的简略形式。
上述的典型电路,在一般直流放大器、集成运算放大器、集成稳压器和电压比较器中,得到普遍应用。
复合管差分电路
把图1所示电路中的晶体管改接成复合管,便构成复合管差分电路(图2a)。如所周知,一只晶体管的输入电阻为h\(_{ie}\),接成复合管之后(图2b),输入电阻为hie1+(1+β\(_{2}\))hie2,其中h\(_{ie1}\)、hie2分别为BG\(_{1}\)和BG2的输入电阻,β\(_{2}\)为BG2的电流放大系数。故复合管差分电路的输入电阻为R\(_{i}\)=2〔Rs+h\(_{ie1}\)+(l+β2)h\(_{ie2}\)〕,与典型电路相比,大大提高了。另外,因总的β值(≈β1β\(_{2}\))也提高了,使输入端的基极电流(=I0/21+β)比典型电路有所减小,从而使输入失调电流和温漂也相应减小了。当然,也有不利的一面,即差模电压放大倍数比普通的差分电路有所降低。尽管如此,仍因其有较高的输入电阻和较小的漂移而常被采用。例如,在BG305型和X55型集成运放中,就是采用复合管做成差分输入级。

如果将图2a中BG\(_{1}\)、BG2的集电极改接到+E\(_{c}\)上,便成为图2c所示的共集——共射差分电路,其性能与图2a的电路很相近。8FC2型、XFC—2型集成运放的输入级,便采用此种形式。
场效应管差分电路
用普通晶体管做成的放大器,发射结总是串在输入回路中,并且处于正向偏置,这就注定了放大器的输入电阻不可能很高。场效应管是电压控制器件,它的栅极对源极是反向偏置的,可呈现出极高的阻抗。因而用场效应管做成的差分电路,有较高的输入电阻。其输入失调电流和温漂也随之减小。
图3a是由结型场效应管组成的差分放大器。图中,G是场效应管的栅极,S、D分别是源极和漏极。它的工作原理和晶体管差分电路一样,也是利用电路参数的对称性和恒流源(或源极公共电阻)的作用,来减小输出电压的零点漂移。在斩波稳零式集成运放中,主放大器的差分输入级常采用这种电路,例如8043型集成运算放大器就是这样。

和普通晶体管一样,场效应管也有三种连接方式。若以漏极作为输入、输出回路的公共端(对交流通路而言),则组成共漏电路,也称源极跟随器,其电路如图3b所示。这种接法的电路与图3a相比,有更高的输入电阻,被广泛用于示波器的Y轴放大器。在SR8型双踪示波器中,为了减小示波器对被测信号源的影响,在Y轴放大器的输入端,采用了场效应管共漏差分电路。还有,在5G28型和BG313型高输入阻抗运放中,都采用这种形式的差分输入级。
射极跟随器差分电路
如所已知,用单只晶体管组成的射极跟随器,其输入电阻比共射电路高得多,而输出电阻则低得多。同样,用两只管子组成的射极跟随器差分电路(图4),也有这种特性。因其输入电阻高,常用于放大器的输入端,如SBM—10型示波器X轴放大器的输入电路。因其输出电阻低、负载能力强,常用于放大器末级,如上述示波器Y轴插入单元的输出级电路。因输入、输出电阻有较大的差别,常用来作级间阻抗变换(隔离),如上述的Y轴插入单元,中间两处用到跟随器差分电路;在F033型集成运放的中间级,也采用这种电路作阻抗变换。

共射—共基差分电路
由于晶体管有极间电容存在,输出回路将通过管子内部对输入回路产生影响。因共发射极电路的集电结电容跨接在输入和输出回路之间,这种影响较大,在高频运用时,可能产生振荡。当然,对共发射极接法的差分电路,也有此弊病。为了防止不良情况出现,有时把放大器接成共射—共基差分电路(图5a)。其中BG\(_{1}\)、BG2组成共发射极差分电路,它的两个输出端,接到由BG\(_{3}\)、BG4组成的共基极电路的输入端;总的输出从共基极电路的输出端引出。R\(_{B}\)和+EB的接入是为了给BG\(_{3}\)、BG4提供适当的偏置,使其处于放大状态。这种接法既保持了共发射极电路的高增益,又具备了共基极电路稳定可靠、高频响应好等优点,对改善放大器的性能可望有较好的效果。在SR8型示波器的Y轴放大器中,有两处用了共发——共基差分电路。还有,在SBM—10型示波器中,X轴放大器的输出级,采用了图5b的形式,与图5a相比,仅是上半部分的偏置电路不同,图5b是由+E\(_{B}\)、RB和稳压管提供偏置的。

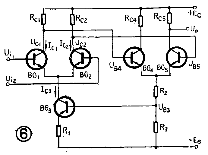
共模负反馈差分电路
为了提高差分电路对共模信号的抑制能力,除了在单级放大器中引入共模负反馈(R\(_{e}\)或恒流源)之外,还可以在放大器的级与级之间引入,图6所画的即是具有级间共模负反馈的差分放大器。它是由两级放大器组成的,第一级的双端输出接第二级的双端输入。BG3所组成的恒流源是前级放大器的局部共模负反馈电路,R\(_{2}\)、R3是后级放大器的局部共模负反馈电阻,其中后级在R\(_{3}\)上产生的共模信号电压,又馈送到BG3的基极,形成级间共模负反馈。也就是说,将前级输出的共模信号,通过后级又反馈到前级,与原来的共模信号相抵消。例如,当温度上升使I\(_{c1}\)、Ic2增大时,则U\(_{c1}\)、Uc2下降,U\(_{B4}\)、UB5下降,U\(_{B3}\)下降,Ic3减小,于是I\(_{c1}\)、Ic2也减小,即牵制了I\(_{c1}\)、Ic2的增加,使整个放大器抑制零漂的作用显著增强。在DS18型数字电压表中,输入放大器和积分器都采用这种形式的差分电路。

以上仅分析了常用的几种电路形式,在集成运算放大器中,为了提高差模输入电压范围,常采用共集——共基差分电路作输入级。对此,本刊在81年第2期已介绍过,这里不再赘述。(林萌森)