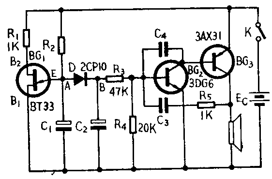
这里介绍的模拟声响电路见图示。其中单结管BG\(_{1}\)、R7和C\(_{1}\)等组成锯齿波发生器,所以A点输出一组锯齿波。当A点电压高于某一数值(约0.6伏)时,二极管D导通,电源正极通过电阻R2、D、R\(_{3}\)和R4给BG\(_{2}\)提供偏流,BG2导通。由BG\(_{2}\)、BG3、R\(_{5}\)、C3和C\(_{4}\)组成的音频振荡器工作。此时,电源通过R2也向C\(_{2}\)充电。当A点电压低于某一数值时,D就截止。但由于是C2通过BG\(_{2}\)的发射结电阻和R3放电,故BG\(_{2}\)仍导通。由于放电,C2上的电压将逐渐下降,就是说B点向BG\(_{2}\)输入的也是一组锯齿波信号,而且它将对音频信号进行调制,于是喇叭就发出了变音调声响。

选取不同的R\(_{2}\)、C1、C\(_{2}\)、C3和C\(_{4}\)的数值,可以模拟出不同的声响效果。下表给出了模拟警笛、鸟叫和机枪声响所对应的元件数值,仅供参考。图中的R2是用一只固定电阻和一只电位器串联而成的,改变W可得到不同的声响效果,大家可通过实验,选取合适的元件数值,以取得逼真的模拟效果。

图中BG\(_{1}\)用BT33~35,η≥0.5;BG1的β≥50,BG\(_{2}\)的β≥40。
此电路一般若安装无误,电路基本上就能正常工作。关于电路的印制板可自行设计。用于警笛时,可将印制板设计成长条,以便放在治安人员的警棍中;作机枪声响器时,可将印制板安装在市售或自制玩具机枪的弹匣中;作鸟叫器时,可将印制板放在鸟笼的底座里。(王毅)