每一种型号的集成运算放大器,都有自己确定的性能指标,但在某些具体场合使用时,可能某一项或两项指标不满足使用要求,怎么办呢?我们可以采用一些技巧,即在运算放大器的外围再附加一些元件,以提高某些指标。这些方法在实际工作中非常有用,内容也非常丰富,技术也在不断地发展。下面就介绍几点技巧。
一、提高输出电压


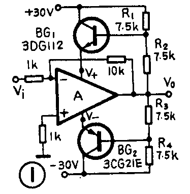
一般集成运算放大器,其最大输出电压在额定供电电压为±15伏时仅有±12伏左右。这在高保真音响电路和自动控制电路中均不能满足要求。这时可采用一些技巧将输出电压幅度扩展。图1、图2给出了两种最简单而有效的扩展输出电压的方法。图1中,集成运放块A的供电电压不直接取自稳压电源,而是由晶体管BG\(_{1}\)和BG2的发射极供给。假设取R\(_{1}\)=R2=R\(_{3}\)=R4=7.5千欧,并且忽略BG\(_{1}\)、BG2的V\(_{be}\)压降,则加至运放上的供电电压,如:
V\(_{+}\)=+(30-30-V02)=15+V\(_{0}\);2
V\(_{-}\)=-(30-30-V02)=-15+V\(_{0}\);2
V\(_{+}\)-V-=15+V\(_{0}\)2-(-15+V0;2)=30
由此可知:①改变电阻R\(_{1}\)、R2、R\(_{3}\)、R4之间的比例,可以得到A所需要的供电电压;②由于BG\(_{1}\)和BG2的作用,A的供电电压随输出电压V\(_{0}\)的变化而“浮动”,但A的正、负供电电压之差则保持不变。比如当A的最大输出幅度为±12伏时,图1电路可得到约±24伏的输出幅度,这就大大扩展了输出电压的范围。在使用此电路时应注意:由于V+、V\(_{-}\)随着输出电压V0的变化而上下“浮动”,这也就相当于A的两输入端加了一个浮动的共模电压,因此此电路的输出幅度受集成运放共模输入电压范围的限制,对于共模输入电压范围小的集成运放电路,如BG301、F001等,不宜采用此方法。
图2中的集成运放电路A的供电电压,也是由BG\(_{1}\)和BG2的发射极供给的,与图1不同之处是,它的V\(_{+}\)、V-是固定的,其数值由R\(_{1}\)和R2的分压比确定。这时,V\(_{+}\)和V-分别为±(\(\frac{20}{R}\)\(_{1}\)+R2·R\(_{2}\)-Vbe)≈±15伏。它的工作原理是利用大多数集成运放的末级工作在乙类或甲乙类状态,当其输出电压为零时,静态工作电流很小;当其输出电压为正且逐渐增大时,负载上的电流增大,此电流由V\(_{+}\)提供。当其输出电压为负且向负方向增大时,负载上的电流反向增大,此电流由V-提供。所以集成运放块在工作时,其负载电阻R\(_{4}\)上的电流变化必将相应地反映于集成块供电电压V+、V\(_{-}\)的电流变化上,即必将反映晶体管BG1、BG\(_{2}\)集电极电流的变化。此变化的电流在BG1或BG\(_{2}\)集电极1千欧电阻上的电压降分别加在BG3和BG\(_{4}\)的基极和发射极之间。由于BG3、BG\(_{4}\)具有放大作用,所以输出端O点电位会随着输出信号的加大更加增大,这就使输出幅度得到扩展。从理论上讲,这种电路的输出幅度的扩展程度是不受集成块的限制的,在图2情况下,输出幅度约为±19伏,接近±20伏的电源电压值,并且有较大的输出功率。电容C有改善电路高频响应的作用,并能提高电路的动态稳定度。
二、增大输出电流
集成运算放大器的输出电流一般在±10毫安以下,要想扩大输出电流,最简单的方法就是加射极跟随器。图3为双极性输出时的电流扩展电路。当输出电压为正时,BG\(_{1}\)工作,BG2截止;输出电压为负时,BG\(_{1}\)截止,BG2工作。两只二极管的作用是给BG\(_{1}\)、BG2提供合适的偏压,以消除交越失真。图4为单极性正向输出时的电流扩展电路,图5为单极性负向输出时的电流扩展电路。以上几种扩展电路的输出电流一般可达100毫安左右。在需要更大的输出电流时,可再增加一级甚至两级由大功率管组成的射极跟随器。



关于功率的扩展方法,只要把输出电压和输出电流的扩展方法结合起来就行了,限于篇幅,这里不再介绍了。
三、扩展频带
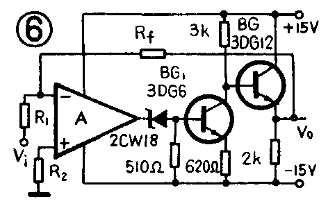
图6给出了一个在集成运放电路后面再串接一个频响更好的放大器,通过施加较深的负反馈,以进一步展宽频响的实用电路。由于附加的电路是串接在运放电路的后面,因此对该附加电路由于温度变化而引起工作点的漂移及噪声等指标均要求不高,关键是频响特性应比集成运放电路好。图中BG\(_{1}\)、BG2组成了一个具有较好频响特性的放大器。BG\(_{1}\)的集电极电流取5毫安,因此输入阻抗较低,以保证其频响特性较好。稳压二极管2CW18用来偏移直流电平,以保证BG1和BG\(_{2}\)有正确的直流工作点。此电路一般可使单位增益带宽展宽2~3倍。如果需要进一步展宽频带,应使所串接的放大器的电压增益更高,频带更宽。从上面分析还可以看出,图2中的BG3和BG\(_{4}\)由于也具有放大作用,因此也有扩展频带的功能。

四、提高输入阻抗
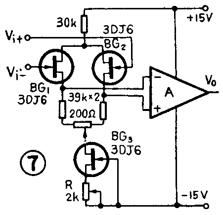
提高集成运放电路输入阻抗的方法很多,这里主要介绍两种。图7是采用在集成块输入端外接一级结型场效应管来达到提高输入阻抗目的,其输入阻抗可达10\(^{9}\)Ω以上。图中BG\(_{1}\)和BG2构成输入差分对管,BG\(_{3}\)是其恒流源。此电路的关键是BG1和BG\(_{2}\)应配对,并应正确选择场效应管的工作点。首先应使BG1~BG\(_{3}\)工作在零温度系数工作电流上,其中BG1和BG\(_{2}\)的零温度系数电流要一致,BG3的零温度系数电流应等于BG\(_{1}\)和BG2零温度系数电流之和。

结型场效应管零温度系数电流I\(_{DSO}\)如何求得呢?一般说来,可用IDSO=(\(\frac{K}{Vp}\))\(^{2}\)·I\(_{DSS}\)来求得。IDSS为场效应管饱和漏源电流,Vp为夹断电压,K通常为0.63~0.69,可取K=0.64。调节图7中的2千欧电位器R,可使BG\(_{1}\)~BC3工作在零温度系数电流上。BG\(_{1}\)和BG2的配对条件是:V\(_{DS}\)=10V,IDS=I\(_{DSO}\)时,ΔVGS<20mV,Δgm<5%;V\(_{DS}\)=10V,VDS=O时,ΔI\(_{DSS}\)<5%。通过调节200欧电位器,可使电路的输出失调为零。

图8是采用自举方法来达到提高输入阻抗目的的。从图中可以看出:V'\(_{O}\)=-R2R\(_{1}\)Vi,V\(_{O}\)=-2R1;R\(_{2}\)VO'=-2R\(_{1}\)R2·(-R\(_{2}\);R1)·V\(_{i}\)=2Vi,I=I\(_{1}\)-I3,I\(_{3}\)=(VO-V\(_{i}\))/R3=V\(_{i}\)/R3,I\(_{1}\)=Vi/R\(_{1}\)。取R3=R\(_{1}\),则得I3=I\(_{1}\),I=I1-I\(_{3}\)=0。所以输入阻抗Ri=\(\frac{V}{_{i}}\)I=Vi;O=∞。从上面的推导可知,自举法的基本原理是利用从电路输出端反馈回来的电流I3,去补偿信号源所需提供给R\(_{1}\)的电流I1,使信号源输出电流为零,从而使电路的输入阻抗大大提高。
五、减小温漂
要想减小集成运放的温漂,最简单的方法就是在输出幅度较低的情况下,降低其供电电压。如将供电电压从±15V降低到±5V,对同样的集成运放电路来说,漂移(温漂和时漂)可降低5~10倍。在要求输出幅度较大的场合,可采用图9和图10电路。这两个电路的特点是将温漂特性相近的集成运放电路串联起来,使两者的温漂相互抵消。图9适用于两运放块温漂特性同方向的情况,图中A\(_{1}\)接成跟随器状态,因此输出的漂移全部表现为输入的漂移。此漂移加在A2负输入端,与A\(_{2}\)本身的漂移相抵消。图10适用于两运放块温漂特性相反方向的情况。A1的漂移加在A\(_{2}\)的正输入端,与A2本身的漂移相抵消。实际运用时,可先测出同类型集成运放块的温漂系数,数值相近符号相同的可按图9连接;数值相近符号相反的可按图10连接。只要选配得当,上述方法可使零点温漂系数下降到2~3μV/℃以下。


六、单电源供电
一般集成运放电路都采用正负对称的双电源供电,在需要单电源供电时,集成运放电路也可以工作,只是需要将集成运放块两个输入端的电位抬高(一般抬高至电源电压的一半)。抬高后的这个电位就相当于双电源供电时的“地”电位。因此在静态工作时,输出端的电位也等于两输入端的静态电位即\(\frac{1}{2}\)电源电压。图11、图12分别给出了反相输入和同相输入时的单电源供电电路。图中两输入端抬高的电压由R\(_{4}\)、R5对电源分压后产生,约等于V+/2(当然如果用稳压二极管分压也可以)。C\(_{2}\)为滤波电容,C1和C\(_{3}\)分别为输入、输出端的隔直电容。为了减小输入失调电流的影响,R1应等于R\(_{2}\)与Rf并联后的数值。图11电路的交流放大倍数为R\(_{f}\)/ R3=100倍,图12电路的交流放大倍数为R\(_{f}\)/R2=10倍。


七、接口电路



在模拟电路和数字电路混合的电路中,有时集成运放电路的输出信号需要去驱动数字电路工作。由于集成运放的输出电压与数字电路所需要的驱动电压不匹配,因此必须在输出端设置接口电路。图13、图14、图15分别给出了集成运放块与TTL电路、晶体管电路、C—MOS电路交连时的接口电路。图13中,当集成运放块A输出正向饱和时,稳压二极管2CW21击穿,稳压在3~4.5V之间,相当于TTL输入高电平;当集成运放输出负向饱和时,2CW21正向导通,负端保持-0.6V左右电压,相当于TTL输入低电平。R起限流作用,当A输出为±12V时,R可取1千欧左右。图15的工作原理与图13一样,稳压二极管2CW18的稳压值在10~12V之间,R可取3千欧左右。图14中,当集成运放块A输出高电平时,二极管不工作,三极管导通;A输出低电平时,二极管导通,三极管截止。二极管的作用是防止A在输出低电平时,三极管的be结因反压太高而被击穿。R起限流作用,可取12千欧左右。C为加速电容,可取51P~150PF。(鲁令年)