用收音机接收本地和远地广播电台的信号时,信号强度相差很大,往往从几十μV/m到几百mV/m,达80dB以上。如电路中不采取措施,不但使收音机的音量会随着信号的强弱变化很大,更严重的是接收本地强力电台节目时,会使放大管过荷而产生失真甚至阻塞现象。此外,收听远地短波电台时,由于电离层的变化,接收点场强也在变化,收音机如不设置自动增益控制(也称自动音量控制,或简称AGC)电路,将出现所谓“衰落”现象,声音就会忽大忽小,影响正常收听。近十几年来,世界各国电台日益密集、功率不断加大、这就要求收音机既能接收微弱信号,又能承受强信号,至少应在200mV/m~500mV/m的场强下能正常工作。这样,以往的收音机传统设计方法就显得不够完美了。因此,现代收音机AGC电路的设计尤其显得重要。本文将1981年全国台式晶体管收音机音质改进样机中涌现的一些优秀AGC电路介绍给读者,供有关人员设计和维修时参考。
传统AGC电路
图1是传统的普通AGC电路。BG\(_{2}\)是第一中放管,其上偏置电阻为R1,下偏置电阻由R\(_{2}\)、R3及W组成(还要考虑检波管D的正向等效内阻)。检波后的直流分量电流(I\(_{D}\)),一部分(ID1)由“地”经W、R\(_{3}\)、D、L1再至“地”;另一部分(ID\(_{2}\))由“地”经R、BG2的发射结、L\(_{2}\)、R2、R\(_{3}\)、D、L1再至“地”。由于ID\(_{2}\)与BG2基极静态工作点电流I\(_{B}\)方向相反,就降低了BG2的直流工作点,使得BG\(_{2}\)的增益下降,且信号场强越强,检波输出的直流电流分量也越大,受控的BG2增益下降的也越多,从而使二中放管的输入信号及检波级输出的音频电平变化较小。图2中的曲线②是普通AGC电路的特性曲线。由图可见这种AGC电路的缺点是控制范围较小,易过早地失去控制作用。但由于这种电路简单、经济,有一定的自动增益控制效果(信号场强变化30~35dB时,音频输出仅变化10dB),在一些低档收音机中还广泛使用。


阻尼二极管二次AGC电路
图3与图1的不同点是在普通AGC电路的基础上,又在第一中频变压器与第二中频变压器之间加入了一只二极管,构成阻尼二极管二次AGC电路。这种电路由R\(_{1}\)、C1、R、D、R\(_{2}\)、C2组成。小信号时通过调整BG\(_{1}\)、BG2的直流工作电流或改变R\(_{1}\)、R2数值,使得I\(_{1}\)R1<I\(_{2}\)R2(式中I\(_{1}\)为BG1的集电极静态工作电流,I\(_{2}\)为BG2的集电极静态工作电流)。即A点电位比B点电位稍高一点,二极管D处于反向偏置状态。此时二极管呈现很大内阻,对电路增益没有影响。当外界信号较强时,由于BG\(_{2}\)受普通AGC电路(R3、C\(_{3}\))的控制,集电极电流I2减小,B点电位升高,当I\(_{2}\)R2≤I\(_{1}\)R1时,也即B点电位高于A点电位时,二极管导通,内阻r\(_{D}\)变小。相当于在BG1集电极与地之间接入一个r\(_{D}\)、R、C2串联电路。由于C\(_{2}\)对中频相当于短路,就等于在BG1的集电极与地之间并入一个R+r\(_{D}\),从而使得中频信号被旁路掉一部分。同时谐振回路的Q值也降低。外界信号越强、二极管D导通越甚,内阻、rD越小,谐振回路的Q值降低得越多,谐振阻抗越小,变频增益下降也就越多。这种电路的特点是:①强信号AGC控制特性比前者好,当外界信号变化35~45dB时,输出电平变化为10dB。②强信号时,由于第一中频变压器Q值降低,使整机通带展宽,降低了失真。③由于变频级输出的中频信号被二极管旁路一部分,送到第一中放管BG\(_{2}\)的中频信号减小,因此不易产生阻塞。这种电路还有另一种接法,就是将二极管直接跨接在谐振槽路两端。有的电路阻尼二极管D工作过程中总是处于截止状态,在信号强弱变化时只改变其截止度的深浅。当信号强时截止度很浅,大幅度的中频信号负半周可能使二极管导通。这种二次AGC电路的控制特性见图2中的曲线③。

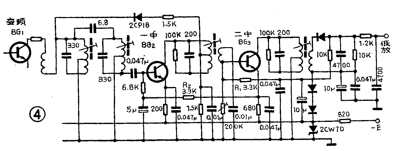
接力式AGC电路
图4所示电路是1981年全国台式晶体管收音机音质改进测试中出现的一种较新的AGC电路。其工作原理是这样的:R\(_{1}\)起到普通AGC电路的作用,用来控制第二中放的增益。当大信号来到时,BG3的工作点降低,因此其发射极的电压也随之下降。而一中放BG\(_{2}\)的静态工作电压是通过R2从BG\(_{3}\)的发射极取得的,故BG3发射极电压下降,必然使得BG\(_{2}\)的工作点也降低,从而BG2的增益也受到控制。这种电路的控制特性比前两种好,当输出电平变化10dB时,输入信号范围可允许有46.8~48.6dB的变化,若再加上阻尼二极管,可得到49.9~53.1dB的控制范围。其特性可参考图2的曲线④。

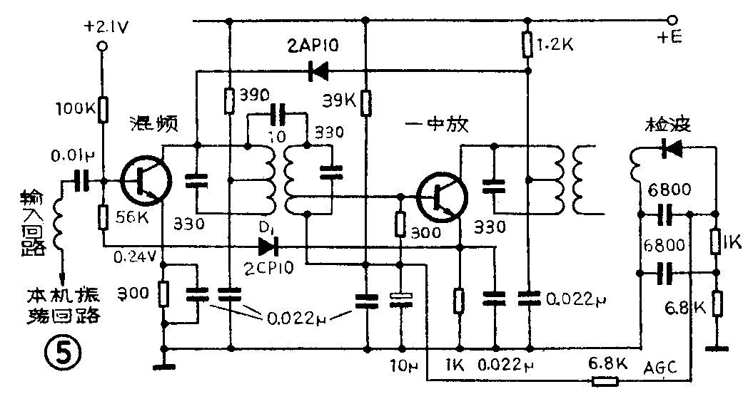
延迟式AGC电路
上述几种电路均不能在变频电路中加入AGC控制。因为变频与本振合用同一只三极管、若变频管工作点随输入信号大小而变化,就会影响本振频率和幅度的稳定性,强信号时由于工作点下降过多甚至会发生停振。但对混频电路来说,由于本振由单独管子担任,故混频管可加AGC,图5所示电路即是一种可以控制混频级的AGC电路。它是在阻尼二极管二次AGC电路的基础上,利用第一中放发射极的直流电压控制混频级工作点来实现大范围AGC控制的。小信号时二极管D\(_{1}\)不导通,当信号增大时由于AGC的作用,使一中放发射极电位降低,使得D1趋向导通,使混频管下偏置等效电阻减小,造成混频级工作点降低,混频增益下降,有效地抑制了大于100mV/m场强时AGC控制特性的上翘现象,并具有一定的延迟作用(即小信号时AGC作用不明显,只有外界场强达到一定值时才明显起AGC作用)实测表明,这种电路的AGC特性平坦段可扩展到200mV/m以上。当输出电平变化10dB时,输入信号变化幅度可达56.5~57.1dB。

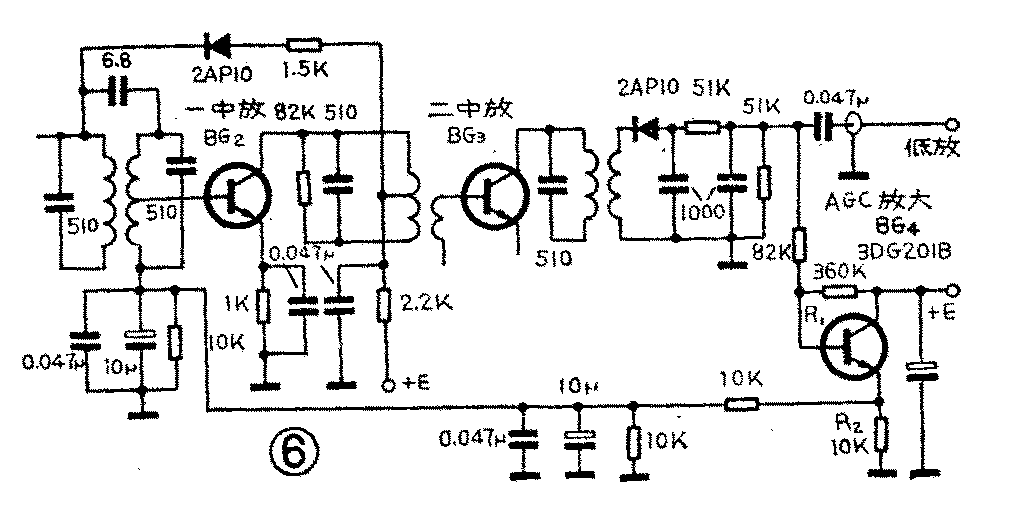
放大式AGC电路
图6是一种放大式AGC电路,特点是控制特性平稳,起控晚,不易阻塞。与阻尼二极管二次AGC相结合,实测控制范围可达62.1dB。此外,该电路由于起控晚,还具有高电平检波的特点,检波器的输出电压可达200mV以上,故由检波器引起的失真很小。它的工作原理大致是这样的:无信号或小信号时,AGC放大管BG\(_{4}\)的发射极电压为一中放BG2基极提供适当的偏置电压。当输入信号较强时,检波电流使BG\(_{4}\)的偏流减小,致使其发射极上的电压减小,造成一中放的基极电流减小、增益下降。由于BG4为一射随器,有较大的电流增益,使AGC控制电流有较大的变化,故控制十分灵敏。适当改变BG\(_{4}\)的静态偏置电阻R1及发射极电阻R\(_{2}\)的数值,还可任意改变AGC起控值。因此它也具有延迟AGC的功能,控制特性较理想。

反馈延迟式AGC电路

图7也是这次音质改进测试中出现的一种新型AGC电路。从图中可见,AGC放大管BG\(_{4}\)的基极通过一节滤波电路接到检波二极管的输出端,检波后的直流分量为BG4提供了基极电流。随着信号场强的增大,检波器输出的直流分量也越大,BG\(_{4}\)就越导通。由于BG4并接在变频器负载回路上的,所以随着BG\(_{4}\)输出阻抗的降低,使谐振回路的Q值也就降低,从而降低了增益,展宽了通带。另一方面BG4的基极又通过电容C接到一中放管的发射极,使BG\(_{2}\)发射极上的中频信号耦合到BG4的基极,经BG\(_{4}\)倒相,反馈到变频级中频谐振回路上,抵消了原来的中频信号的一部分幅度,也起到降低增益的作用。由于要使BG4导通需要有足够的正向偏置,也即只有足够强的输入信号电平时它才能动作。因此具有一定的延迟作用。这种电路的控制范围可达46.5~47.8dB。
上面介绍了几种比较优良的AGC电路,不管采用哪种程式,或选取什么样的RC时间常数。其效果都应按新的国家标准(草案)规定的测试方法进行考核。
测试方法是:高频信号发生器的信号经框形天线输出一个载频为1000KHz,由1000Hz30%调制度的高频调幅信号。收音机音调控制放在最窄位置(即双切),在灵敏度电平下调谐好收音机,然后将信号发生器的输出加大到产生100mV/m或更大场强的信号,调节收音机的音量控制器,使收音机输出标称有用功率。此后将输入信号电平从100mV/m逐步往下绛,记录此时相应的输出变化量。当输出信号变化10dB时,输入信号的变化应不小于40dB(A类),26dB(B类)。上述介绍的几种优选电路均大于45dB。有的可达到60dB以上。并且控制特性均很平坦,无阻塞现象。实际收听也感到控制速度较灵敏,短波段能跟得上电波衰落变化。不失为一些优秀AGC电路。(伟明)