在数字电路中,晶体管大多工作于开关状态,“开”与“关”的转换是由数字信号——脉冲进行控制的。多谐振荡器就是一种能够产生矩形脉冲信号的电子电路。
图1形象地展示了矩形波的产生过程。一个单摆不停地振荡着,接点A周期性地接通和断开,电磁线圈L相应地通电和断电,使铁心上下往复运动,在传动的纸带上就描绘出矩形波来。多谐振荡器就是利用开关元件和延时电路产生矩形脉冲信号的。

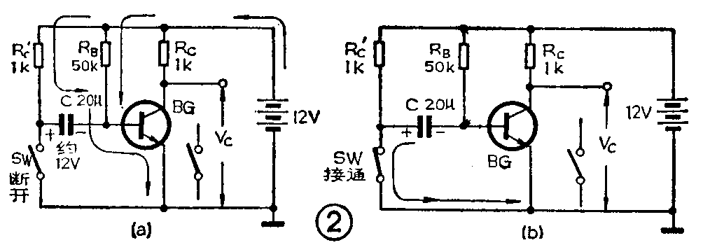
用晶体管延时开关产生矩形脉冲
图2是一个由晶体管反相器和RC充放电电路组成的延时开关电路。

先把开关SW断开(图2a),接通电源后,流过R\(_{B}\)的电流注入晶体管基极,使晶体管饱和,VC≈0伏,输出为低电平“0”。与此同时,电源通过R′\(_{C}\)向电容器C充电,图中画出了充电路线,充电时间TC≈4R′\(_{C}\)C。充电结束时,电容器上的电压等于电源电压12伏。
电容器充好电后,将开关SW接通(图2b),这时电容器C上的电压全部加在晶体管的b-e极之间,这个-12伏的反向电压使晶体管顿时截止,V\(_{C}\)由0伏跳变到12伏,输出为高电平“l”。与此同时,电容器进行放电,图中画出了放电路线,放电时间Td≈0.7R\(_{B}\)C。当晶体管BG的基极电压达到+0.7伏时,晶体管重新导通,输出又跳变为低电平“0”。
在开关SW控制下,电容器C进行充电和放电,使晶体管“导通—截止—导通”,集电极电位的变化正好形成矩形脉冲。其工作过程如图3所示。

自动产生矩形脉冲的电路
为了能够使晶体管延时开关电路自动地产生矩形脉冲,我们把图2中的触点开关SW用晶体管代替,如图4所示。图中,两个晶体管BG\(_{1}\)、BG2组成的延时开关电路就能连续地产生一定周期的短形脉冲信号。

由图4可见,这个电路是由两个“非”门(反相器)用电容器C\(_{1}\)、C2耦合构成的正反馈闭合环路。BG\(_{1}\)的集电极输出接BG2的基极输入,BG\(_{2}\)的集电极输出又接在BG1的基极输入端,接通电源后电路中就产生了自激振荡,这就是多谐振荡器的典型电路,下面讲一讲多谐振荡器的工作原理。
电路接通电源后,通过基极电阻R\(_{B1}\)和RB2同时向晶体管BG\(_{1}\)、BG2注入基极电流,使两管进入放大状态。虽然两个反相器是对称的,但电路参数总会存在微小的差别,BG\(_{1}\)、BG2的导通程度不可能完全一样。假定BG\(_{1}\)导电稍快一点,则VC1下降就会快些,这个微小的差异被BG\(_{2}\)放大并反馈到BG1的基极,再经BG\(_{1}\)的放大,形成连锁反应,迅速使BG1饱和、BG\(_{2}\)截止,VC1变为低电平“0”,V\(_{C2}\)变为高电平“1”。
BG\(_{1}\)饱和后相当于一个接通的开关,电容器C2要通过它放电,电容器C\(_{1}\)要通过它充电。电容器C1、C\(_{2}\)的充放电回路如图5所示。随着C2的放电,由于有正电源E\(_{C}\)的作用,Vb2由负逐渐趋向+E\(_{C}\)。当Vb2≈0.7伏时,BG\(_{2}\)开始导通并进入放大区,电路中又会立刻出现连锁反应,使BG2迅速饱和、BG\(_{1}\)截止,即VC2跳变为低电平“0”,V\(_{C1}\)跳变为高电平“1”。这时,电容器C1放电、C\(_{2}\)充电,充放电回路如图6所示。这一充放电过程又导致BG1重新饱和、BG\(_{2}\)重新截止。如此周而复始,形成振荡,在BG1和BG\(_{2}\)的集电极输出矩形脉冲信号。图7是多谐振荡器的习惯画法,各点波形如图8所示。




用集成电路“与非”门搭接的多谐振荡器
在数字电路中,集成电路“与非”门如同是电子“积木”,用它可以搭接成多种多样的逻辑部件。下面介绍利用集成电路“与非”门组成的多谐振荡器。
图9是一种用两个“与非”门F\(_{1}\)和F2搭接的对称型多谐振荡器电路。接通电源后,就会有电流分别流过电阻R\(_{1}\)和R2,在它们的上面产生电压降,成为门的输入信号V\(_{sr1}\)和Vsr2。这个电压降会使两个门都趋于导通,输出电位V\(_{SC1}\)和VSC2都要下降。由于两个门电路不可能绝对对称,假定F\(_{2}\)门的输出电位下降得快一点,它通过电容器C2的耦合,作用在F\(_{1}\)门的输入端,使Vsr1下降, F\(_{1}\)门的输出电位VSC1就要上升,经过C\(_{1}\)的耦合,反馈回来使F2门的输出电位V\(_{SC2}\)进一步下降……。这个正反馈的连锁反应,几乎在瞬时使F1门关闭,F\(_{2}\)门开启,即VSC1输出高电位“1”,V\(_{SC2}\)输出低电位“0”。

这个状态也是不能持久的,因为V\(_{SC1}\)跳变到高电位后,电容器C1就开始充电,起始充电电流如R\(_{2}\)上产生一个正跳变,维持F2门的开启,随着充电过程的进行,C\(_{1}\)两端的电压逐渐上升,R2上的电压降V\(_{sr2}\)随之减小,VSC2则随之增大,经C\(_{2}\)耦合,又使Vsr1增大。这一正反馈连锁反应,几乎在瞬时,使电路的状态变为V\(_{SC1}\)为低电位“0”,VSC2变为高电位“1”。
由于电路中C\(_{1}\)、C2交替充、放电,引起电路状态的不断转换,形成周期性的振荡,在两个输出端分别输出周期相同、幅度相等、相位相反的矩形脉冲信号。
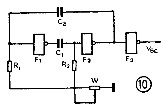
为了使振荡频率能在一定的范围内调节,并使输出波形接近理想的矩形波,可以采用图10所示的电路。调节电位器可以在一定范围内改变频率,门F\(_{3}\)的作用是为了整形。

上期介绍的国产T063型四输入端双与非门是在一个管壳内有两个与非门,我们用一片T063(只要有一个输入端良好的处理品)就可以很方便地搭接成简单的多谐振荡器。(张晋纯 宋东生 编译)