在调试电路板或检修某些仪器、电气用品时,往往需要测知某些点的电压值。如果测试的是个焊点稠密的地方,有时阅读电表刻度,放在测试点上的万用表的表笔很易滑脱,又得从头测起。这对操作者说来,不但不方便,而且还可能因表笔滑到别处损坏电路。为此,我们设计了这个电压保持器,有了它,即使表笔滑脱了,也能从容地从电表上读出所测的电压值。
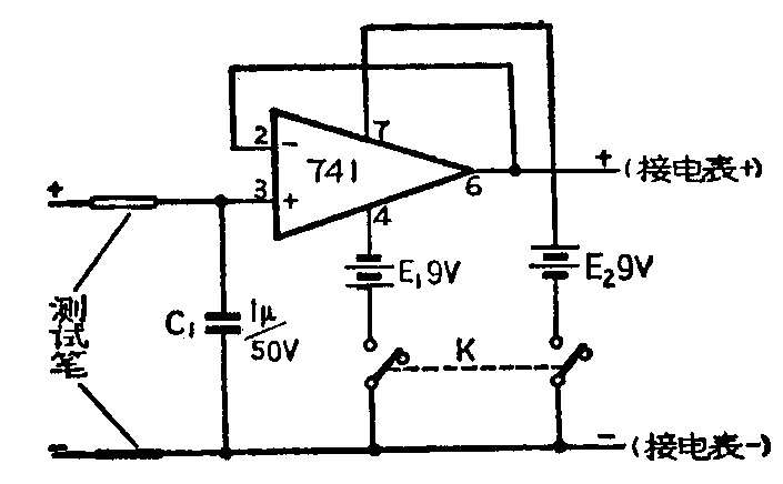
电压保持器电路见图示。图中IC为运算放大器,把它接成了一个电压跟随器,所以其输入阻抗很高,而增益为1,实际上是起阻抗变换用。在IC同相输入端并一个电容C\(_{1}\)。当一个被测电压加到C1上时,C\(_{1}\)两端就充电到这个电压值,当移开电源(亦即把测试笔拿开)后,C1通过运算放大器输入阻抗放电。但因IC的输入阻抗很高,放电电流很小,放电过程进行得很慢,所以C\(_{1}\)基本上在相当长的时间内能保持所测电压值。从而使IC输出端(接一般电压表)也能保持被测电压值。若要电路复原,用测试棒将C1短接一下就可以了。

图中的C\(_{1}\)应用钽电容,因为钽电容比铝电解电容漏电小。运放块的输入阻抗越高测量出的电压误差就越小。
使用时应注意,所测电压应不高于电源电压(9伏),否则输入端应采取保护措施。(巩传文)