本文介绍一种简单实用的立体声扩展电路,这种电路适宜于加装在用集成功放电路制作的立体声扩音机上。

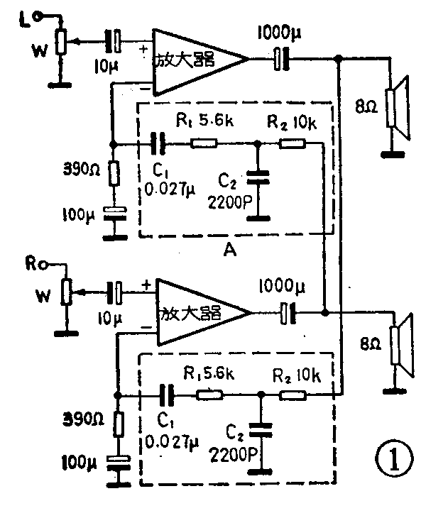
图1为扩音机的有关电路,虚线方框中的元件为新增加的几个扩展电路元件。其扩展根据是:通过试验发现,频率低于360赫的低音频信号,按声音的强度来定位不太灵敏;频率高于7千赫的高音频信号,方位感一般比较强,不需要再另加扩展;如果对立体声信号的中音频段施加声象扩展,立体声信号的方位感将显著加强。图1中设置了虚线框中的两个带通滤波器,这种带通滤波器只允许中音频信号通过,360赫以下及7千赫以上的信号均不能通过。L声道输出的中音频信号,经带通滤波器B,然后反串到R声道输入负端。R声道输出的中音频信号,经带通滤波器A,然后反串到L声道输入负端。这样就将中音频段的声象加以扩展了。

图2为有关扩展电路,这种电路的低频截止频率为f\(_{L}\)=1/2π(10k+5.6k+390Ω)×0.027μ≈360赫,高端截止频率fH=1/2π·10K·2200p≈7千赫。改变C\(_{1}\)、C2的电容量,可以改变带通滤波器的带宽。表1为带宽和电容值的对照表,可供参考。
表1
C\(_{1}\) C2 频带
0.015μ 5100P 660Hz~3000Hz
0.02μ 3300P 500Hz~5000Hz
0.027μ 2200P 360Hz~7000Hz
0.039μ 1800P 260Hz~8500Hz
0.068μ 1500P 150Hz~10000Hz
图2电路中音频信号的反串大小可用K值来表示,在上述数值下,K=390Ω10K+5.6K+390Ω≈2.4%。实际使用时,可根据所用扩音机集成功放电路增益的大小,适当改变R\(_{2}\)阻值,即适当改变K值,以达到较好的效果。(刘春熙)