本文介绍一种自制的简易静电探测器,可用以探测因物体干燥、摩擦、冲击等而形成的静电,并能在一定程度上相对指示出静电电压的大小。同时还可很方便地取出相对应于静电电压高低而变的控制电平,当所测静电压高于某设定值时,由这个控制电平推动报警电路报警。可用于需要经常进行静电探测的纺织、造纸、塑料行业的生产车间。
电路基本原理
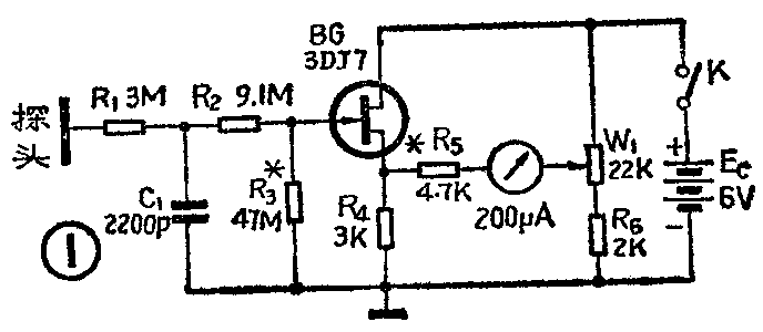
静电探测器的电路见图1所示。它的简单工作原理如下。当探头靠近带静电体时,通过感应,探头上积累了电荷。再经电阻R\(_{1}\)和R2等,在R\(_{3}\)两端产生了对应的偏压。这个偏压改变了场效应管BG的静态栅源偏压,使BG的漏源极的内阻RDS发生相应的变化,从而引起由W\(_{1}\)、R6、R\(_{4}\)和RDS等组成的桥路状态变化,导致电流表、R\(_{5}\)支路流过的电流跟着改变,电流表指针偏转指示出静电的存在及大小。

在简单探测电路中,过高的输入电阻不利于进行经常的多点探测,也容易在输入端感应和积累过高的静电电压而损伤晶体管等。由于一般结型场效应管的实测栅源绝缘电阻R\(_{GS}\)均在10\(^{9}\)欧以上,是足够高的。因此在图1中设置了R3,以适当降低一些电路的输入电阻。R\(_{3}\)可根据所测静电压的大小和范围等,在33到680兆欧间选取。一般用47~100兆欧。
电路中R\(_{1}\)和C1组成一高中频滤波器,以旁路感应到的中高频信号,避免对电路产生干扰。R\(_{5}\)串在电流表支路上,改变R5的阻值可在一定范围内改变探测器的量程,因此如R\(_{5}\)改用4~5个不同阻值的电阻,再通过波段开关选择,那么探测器就成了多量程的了。
探测器处于静态时,我们调节W\(_{1}\)可使电流表指针满偏。这样当探头感应到静电时,电流表指针回偏。当指针从最大值回偏到零时,BG的源极电阻R4 上的压降由2伏左右上升到3.6伏左右;当指针从最大值回偏到表面中心时,R\(_{4}\)上压降升为2.8伏左右。这个变化的电压可以很方便地送到由CMOS集成电路等组成的音频报警器中去,使探测器具有超(静电)压报警的功能。报警器电路可参阅本刊1983年第l0期中《实用交直流供电自动切换电路》一文,这里不再复述。
如果探头可能感应到正和负两种极性的静电电荷时,探测器电流表指针的静态位置应调到表面中心。这样当探头感应负电荷时,表针向左偏转;当感应到正电荷时,表针则向右偏转。据此可以看出所测静电的极性。
元件选用、制作和调试
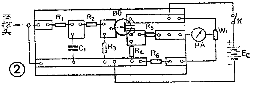
探测器的电阻均用RJ型1/4瓦金属膜电阻,如购不到高阻值电阻,R\(_{3}\)可用其它型电阻或用数个10兆欧左右的电阻串联代替。电流表可用满偏值为100~500微安的。EC使用4F22型6伏叠层电池,当然也可用4节1~5号电池串联而成只是体积较大而已。对BG没什么特殊要求,一般3DJ7型管均可满足要求。探测器的印制电路板可参考图2制作。探头用厚1~2毫米的铜或铝皮做成直径2~5厘米大小的圆片状。圆片中心开一个直径3毫米的孔,然后将圆片固装在M3的螺栓上,如图3所示那样即可。一般,如被测物的体积较大,探头直径就相应取大些,反之则相反。整个探测器除电流表、电池、W\(_{1}\)、开关K等外均装入一个直径20~25毫米的铝圆壳(可用废电解电容器外壳)内。铝壳外壳最好接地。探头不可与铝壳相碰或存在1000兆欧以下的漏电阻。如果能购到微型电流表头,则电路的全部元件均可装入铝壳内(印制板可参照图2作适当缩小),这样就成了一个微型静电探测器了,使用起来就更为方便。


探测器只要元件装接无误就几乎不需怎样调试。合上K后,调节W\(_{1}\)使电流表指针满偏或1/2满偏。如果不能满偏,一般是BG或电流表灵敏度等与图1电路中的有较大差异而致,可适当改变R4和R\(_{6}\)的阻值予以纠正。随后试用手碰一下探头,这时如看到表针回转,说明电路正常。就可以拿到带电体附近(用探头对准带电极、两者相距5~20毫米,不要接触)进行探测试验和实际使用了。如果能借到标准静电压表对探测器进行校准定标,那以后使用就更方便,准确性也提高了。(王德源)