远程收听立体声调频广播,由于信号弱,立体声效果时有时无,有时甚至无法正常收听。本文介绍一种远程接收立体声调频广播的经验,能使离立体声调频电台100公里的地方获得较满意的收听效果。用盒式录音机录制立体声节目,信号电平可达+1dB以上。
自制室外天线
正确选择室外天线是远程收听立体声节目的关键。调频广播的频率范围在88~108MHz之间。如果有五频道电视天线,即可借用一下。为了使天线有较好的增益,最好自制一架接收调频广播的五单元折合振子天线。天线尺寸的计算可参考以下经验公式。图1中折合振子长度L\(_{1}\)=(0.9-0.95)λ02; 折合振子宽度D\(_{1}\)=0.002λ0;引向器长度L\(_{2}\)=0.4λ2;引向器间距D\(_{2}\)=(0.15~0.2)λ2;引向器与折合振子间距D′\(_{2}\)=(0.6~0.7)D2;反射器长度L\(_{1}\) =0.5λ1;反射器与折合振子间距D\(_{3}\)=0.2λ1。其中λ\(_{3}\) 是调频广播低端波长,λ2是高端波长。λ\(_{0}\)=\(\sqrt{λ}\)1λ\(_{2}\)是几何平均波长。根据调频广播频率范围,低端f1=88MHz,所以λ\(_{1}\)=3.41米;高端f2=108MHz,所以λ\(_{2}\) =2.78米。因此λ0=3.08米。代入上式计算得L\(_{1}\)=146厘米;L2=111厘米;L\(_{3}\)=171厘米;D1=6厘米;D\(_{2}\)=44厘米;D′2=32厘米;D\(_{3}\)=68厘米。折合振子开口为5厘米。引向器、反射器、折合振子均使用φ0.8~φ1厘米铝管制成?

与收音机的耦合
天线一般应架设在离地面6~7米以上的高处。架好天线,用300Ω扁馈线引入室内与收音机(或收录机)的拉杆天线耦合。耦合方法参考图2(a)先制作一块敷铜板,再参考图2(b)制作一个300Ω→75Ω阻抗变换器。方法是在双孔磁芯上,用φ0.3毫米漆包线(或细软导线),双线并绕4圈。按图2(b)连接。A、B两端接300Ω扁馈线,C(或D)端接一根软导线(越短越好),再焊上一个鳄鱼夹,如图3(a)所示与收音机耦合。如一时买不到双孔磁芯,也可以在300Ω扁馈线终端并接一只300Ω电阻,通过47pF电容再与拉杆天线耦合,见图3(b)。这种方法的效果要比上一种差些。


自制天线放大器
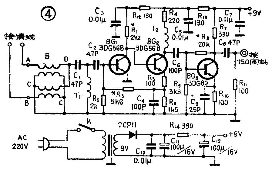
如果以上两种方法觉得不够满意,可以使用1~12频道电视天线放大器,对调频信号进行放大。笔者按照图4电路自制一部天线放大器,增益高于30dB,并且独立供电,使用方便,甚觉满意。图中B是300Ω→75Ω阻抗变换器。T\(_{1}\)是高通滤波器,T2是高频阻流圈。T\(_{1}\)、T2均用φ0.8毫米漆包线,以圆珠笔芯作骨架密绕8圈而成。图中整流管采用2CP11。BG\(_{1}\)、BG2采用3DG56B,BG\(_{3}\)采用3DG80或其它截止频率fT>500MHz低噪声管。β均选50~70之间的,宁可小些不可过大,否则容易自激。C\(_{1}\)~C10各电容均应选用高频损耗小的瓷片电容。整个放大器仅耗电8mA,故电源变压器使用舌宽1.8厘米,叠厚1.8厘米,窗口面积为2.5厘米的E型铁芯已足够用。初级用φ0.1毫米漆包线绕3000圈,衬一张聚脂薄膜,再用φ0.1毫米漆包线密绕一层作屏蔽用。次级用φ0.25毫米漆包线绕134圈。次级电压约9V左右。

装配时各元件接脚、引线要尽可能短,每个焊点质量直接影响放大器性能,因此要确保焊点可靠。图中打有*号的元件是可调的。但调试时不可用微调电阻和半可变电容,否则会引起自激造成失误。每个可调元件(如R\(_{1}\)、R3、R\(_{8}\)、C9)均焊在印板后面,一个一个地用固定电阻、电容更换,而且引线要剪短。调试时先将放大器输入端A、B两点短路,接上电源,直流电压在8.5~9V之间均能正常工作。先调R\(_{1}\)使R4两端电压为0.45V,此时BG\(_{1}\)集电极对地电压为4V。BG2集电极电流应为2mA左右。再调R\(_{8}\)使R10两端电压在0.25~0.3V之间,BG\(_{3}\)发射极电流为2.5mA~3mA。此时BG2发射极对地电压在3.4V左右,如相差太大可改变R\(_{3}\)阻值。
调好静态工作电压,要检查一下放大器是否有自激。在没有仪器的业余条件下,可按图3(c)连好线,如果收不到电台信号,反而有很大噪声,说明是有自激的。造成自激的原因可从以下几方面检查。①BG\(_{1}\)~BG3的β是否太大;②将T\(_{1}\)或T2调一下头试试。③把R\(_{1}\)阻值加大或将C9容量减小。但应注意R\(_{1}\)过大、C9 过小均会有损放大器增益。R\(_{1}\)一般不应小于1.5KΩ,以防烧毁晶体管BG1。按照图3(c)连线时应注意以下一点,即天线放大器不能离收音机(或收录机)太近,否则收音机本振辐射的电磁波进入天线放大器引起系统自激,因此75Ω同轴电缆的长度应不短于1.5米以保证放大器远离收音机。至于75Ω同轴电缆与收音机耦合处接不接75Ω电阻,以及电缆的哪一端与收音机相接要由实验而定。

图5是1:1的印板图,腐蚀电路板时注意,除走线周围一小圈铜铂腐蚀掉以外,其余均为公用地线,这种大面积地线有助于消除自激。整个放大器装入金属屏蔽盒内可使放大器更稳定地工作,经实验该放大器板不加屏蔽盒也能正常工作,由各人条件而定。(杨延洪)