套圈玩具是一个简单而有趣的电子玩具,它的外形见图1。游戏时,手持铜套圈,往大象鼻子上套,从鼻尖套到鼻根,如能保持铜套圈始终不碰大象鼻子就算胜利;如果铜套圈碰到象鼻子,大象眼睛就会发光,同时大象会发出“嘟——”的叫声,表示游戏失败。

工作原理
套圈玩具的电路图见图2。图中YF1和YF2是在同一块集成电路内的两个与非门,它们组成自激多谐振荡器,振荡频率主要由电阻R\(_{2}\)和电容C1决定,一般可由公式f=1/2.5R\(_{2}\)C1估算。采用图2所示数据,振荡频率约700赫,改变R\(_{2}\)或C1数据,可改变振荡频率。由于与非门YF1的一个输入端A通过电阻R\(_{1}\)到电源负极,因R1阻值较小,所以A点呈低电位,振荡器YF1、YF2不工作,这时发光二极管LED不发光,扬声器Y也无声。

如果在套圈过程中,铜套圈碰到象鼻,即A点与电源正极相碰,A点由低电位突变到高电位,振荡器YF1、YF2立即起振。这时扬声器就发出音频叫声,LED也发出红色辉光。
元件选择
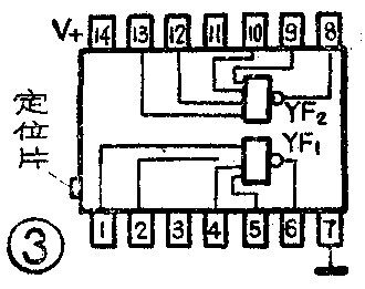
本机主要元件是一块TTL数字集成电路,型号为T063。它是一块中速四输入端双与非门,外壳为陶瓷封装扁平型14脚,在它侧面夹着一小块金属片作为定位标记,离定位片最近的管脚为第1脚,管脚序号以逆时针方向排列,T063的管脚接线见图4所示。它的第3、11为空脚,第1、2两脚连接起来作为YF1与非门的一个输入端A,它接电阻R\(_{1}\)。第4、5和空脚3连接起来作为YF1与非门的另一个输入端,它连接电阻R2和电容C\(_{1}\)。第6脚是YF1的输出端,它连接R2和YF2的输入端。第9、10、12、13和空脚11连接起来作为YF2的输入端,第8脚为YF2输出端,它分别接LED和电容C\(_{1}\)、C2。右下方第7脚接地(电源负极),左上方第14脚接电源正极。


电阻R\(_{1}\)、R2和R\(_{3}\)可用1/16瓦或1/8瓦炭膜电阻器,C1、C\(_{2}\)为耐压6伏以上的小型电解电容器。
LED为磷砷化镓红色发光二极管,Y为2.5英寸8欧动圈式扬声器。TTL数字集成电路电源电压应为5伏,但业余条件下完全可用6伏电压。电池组E可用四节五号干电池串联组成。K为普通小型拨动式电源开关。
制作与调试
图4为1∶1的印刷电路板图。此印刷板不必腐蚀和钻孔,只要用小刀将不需要的铜箔划开铲去即可。用细砂纸把铜箔打光并涂上一层松香酒精溶液,凉干就可使用。集成块和阻容元件等都直接焊在印刷板上有敷铜箔的一面上。
装制完毕后,可开机试验。闭合K,这时喇叭应无声,LED也应不发光。此时用导线将A点与电源正极相碰,Y应发出响亮音频叫声,LED也应发出红色辉光,表示电路正常。如果A点与电源正极相碰,扬声器无声,应仔细检查电路是否接错,重点应检查集成块管脚是否接错、管脚间是否被焊锡短路了。如果排除故障后仍然无声,可能是集成块功能不全,应更换。如果不管A点是否接电源正极,扬声器总是发声,这大都是电阻R\(_{1}\)阻值过大不能保证A点处于低电位造成的。可以适当减小R1阻值(不得小于200欧姆)来解决。
如果想改变玩具大象叫声的音调,可调整电阻R\(_{2}\)的阻值,R2阻值大,发声低沉;R\(_{2}\)小,音调较高。
不同厂家生产的发光管的发光灵敏度差异较大,因此电阻R\(_{3}\)需要调整。R3阻值小,亮度大,反之亮度暗。但R\(_{3}\)不宜太小,否则会加重集成块的负担,可用万用麦测LED的电流,一般宜调到20毫安左右或略小些就可。
玩具大象的身体可用三合板制作,但象鼻子要用铝皮或其它金属材料制作,然后将象鼻与象身铆接起来,将象鼻子用导线和与非门YF1的A点相连。套圈可用φ2.0毫米的漆包线制作,应事先刮去漆膜,头部弯成圆环状,直径大小以比象鼻略大2毫米为宜。尾部装一手柄,最后在外面搪一层焊锡,这样既银光闪闪,同时圆环接口处涂上焊锡也较牢固。如无粗漆包线,也可用普通镀锌铁丝制作。
在大象的眼孔里固定发光二极管LED, 开关就安装在象身上。最后用万能胶水把印刷板粘贴在大象身体上。再用三合板或硬纸板做一个罩盒,罩在印刷板上,以保护机心。再给大象做一个底座,一个套圈玩具就制好了。(陈有卿)