近年来,城市交通照明已经由原来的白炽灯发展到高压汞灯、钠灯或由汞灯和钠灯组成的双光路灯等。但在深夜,车辆和行人稀少,此时就可以适当减少照明路灯的数目,以节约用电。本文介绍一种具有长延时功能的定时器,定时范围能在0.1秒到16小时范围内任意调节,可以用它作路灯的定时控制开关,并能适应其它多种场合的使用。
图1是定时器的方框图,它由三部分组成;1.时标脉冲形成电路,包括斯密特整形器和分频电路;2.计数符合电路,由三位二—十进制加法计数器以及符合电路组成;3.控制电路,包括定时、启动以及输出控制电路。

图2是该定时器的实际线路图。由BG\(_{1}\)、BG2组成的斯密特整形器,把来自电源变压器的50Hz信号整形后作为定时器的频标信号。PMOS集成电路DC-22则把频标信号经分频后,输出标准时标脉冲。而由PMOS集成电路DC-21完成定时器的计数和符合功能。其余一些元器件则作为直流电源以及控制用。下面对图2线路进行逐级分析。

电路分析
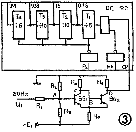
1.时标脉冲形成电路。定时器的设计原则是在保证使用精度的条件下,力求简单。这里采用电源的50Hz信号经斯密特整形器整形后作为频标信号。斯密特整形器的线路单独画出如图3中方框以外的部分所示,这是一个由两级放大器(BG\(_{1}\)、BG2)组成的具有强烈正反馈的闭合回路,它将输入的正弦波变成方波脉冲输出,波形图见图4。图3中R\(_{5}\)可调节输出波形的上升特性,R5的数值大,上升沿差;数值小,上升沿好,但数值太小会使输出幅度减小。R\(_{4}\)可改变输出波形的下降特性,其数值小,下降沿差;数值大,下降沿好,但太大会使输出幅度减小。R2可以调节输出波形的对称性,当R\(_{2}\)增大时,图4中t1也就增大。采用图2中所示元件规格,已可满足计数脉冲的要求,不需要再调整。


图3中方框以内为DC-22集成电路中的分频器部分(DC-22包括一个分频器和一个RS触发器,图3中是其中的一部分),其真值表如表1所示(“0”为-24V,“1”为0V,本线路采用正逻辑)。分频器包括具有整形作用的计数门控电路以及一组计数电路(T\(_{1}\)~T4)组成,计数电路包括一位五进制加法计数器(T\(_{1}\)),两位十进制加法计数器(T2、T\(_{3}\))和一位六进制加法计数器(T4)。来自斯密特整形器的频标脉冲,通过门控送入计数器,从而分别得到周期为0.1秒、1秒、10秒和1分钟的四种时标脉冲。

2.计数符合电路。图5是计数符合电路的逻辑原理图,这是一块DC-21集成电路,它包括计数门控电路、三位十进制加法计数器和与之相对应的符合电路。来自分频器的时标脉冲通过计数门控,送入计数器进行计数,相应的符合电路将计数器的计数状态与预先设定的定时整定值进行动态比较,所有这些功能均由PMOS单片集成电路DC-21完成,其控制端的真值表与表1相同。

符合电路的工作原理可用图6化简原理图来加以说明。它是由一组场效应晶体管所组成,其源极接地,漏极则通过一组焊点与负载电阻R相连(图上是未焊接时的情况),哪些点需要焊上应根据表3所示进行焊接,就可达到定时选择的目的。下面我们举例来说明符合电路是怎样工作的。以一位十进制加法计数器为例,如果定时选择为“7”,则按表3应把a\(_{1}\)、a2、a\(_{3}\)三点与R连接,再看图6,此时G1、G\(_{2}\)、G3三个场效应管的漏极与负载电阻R相连接,而G\(_{4}\) 的漏极则因没有焊接而断开。原始状态计数器的四个输出端QD、Q\(_{C}\)、QB、Q\(_{A}\)均为“0”,故G3,G\(_{2}\)、G1场效应管因栅极处于低电位而呈导通状态,A点输出高电位,即逻辑“1”,于是计数器对时标脉冲进行计数。当进入7个时标脉冲,计数器输出状态为0111时,由于Q\(_{C}\)、QB、Q\(_{A}\)均输出“1”,使G3、G\(_{2}\)、G1均因栅极高电位而处于截止状态,A点的输出即由“1”跳到“0”;符合电路输出符合信号——逻辑“0”。其它两位计数器的工作原理也是一样的。


为了降低定时器的成本,对一些定时时间固定不变的定时器,本文采用焊点选择焊接的方法来实现定时选择和时标脉冲选择,具体选择方法按表2和表3进行。下面举例简单说明。例如需要定时50秒钟:(1)先定“时标脉冲选择”焊点,时标选择可选0.1s(定时范围为0.1~99.9秒)也可选1s(定时范围1~999秒)。若选0.1s,定时精度为50.0秒的1%,即达到小数点后一位;若选1s,定时精度为50秒的1%(即小数点后不计)。因此在选择时标焊点时,优先选用时标小的焊点,本例选用0.1s焊点,即印制板接点编号“17”焊点。(2)再定“定时选择”焊点,当时标选用0.1s时,定时选择就在最高位(c\(_{4}\)c3c\(_{2}\)c1)焊上c\(_{3}\)、c1两个焊点(印制板接点编号“2”、“4”焊点),即0101,而b组和a组均不需焊接,即表示50.0秒。当时标选用1s时,定时选择应焊上b\(_{3}\)、b1两个焊点,而c组和a组不焊,即为050秒。

3.控制电路。定时器的控制电路如图7所示,图中虚线框内的RS触发器是集成电路DC-22中的一部分。这部分电路完成输入定时启动信号的处理,机内计数器、分频器和触发器的清零。当变压器初级合上电源,稳压电路即建立E\(_{1}\)、E2电压,而电容C\(_{3}\)就利用电容两端电压不能突变这一特性,在建立电压瞬间,输出一个上冲尖脉冲,使分频器、计数器、触发器均处于准备状态。控制电路还包括BG3、继电器丁等,执行输出驱动控制等功能。

4.整机电源。由变压器降压得到的低压电源,经全波整流、稳压和滤波后输出供整机使用的直流电源。
定时器的工作过程
首先根据定时要求按表2和表3焊接好定时选择接点和时标选择接点。定时器接通电源后,在直流电压刚建立时,由于电容C\(_{3}\)两端的电压不能发生突变,使RS触发器的R输入端产生一个正向尖脉冲,该脉冲随着C3电容器两端充电电压的建立而消失,在此尖脉冲的作用下,对整个定时器电路产生以下三个功能:(1)RS触发器的Q-端输出为“1”,驱动三极管BG\(_{3}\),继电器吸合;(2)集成电路DC-22的全部分频器清零;(3)集成电路DC-21中全部计数器清零。
来自时标形成电路的时标脉冲,经过计数门控,送入计数器进行计数,符合电路将计数器的计数状态与预先设定的定时时间进行动态比较,当计数器的状态与预定的定时时间相一致时,符合电路输出符合信号,使RS触发器翻转为“1”状态,Q-端输出为“0”,使三极管BG\(_{3}\)处于截止状态,继电器释放,定时时间结束。
安装和调试
本定时器的主要功能仅用两片集成电路来完成,这两片PMOS集成电路采用上海电器电子元件厂生产的DC系列集成电路,外形为扁平型陶瓷封装,集成度高,使用方便。
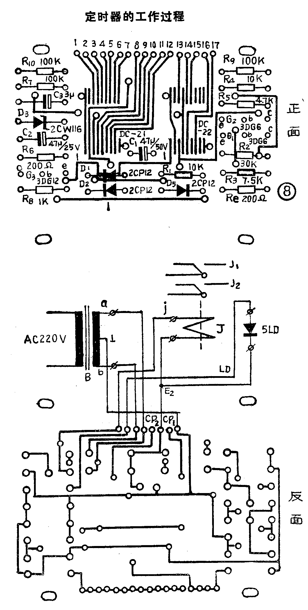
图8所示为定时器的双面印制线路板的正、反两面,其比例为1∶1。印制线路板与变压器、继电器的连接通过插接件2CH25—8引出。

整机接通电源后,首先可用万用表检查电源电压,-E\(_{1}\)应为-24V,-E2应为-32V,此时整机总工作电流在60mA左右。待继电器释放后,整机总工作电流在15mA左右。经过整形后的50Hz频标信号和时标脉冲可用标准频率计和示波器进行测量,如在示波器上看到前沿很陡的脉冲信号,即说明线路工作正常。
定时精度的分析
由于本定时器的频标信号是采用电源50Hz整形得到的,故定时器的定时精度在很大程度上取决于电源频率的精度和稳定度,如要求定时时间6小时,而输入电源频率为49Hz的话,此时定时误差可以根据以下计算得出:
6小时=360分=21600秒
50Hz-49Hz=1Hz
因此在6小时内共少了21600×\(\frac{1}{50}\)=432秒=7分12秒。
即: 若定时时间为6小时,由于电源频率差1Hz,引起的定时误差为7分12秒。对于如控制路灯开关等精度要求不很高的场合是可以用的,而且电源频率也不可能长期少1Hz。
如果把定时选择焊点和时标选择焊点引出,与数码拨盘开关或波段开关连接,那么定时器的定时时间就能根据动作要求任意进行调节,从而扩大了使用范围。
使用注意事项
1.用于户外控制的定时器,应注意定时器的防潮防尘,建议用环氧树酯将控制部分密封起来。
2.由于采用了PMOS集成电路,为了防止静电感应而引起绝缘栅的破坏性击穿,定时器需装在具有良好接地的金属壳内。(汪安民)