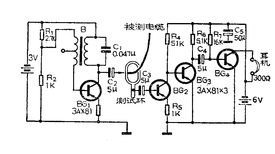
我们为了检测出电缆的断处,自制了这台测试仪。它的线路见图,由发送和接收两部分电路组成。

发送部分是由晶体管BG\(_{1}\)和变压器B组成的变压器反馈振荡器,产生音频振荡信号。接收部分是由BG2、BG\(_{3}\)、BG4等组成的放大器,主要用来放大音频信号。
音频振荡信号经电容C\(_{2}\)接到被测电缆的心线,接收部分的输入端接到测试环上。如果被测心线没有断伤,音频信号通过心线时,由于心线与测试环间存在着电容耦合,所以测试环收到的音频信号,经电容C3耦合到BG\(_{2}\)的基极,放大后的音频信号由耳机收听。
如果被测电缆的心线断了,则测试环上无音频信号,耳机无声。
此测断仪线路简单,容易制作。图中的变压器B用半导体收音机输出变压器。测试环的直径为2~3cm,可用长度为12~13cm、厚度为0.1~1cm紫铜片弯成,或者用同样尺寸的紫铜管代用。电源用一号电池。
整个仪器的元器件安装在一个木盒里,木盒的内壁包一层紫铜片作为屏蔽,电源的正极与紫铜片相接。
使用时,先将发送部分输出线与被测电缆的心线一端相连作为始端,电缆另一端穿过测试环。接通电源,逐渐从始端拉动电缆线通过测试环,耳机中有音频叫声,说明电缆无断处。若拉动电缆线时,在某一段上,耳机中无声,说明电缆线有断处。这时再慢慢拉动电缆或移动测试环,耳机中从有声到无声相对应的电缆处就是电缆心线断处。如果电缆是多股心线,应当每条线单独检测。(马大亨)